INFO: Dieses Forum nutzt Cookies...
Cookies sind für den Betrieb des Forums unverzichtbar. Mit der Nutzung des Forums erklärst Du dich damit einverstanden, dass wir Cookies verwenden.

Es wird in jedem Fall ein Cookie gesetzt um diesen Hinweis nicht mehr zu erhalten. Desweiteren setzen wir Google Adsense und Google Analytics ein.


Antwort schreiben 

String aus mehreren Hexwerten zusammen fügen



Wenn dein Problem oder deine Frage geklärt worden ist, markiere den Beitrag als "Lösung",
indem du auf den "Lösung" Button rechts unter dem entsprechenden Beitrag klickst. Vielen Dank!

09.12.2010, 11:31
Beitrag #1

samuel-stinger Offline
LVF-Grünschnabel
*


Beiträge: 45
Registriert seit: Nov 2010

2010
2010
de


Deutschland
String aus mehreren Hexwerten zusammen fügen
Hallo,
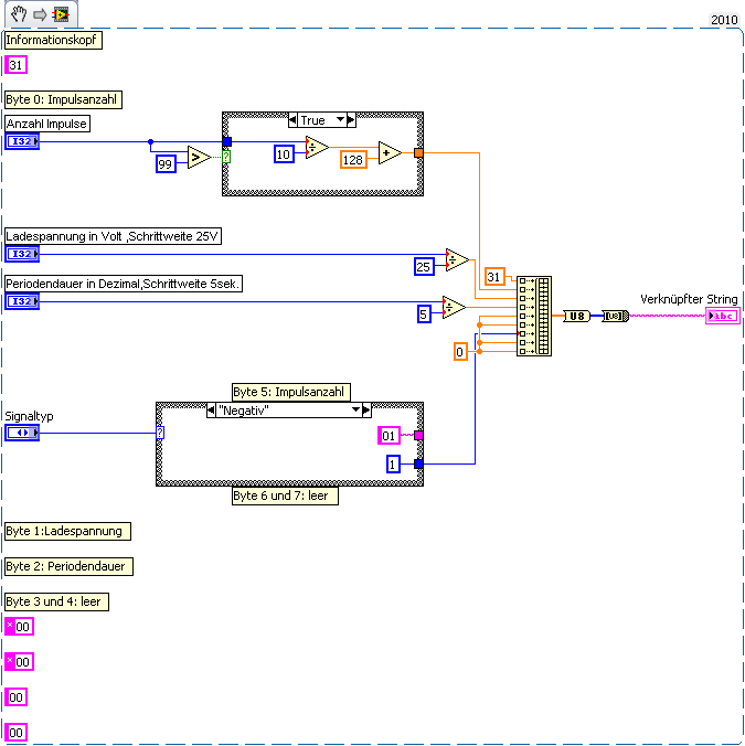
ich habe folgendes VI geschrieben, welches ich zur Parametrieung meiner Hardware benötige.
Die enzelnen Befehle sind jeweils ein Byte lang, darum die einzelnen Bausteine die die Hex Elemente auf ein Byte verlängern.
Nur Leider scheine ich einen Fehler gemacht zu haben, wenn ich die enzelnen Elemente ihre Werte anzeigen lasse, wird der Code mit richtigen 2 stelligen Hexwert angezeigt, aber auch nur unter Anzeigeneinstellung normal.
Wie bekomme ich das hin, das der String Ordnungsgemäß mit jeweils Zweistelligen Hexcode zusammengefügt wird?

Beste Grüße


Angehängte Datei(en) Thumbnail(s)
   
Alle Beiträge dieses Benutzers finden
Diese Nachricht in einer Antwort zitieren to top
Anzeige
09.12.2010, 11:42
Beitrag #2

GerdW Offline
______________
LVF-Team

Beiträge: 17.540
Registriert seit: May 2009

LV2019 (LV2021)
1995
DE_EN

10×××
Deutschland
String aus mehreren Hexwerten zusammen fügen
Hallo Samuel,

du musst dir anscheinend erstmal klar darüber werden, was ein Byte und was ein Char ist. Ein String mit zwei Zeichen belegt auch 2 Byte und nicht nur eins, wie du vermutest...

Probier das mal so:
   

Alle Beiträge dieses Benutzers finden
Diese Nachricht in einer Antwort zitieren to top
09.12.2010, 12:17
Beitrag #3

samuel-stinger Offline
LVF-Grünschnabel
*


Beiträge: 45
Registriert seit: Nov 2010

2010
2010
de


Deutschland
String aus mehreren Hexwerten zusammen fügen
Super genauso soll es funktionieren, musste nur die 31 in eine 49 ändern, damit wieder 31hex angezeigt wird, danke.
Alle Beiträge dieses Benutzers finden
Diese Nachricht in einer Antwort zitieren to top
30
Antwort schreiben 


Möglicherweise verwandte Themen...
Themen Verfasser Antworten Views Letzter Beitrag
  2 Arrays, in einem Anzeigen (nicht zusammen) Daniel H. 2 4.761 23.11.2014 19:45
Letzter Beitrag: Daniel H.
  Reentrant Vis und Netzwerkvariablen zusammen nutzbar? phoenics 3 7.193 08.04.2010 06:59
Letzter Beitrag: cb
  Wie füge ich 2 flat sequence Strukturen zusammen? horatius 13 12.288 20.04.2009 22:06
Letzter Beitrag: EMV-Hero
  String Anzeigeelement mit mehreren Zeilen JRO 4 7.258 04.10.2007 13:29
Letzter Beitrag: JRO

Gehe zu: