INFO: Dieses Forum nutzt Cookies...
Cookies sind für den Betrieb des Forums unverzichtbar. Mit der Nutzung des Forums erklärst Du dich damit einverstanden, dass wir Cookies verwenden.

Es wird in jedem Fall ein Cookie gesetzt um diesen Hinweis nicht mehr zu erhalten. Desweiteren setzen wir Google Adsense und Google Analytics ein.


Antwort schreiben 

Stringtabelle



Wenn dein Problem oder deine Frage geklärt worden ist, markiere den Beitrag als "Lösung",
indem du auf den "Lösung" Button rechts unter dem entsprechenden Beitrag klickst. Vielen Dank!

15.10.2015, 16:10 (Dieser Beitrag wurde zuletzt bearbeitet: 15.10.2015 16:13 von jg.)
Beitrag #41

jg Offline
CLA & CLED
LVF-Team

Beiträge: 15.864
Registriert seit: Jun 2005

20xx / 8.x
1999
EN

Franken...
Deutschland
RE: Stringtabelle
Das Nebeneinander in einem SubVI hast du doch schon hinbekommen.
Wie der Header erweiterbar ist, das habe ich dir hochgeladen. (Beitrag #28)
Wie du einen bestehenden File überschreiben kannst, auch das habe ich dir in Screenshots gezeigt. (Beitrag #30)
Du musst das jetzt alles nur zusammensetzen.

Und auch auf die Gefahr hin, dass ich mich wiederhole: In deinem letzten Screenshot sehe ich nichts mehr, dass du dir die neu hinzugekommene Messung in einem Schieberegister für den nächsten Speichervorgang merkst. Früher war das anders. Das Hauptproblem ist aber, dass du nur Screenshots hochlädst, die immer nur einen Teil deines BD zeigen. Wie soll man da debuggen? Glas2 Wall

Gruß, Jens

Wer die erhabene Weisheit der Mathematik tadelt, nährt sich von Verwirrung. (Leonardo da Vinci)

!! BITTE !! stellt mir keine Fragen über PM, dafür ist das Forum da - andere haben vielleicht auch Interesse an der Antwort!

Einführende Links zu LabVIEW, s. GerdWs Signatur.
Alle Beiträge dieses Benutzers finden
Diese Nachricht in einer Antwort zitieren to top
Anzeige
15.10.2015, 16:57
Beitrag #42

Hydrogencarbonat Offline
LVF-User
**


Beiträge: 187
Registriert seit: Apr 2014

2013,2014
2014
DE

XXXXX
Deutschland
RE: Stringtabelle
Ich habe jetzt im Hauptprogramm alles rausgenommen was man nicht für die Logdatei braucht braucht.
Jetzt könnt Ihr euch das genau angucken.


Gruß HCO


Angehängte Datei(en)
12.0 .vi  Hauptprog mit Queue 15.10.vi (Größe: 61,2 KB / Downloads: 159)

12.0 .vi  Latch beim Schalten (SubVI).vi (Größe: 19,97 KB / Downloads: 154)

12.0 .vi  Txt._Zeile in Spalte test (SubVI).vi (Größe: 40,73 KB / Downloads: 161)
Alle Beiträge dieses Benutzers finden
Diese Nachricht in einer Antwort zitieren to top
15.10.2015, 19:20 (Dieser Beitrag wurde zuletzt bearbeitet: 16.10.2015 11:10 von jg.)
Beitrag #43

jg Offline
CLA & CLED
LVF-Team

Beiträge: 15.864
Registriert seit: Jun 2005

20xx / 8.x
1999
EN

Franken...
Deutschland
RE: Stringtabelle
Es ist schon enttäuschend, wenn genau das, worauf ich schon hingewiesen habe, bei dir noch als Fehler vorliegt.
- In deinem Upload sammelst du nicht mehr alle Messungen, sondern schreibst immer nur die aktuelle Messung weg.
- In meinem Screenshot aus #30 setze ich den Filepointer auf 0 vom Start der Datei aus, um sie zu überschreiben, nicht auf 0 vom Ende aus.
- Es fehlt noch ein VI, um das Programm ausführen zu können.

Nichtsdestotrotz hier eine Anpassung, die IMHO so passen sollte:

12.0 .vi  Hauptprog mit Queue 15.10.vi (Größe: 33,97 KB / Downloads: 186)


12.0 .vi  Txt._Zeile in Spalte test (jg).vi (Größe: 29,96 KB / Downloads: 174)


Gruß, Jens

Wer die erhabene Weisheit der Mathematik tadelt, nährt sich von Verwirrung. (Leonardo da Vinci)

!! BITTE !! stellt mir keine Fragen über PM, dafür ist das Forum da - andere haben vielleicht auch Interesse an der Antwort!

Einführende Links zu LabVIEW, s. GerdWs Signatur.
Alle Beiträge dieses Benutzers finden
Diese Nachricht in einer Antwort zitieren to top
16.10.2015, 09:57 (Dieser Beitrag wurde zuletzt bearbeitet: 16.10.2015 10:50 von jg.)
Beitrag #44

Hydrogencarbonat Offline
LVF-User
**


Beiträge: 187
Registriert seit: Apr 2014

2013,2014
2014
DE

XXXXX
Deutschland
RE: Stringtabelle
Hi,
Es funktioniert jetzt einwandfrei :=).
Man man, das war eine schwere Geburt.
Vielen vielen vielen Dank für die Hilfe.Guru2 Big Grin

Eine Sache habe ich noch und zwar würde ich gerne in der letzten Spalte die Zahlen mittig haben.
Wie kann ich das bewerkstelligen?

Habe das SubVI mit den originalen Werten hinzugefügt.

Viele Grüße


Angehängte Datei(en)
12.0 .vi  Txt._Zeile in Spalte (SubVI).vi (Größe: 136,41 KB / Downloads: 155)
Alle Beiträge dieses Benutzers finden
Diese Nachricht in einer Antwort zitieren to top
16.10.2015, 10:05 (Dieser Beitrag wurde zuletzt bearbeitet: 16.10.2015 10:12 von GerdW.)
Beitrag #45

GerdW Offline
______________
LVF-Team

Beiträge: 17.534
Registriert seit: May 2009

LV2019 (LV2021)
1995
DE_EN

10×××
Deutschland
RE: Stringtabelle
Hallo HCO,

Zitat:würde ich gerne in der letzten Spalte die Zahlen mittig haben.
Es würde für das Verständnis helfen, wenn du nicht von "Spalte" reden würdest: du hast hier nur einfachen zeilenweisen Text!

Du willst also sowohl vor als auch nach dem Zahlenwert ein paar Leerzeichen einfügen? Mach das doch: einfach den Formatstring anpassen…

Alle Beiträge dieses Benutzers finden
Diese Nachricht in einer Antwort zitieren to top
16.10.2015, 11:41 (Dieser Beitrag wurde zuletzt bearbeitet: 16.10.2015 11:58 von jg.)
Beitrag #46

jg Offline
CLA & CLED
LVF-Team

Beiträge: 15.864
Registriert seit: Jun 2005

20xx / 8.x
1999
EN

Franken...
Deutschland
RE: Stringtabelle
(16.10.2015 09:57 )Hydrogencarbonat schrieb:  Man man, das war eine schwere Geburt.
Das kannst du laut sagen...
(16.10.2015 09:57 )Hydrogencarbonat schrieb:  Eine Sache habe ich noch und zwar würde ich gerne in der letzten Spalte die Zahlen mittig haben.
Wie kann ich das bewerkstelligen?
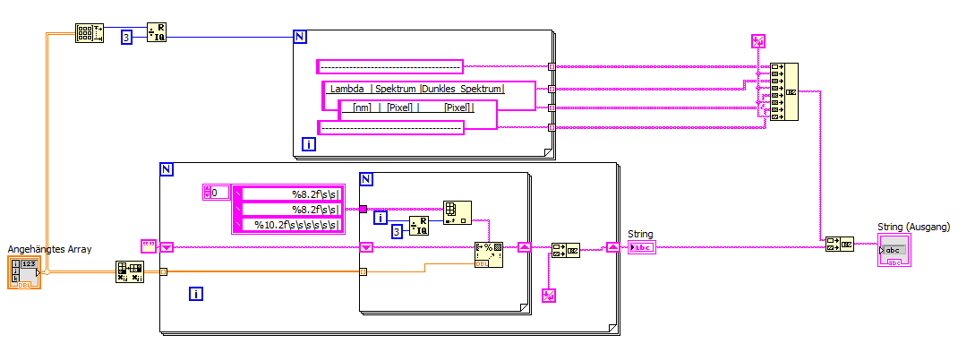
Indem du den Vorschlag von Gerd zum Zusammenbau des Tabellenstrings (aus Beitrag #29) an deine Erfordernisse anpasst, so z.B.:
   
Gruß, Jens

Offtopic2
P.S.: Wieso ist der letzte Beitrag von Gerd jetzt die Lösung? Hochgeladen hast du meine letzte Anpassung... Hmm

Wer die erhabene Weisheit der Mathematik tadelt, nährt sich von Verwirrung. (Leonardo da Vinci)

!! BITTE !! stellt mir keine Fragen über PM, dafür ist das Forum da - andere haben vielleicht auch Interesse an der Antwort!

Einführende Links zu LabVIEW, s. GerdWs Signatur.
Alle Beiträge dieses Benutzers finden
Diese Nachricht in einer Antwort zitieren to top
Anzeige
27.10.2015, 16:00
Beitrag #47

Hydrogencarbonat Offline
LVF-User
**


Beiträge: 187
Registriert seit: Apr 2014

2013,2014
2014
DE

XXXXX
Deutschland
RE: Stringtabelle
Hi,
es ist leider wieder ein On Topic.

Es sollen nun jede Sekunde die Daten gemessen werden und nicht wenn die Messung beendet ist.
Das bekomme ich auch hin.
Jedoch soll in der Tabelle nur Lambda einmal gelesen werden, da diese Werte immer konstant bleiben. Das geht auch soweit.
Die Schwierigkeit dreht sich um die anderen 3 Datenarrays.

Diese werden wie eben schon geschrieben solange jede Sekunde gemessen bis die Messung gestoppt wird.
Nach jeder Messung sollen nun in der Stringtabelle die Daten nebeneinander geschrieben werden.(Alles nach rechts geschoben)

Das heisst einmal Messen/s:

Lambda | Signal X | Signal Y | Signal Z |
ArrayLamda1 | ArrayX1 | Array Y1 | ARRAY Z1 |


2 mal Messen/s:

Lambda | Signal X | Signal Y | Signal Z |
ArrayLamda1 | ArrayLamda2 | ArrayX1 | ArrayX2| Array Y1 | Array Y2 |Array Z1 | Array Z2

Das geht natrürlich dann immer so weiter.....

Ob das so konfortabel für eine Textdatei ist halte ich für fragwürdig ..aber naja, es soll so gemacht werden.
Habe schon tagelang versucht dies umzusetzten, aber leider ohne Erfolg.


Wie kann ich das am Besten umsetzen. Ein bischen Hilfe (Tipps) wären mal wieder ganz nett Smile.
Mein VI ist angehängt, jedoch komme ich nicht wirklich weiter

Herzliche Grüße

HCO


Angehängte Datei(en)
12.0 .vi  Test String.vi (Größe: 19,51 KB / Downloads: 164)
Alle Beiträge dieses Benutzers finden
Diese Nachricht in einer Antwort zitieren to top
27.10.2015, 19:24 (Dieser Beitrag wurde zuletzt bearbeitet: 27.10.2015 19:25 von GerdW.)
Beitrag #48

GerdW Offline
______________
LVF-Team

Beiträge: 17.534
Registriert seit: May 2009

LV2019 (LV2021)
1995
DE_EN

10×××
Deutschland
RE: Stringtabelle
Hallo HCO,

Zitat:2 mal Messen/s:
Lambda | Signal X | Signal Y | Signal Z |
ArrayLamda1 | ArrayLamda2 | ArrayX1 | ArrayX2| Array Y1 | Array Y2 |Array Z1 | Array Z2
Das geht natrürlich dann immer so weiter.....
Wenn dein Chef dich immer noch mit solchen "glorreichen Ideen" quält, würde ich sie wenigstens auch genauso lösen:
Baue deine Datenarrays (einzeln) zusammen, also ein Array für Lamda-Werte, je eines für X, Y und Z.
Und aus diesen Einzelarrays dann deine "Tabelle": das sollte dann ja recht einfach sein!

So langsam solltest du doch genügend Übung beim Zusammensetzen von Arrays und Strings bekommen haben! Big Grin

Alle Beiträge dieses Benutzers finden
Diese Nachricht in einer Antwort zitieren to top
28.10.2015, 16:06
Beitrag #49

Hydrogencarbonat Offline
LVF-User
**


Beiträge: 187
Registriert seit: Apr 2014

2013,2014
2014
DE

XXXXX
Deutschland
RE: Stringtabelle
Hi again,
so einfach ist es leider nicht.

Eigentlich ist das Schema ähnlich wie vorher.
Ich drücke auf Messung starten und dann wird der Tabellenkopf und die jeweiligen Daten eingelesen.

Das ist vorher ja nur nach Messung beenden passiert.
Nur wenn jetzt die Messung startet dann werden jede Sekunde die Datenarrays (Größe 1444) in die Textdatei geschrieben und das nebeneinander.
Und die Tabellenköpfe rutschen immer ein auf,sowie die Daten.
Wenn die Messung nach Beenden wieder gestartet wird fängt es an der alten Position wieder an. Aber das haben wir ja schon geklärt mit Dateiposition festlegen.
Muss ich denn immer die Arrays gleich in die Textdatei schreiben oder über mit Schieberegistern die Daten sammeln und dann nach Messungsende in
die Logdatei schreiben.
Das Erstere würde mehr Sinn machen, da durch die Schieberegister doppelter Speicher entsteht.
Dann müsste ich über Txt Write jede Sekunde die Werte nacheinander in die Textdatei schreiben.Also einmal den Pfad öffnen, dann über die
Referenzen 4 mal nacheinader jeweils die Daten einlesen (While Loop,Messung starten) und nach Programmende beenden.
Müsste ich dann eine Dateiposition vor jedem Schreiben hinzufügen?
Dann würde ja jedes Array eine Position haben bei der es nacheinander einliest.
Habe wie schon oben geschrieben mich schon mehrfach damit auseinander gesetzt.
Komme einfach zu keiner Lösung.
Fühle mich als wenn ich im Fegefeuer der Stringtabellen gefangen bin.Ahrg1
Über Hilfe bin ich wie immer sehr dankbar.
Bilder;VI sind erwünscht.


So wie im angefügten Bild (Messung 3 s lang) soll es am Ende aussehen

Gruß HCO


Angehängte Datei(en) Thumbnail(s)
   
Alle Beiträge dieses Benutzers finden
Diese Nachricht in einer Antwort zitieren to top
28.10.2015, 16:49 (Dieser Beitrag wurde zuletzt bearbeitet: 30.10.2015 10:40 von jg.)
Beitrag #50

jg Offline
CLA & CLED
LVF-Team

Beiträge: 15.864
Registriert seit: Jun 2005

20xx / 8.x
1999
EN

Franken...
Deutschland
RE: Stringtabelle
Bahn
Woher kommen jetzt 1444 große Datenarrays?
Wann willst du Daten wegschreiben?
Was wird denn innerhalb 1 Sekunde erfasst?

Du wünscht dir gerne VIs von uns, aber wie deine Messdatenerfassung aktuell aussieht, das verheimlichst du uns.

Gruß, Jens

Wer die erhabene Weisheit der Mathematik tadelt, nährt sich von Verwirrung. (Leonardo da Vinci)

!! BITTE !! stellt mir keine Fragen über PM, dafür ist das Forum da - andere haben vielleicht auch Interesse an der Antwort!

Einführende Links zu LabVIEW, s. GerdWs Signatur.
Alle Beiträge dieses Benutzers finden
Diese Nachricht in einer Antwort zitieren to top
30
Antwort schreiben 


Gehe zu: