INFO: Dieses Forum nutzt Cookies...
Cookies sind für den Betrieb des Forums unverzichtbar. Mit der Nutzung des Forums erklärst Du dich damit einverstanden, dass wir Cookies verwenden.

Es wird in jedem Fall ein Cookie gesetzt um diesen Hinweis nicht mehr zu erhalten. Desweiteren setzen wir Google Adsense und Google Analytics ein.


Antwort schreiben 

Synchronisation von 2 Messungen



Wenn dein Problem oder deine Frage geklärt worden ist, markiere den Beitrag als "Lösung",
indem du auf den "Lösung" Button rechts unter dem entsprechenden Beitrag klickst. Vielen Dank!

23.10.2006, 14:02
Beitrag #1

rene Offline
LVF-Gelegenheitsschreiber
**


Beiträge: 144
Registriert seit: Sep 2006

8.2
2006
kA


Deutschland
Synchronisation von 2 Messungen
Hallo,

Mein Versuchsaufbau:
Von meinem Zugmagenten erhalte ich über einen KRaftsensor dir Kraftwerte.Weiterhin die aktuelle Spannung und eine Ansteuerung über LV durch ein Inputsignal(Sägezähne ansteigend).

1.Ich habe ein Subvi (Kraftmessung) welches zwei Ausgänge hat:Daten (Kraft) und ein Booleanausgang(weil beim start ein konfigurationsfenster geöffnet wird wo man "ok" drücken muss wenn man fertig ist).

2.Ein DAQ welches ein Inputsignal liefert für meinen Aktor.

Nach drücken des "Ok" Buttons des dialogs KRaftsensorkonfiguration soll der Kraftsensor zeitgleich mit dem Inputsignal starten.Die erfassten Werte Kraft und Spannung sollen immer zum gleichen Zeitpunkt gemessen werden und damit wertepaare bilden.

Wie kann ich das prinzipiell bewerkstelligen?
Hab noch nicht so den Plan Blink

Danke

Rene
Alle Beiträge dieses Benutzers finden
Diese Nachricht in einer Antwort zitieren to top
Anzeige
23.10.2006, 17:03
Beitrag #2

A.Berndsen Offline
LVF-Team
LVF-Team

Beiträge: 2.437
Registriert seit: Feb 2005

8.2.1 - 2011
2004
DE

724xx
Deutschland
Synchronisation von 2 Messungen
' schrieb:Hab noch nicht so den Plan Blink

Ich auch nicht. Ich versteh das ganze leider nicht! Blink
Ein Kraftsensor soll mit einem Inputsignal starten? Wacko

Gruß
Andreas

Geht nicht, gibts nicht!
Alle Beiträge dieses Benutzers finden
Diese Nachricht in einer Antwort zitieren to top
23.10.2006, 22:44
Beitrag #3

eg Offline
LVF-SeniorMod


Beiträge: 3.868
Registriert seit: Nov 2005

2016
2003
kA

66111
Deutschland
Synchronisation von 2 Messungen
Ohne mich mit dem Thema zu befassen, sage ich einfach mal "Occurence" ist das Passende.

Gruss, Eugen

Webseite des Benutzers besuchen Alle Beiträge dieses Benutzers finden
Diese Nachricht in einer Antwort zitieren to top
24.10.2006, 06:25 (Dieser Beitrag wurde zuletzt bearbeitet: 24.10.2006 06:32 von Lucki.)
Beitrag #4

Lucki Offline
Tech.Exp.2.Klasse
LVF-Team

Beiträge: 7.699
Registriert seit: Mar 2006

LV 2016-18 prof.
1995
DE

01108
Deutschland
Synchronisation von 2 Messungen
' schrieb:Ohne mich mit dem Thema zu befassen, sage ich einfach mal "Occurence" ist das Passende.
Nein, braucht man nicht, es funktioniert gewöhnlich so:
1.)AI (Analog input) wird von seinem internem Timer bedient (=default), aber vorerst noch nicht gestartet.
2.)AO (Analog Output) wird vom "externen" Timer des AI mit getriggert.
3.)AO wird gestartet, kann aber noch nicht laufen, weil es noch keine AI-Timerimpulse gibt
4.)AI wird gestarter. Damit laufen AI und AO synchron los.
Die obige Reihenfolge wird durch den Fehlerstrang erzwungen, welcher Zickzackförmig zwischen AI und AO wechselt
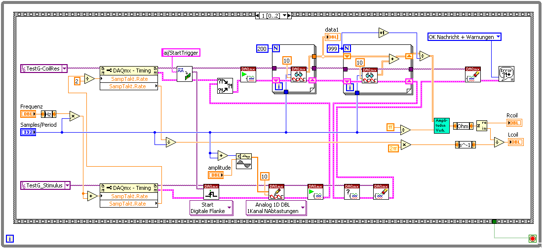
Ich gebe mal auf die Schnelle ein Beispiel mit, welches aus einem Originalprogramm von mir ist und wegen zusätzlicher Gymiks vielleicht nicht durchsschaubar ist. Aber das Prinzip sieht man doch. Besser sind die Beispiele von NI selbst, zu finden (glaube ich) unter DAQmx. Dort habe ich es auch abgeschaut.
Es funktioniert genau so, wenn die Rollen von AI und AO vertauscht sind. Es gibt auch ein Mikrotiming, allerdings nicht bei allen Karten (ich selbst hatte noch keine), um die AI-und AO Triggerimpulse phasenmäßig aufeinander abzustimmen.


Angehängte Datei(en) Thumbnail(s)
   
Alle Beiträge dieses Benutzers finden
Diese Nachricht in einer Antwort zitieren to top
24.10.2006, 08:12
Beitrag #5

rene Offline
LVF-Gelegenheitsschreiber
**


Beiträge: 144
Registriert seit: Sep 2006

8.2
2006
kA


Deutschland
Synchronisation von 2 Messungen
also ich versteh ehrlich gesagt nur bahnhof.ich bin da noch zu unerfahren leider!
was ist occuraence????

rene
Alle Beiträge dieses Benutzers finden
Diese Nachricht in einer Antwort zitieren to top
24.10.2006, 09:18
Beitrag #6

eg Offline
LVF-SeniorMod


Beiträge: 3.868
Registriert seit: Nov 2005

2016
2003
kA

66111
Deutschland
Synchronisation von 2 Messungen
' schrieb:also ich versteh ehrlich gesagt nur bahnhof.ich bin da noch zu unerfahren leider!
was ist occuraence????

rene

Occurences dienen zur Synchronisation zweier oder meherer Programmteile (Tasks). Occurence ist ins Deutsche übersetzt eine Handlung. Wenn also etwas in einem Programmteil passiert, dann setzt du ein Occurence(gibst also ein Signal, dass etwas püassiert ist) und in anderen Programmtelen wartest du auf dieses Signal. Wenn also das Signal da ist, dann startest du diese wartende Programmteile.

Gruss, Eugen

Aber wie gesagt, ich kenne mich mit Hardware und DAQ nicht so aus.

Webseite des Benutzers besuchen Alle Beiträge dieses Benutzers finden
Diese Nachricht in einer Antwort zitieren to top
Anzeige
24.10.2006, 09:33
Beitrag #7

rene Offline
LVF-Gelegenheitsschreiber
**


Beiträge: 144
Registriert seit: Sep 2006

8.2
2006
kA


Deutschland
Synchronisation von 2 Messungen
dank dir ist mal eugen.
Ich möchte halt auf meinen zugmagneten ein signal drauf geben.Wann dieses Signal losläuft (zum Ansteuern) dann soll zum gleichen zeitpunkt immer spannung und die über den kraftsensor ermittelte kraft gemessen werden.so das halt viele wertepaare entstehen (U,F).

Das bsp. von lucki ist mir leider zu kompliziert.

kann mir jemand grundlegend erklären wie ich vorgehen muss?

langt ein trigger signal für beide messkanäle(U und F) zum strart oder/und muss ich auch irgendwie noch timer setzen das die messungen gleichzeitig laufen...?

rene
Alle Beiträge dieses Benutzers finden
Diese Nachricht in einer Antwort zitieren to top
24.10.2006, 11:16 (Dieser Beitrag wurde zuletzt bearbeitet: 24.10.2006 11:22 von Lucki.)
Beitrag #8

Lucki Offline
Tech.Exp.2.Klasse
LVF-Team

Beiträge: 7.699
Registriert seit: Mar 2006

LV 2016-18 prof.
1995
DE

01108
Deutschland
Synchronisation von 2 Messungen
' schrieb:langt ein trigger signal für beide messkanäle(U und F) zum strart oder/und muss ich auch irgendwie noch timer setzen das die messungen gleichzeitig laufen...?
Zwei Messkanäle gleichzeitig laufen zu lassen ist das Einfachste was es gibt: In der DAQmx "Virtuellen Kanal erzeugen" die entsprechenden Kanäle eingeben und das wars schon. Da bin ich davon ausgegangen daß Du das weißt, und daß Dein Problem dieses ist:

Wie synchronisiert man AI und AO?

Wenn das weiterhin Dein Problem ist: Das ist zugegeben schon etwas für fortgeschrittene Benutzer, da ist nix mit Express-VI, und das läßt sich nicht auf die Schnelle nach ein paar Tips von dritter Seite beherrschen. Verliere dich dann nicht in solchen seitlichen Arabesken wie Occurences, sondern nimm die Beispiele von Labviev und experimentiere damit. Dazu brauchst Du auch ein Klemmenfeld, um Ausgang und Eingänge miteinander zu verbinden oder um z.B Abschwächer, RC-Glied oder dergl. zwischen Ausgang und Eingang reinzuhängen.

Wenn Du bei diesem Lernvorgang auf Fragen stößt, helfe ich gern. Es ist aber nicht möglich, von hier aus einen kompletten Lehrgang zu veranstalten.

Und wenn Du das vom Stand Null aus in zwei Wochen in den Griff bekommst, da mußt Du schon sehr gut sein.
Alle Beiträge dieses Benutzers finden
Diese Nachricht in einer Antwort zitieren to top
24.10.2006, 11:30
Beitrag #9

rene Offline
LVF-Gelegenheitsschreiber
**


Beiträge: 144
Registriert seit: Sep 2006

8.2
2006
kA


Deutschland
Synchronisation von 2 Messungen
danke dir lucki.ich hab jetzt via DAQ Assistent zwei kanäle erstellt.
Wie wird dort aber genau abgetastet?zu gleichen zeitpunkten?

danke!!


rene
Alle Beiträge dieses Benutzers finden
Diese Nachricht in einer Antwort zitieren to top
24.10.2006, 17:16
Beitrag #10

cb Offline
LVF-SeniorMod


Beiträge: 1.734
Registriert seit: Feb 2006

2018SP1
2001
EN

40xxx
Deutschland
Synchronisation von 2 Messungen
' schrieb:Das bsp. von lucki ist mir leider zu kompliziert.

kann mir jemand grundlegend erklären wie ich vorgehen muss?

da wirst du durch müssen. Lucki hat das genau richtig erklärt. Ähnliche "Aufbauten" findest du auch im Example Finder, wenn du nach Sync AI/AO guckst ...

mit Occurences wirst du in dem Zusammenhang nicht weiterkommen. Ein Software-Timing nützt übernaupt nichts, wenn man Samples synchronisieren möchte, da hilft nur Hardware-Timing ...

Grüße
CB

https://www.rotabench.com - Prüftechnik für Elektromotoren
Webseite des Benutzers besuchen Alle Beiträge dieses Benutzers finden
Diese Nachricht in einer Antwort zitieren to top
Antwort schreiben 


Möglicherweise verwandte Themen...
Themen Verfasser Antworten Views Letzter Beitrag
  Abfolge von Messungen simcum 10 8.760 11.09.2020 05:23
Letzter Beitrag: simcum
  Synchronisation mehrerer Geräte BenW 1 3.973 03.04.2016 11:19
Letzter Beitrag: IchSelbst
  Kritik zu meinem LabVIEW-Grundgerüst für einfache Messungen mit endlicher Ausgabe lumaxo 0 3.568 13.02.2015 13:38
Letzter Beitrag: lumaxo
  "Ringbuffer overflow" bei Synchronisation von analog und digital Signal MNLF 14 13.907 20.01.2014 12:15
Letzter Beitrag: MNLF
  Synchronisation atul 6 7.292 28.09.2013 19:48
Letzter Beitrag: Trinitatis
  Synchronisation mit Queues Masterg4941 9 9.814 25.09.2013 12:24
Letzter Beitrag: GerdW

Gehe zu: