INFO: Dieses Forum nutzt Cookies...
Cookies sind für den Betrieb des Forums unverzichtbar. Mit der Nutzung des Forums erklärst Du dich damit einverstanden, dass wir Cookies verwenden.

Es wird in jedem Fall ein Cookie gesetzt um diesen Hinweis nicht mehr zu erhalten. Desweiteren setzen wir Google Adsense und Google Analytics ein.


Antwort schreiben 

Synchronisierung von Analog- mit Digital-Output



Wenn dein Problem oder deine Frage geklärt worden ist, markiere den Beitrag als "Lösung",
indem du auf den "Lösung" Button rechts unter dem entsprechenden Beitrag klickst. Vielen Dank!

17.06.2008, 08:54
Beitrag #1

Zschieg Offline
LVF-Grünschnabel
*


Beiträge: 14
Registriert seit: May 2008

7.1
2008
de_en

01187
Deutschland
Synchronisierung von Analog- mit Digital-Output
Hallo!

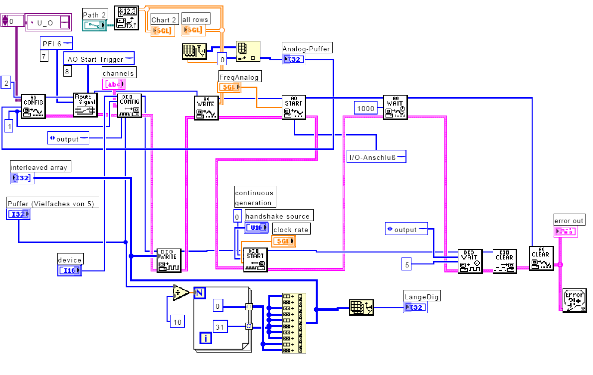
Ich möchte mit einem VI das Problem lösen, ein vorbestimmtes Analog-Signal (Ausgabe über PCI-Multikarte 6071E) mit dem Starten eines vorbestimmten und veränderlichen Digital-Signals (Ausgabe über DIO32HS) zu starten und zu triggern - also zu synchronisieren. So könnte ich im zeitlichen Verlauf an bestimmten Stellen die Impulsweite sowie Frequenz ändern.

Ich verwende die LabVIEW-Version 6.1 (engl/deu).

Dazu habe ich schon ein wenig mit dem VI RouteSignal herumexperimentiert und schleife das Digital-Signal von der Digital-Karte auf einen freien PFI der Multikarte. Das Digital-Signal kommt auch an, aber leider startet das Analog-Signal nicht.

Ich wäre sehr dankbar über jede Hilfe!!!Smile


PS: Ich werde später am heutigen Tag noch ein Versuchs-VI hochladen.
Alle Beiträge dieses Benutzers finden
Diese Nachricht in einer Antwort zitieren to top
Anzeige
17.06.2008, 12:48
Beitrag #2

Zschieg Offline
LVF-Grünschnabel
*


Beiträge: 14
Registriert seit: May 2008

7.1
2008
de_en

01187
Deutschland
Synchronisierung von Analog- mit Digital-Output
...so hier nun das VI und Bilder von Panel und Blockdiagramm.

Ich hoffe Ihr könnt mir weiterhelfen, vielen Dank!


Sonstige .vi  VersuchSynchrAnaDig.vi (Größe: 243,58 KB / Downloads: 327)
LV v6.1


Sonstige .pdf  VersuchBlockdiagramm.pdf (Größe: 57,97 KB / Downloads: 375)


Angehängte Datei(en)
Sonstige .pdf  VersuchPanel.pdf (Größe: 57,67 KB / Downloads: 284)
Alle Beiträge dieses Benutzers finden
Diese Nachricht in einer Antwort zitieren to top
17.06.2008, 13:45 (Dieser Beitrag wurde zuletzt bearbeitet: 17.06.2008 19:48 von jg.)
Beitrag #3

jg Offline
CLA & CLED
LVF-Team

Beiträge: 15.864
Registriert seit: Jun 2005

20xx / 8.x
1999
EN

Franken...
Deutschland
Synchronisierung von Analog- mit Digital-Output
NoNo

Bitte, lade deine Screenshots als Bilder (am besten PNG oder alternativ JPG) hoch, dann werden Sie gleich im Browser angezeigt und ich muss nicht erst umständlich und langwierig Acrobat Reader starten, um das anzuschauen. Das nervt nämlich...

Es gibt genügend Progrämmchen, um Screenshots zu erstellen, siehe Link oben.

MfG, Jens

Wer die erhabene Weisheit der Mathematik tadelt, nährt sich von Verwirrung. (Leonardo da Vinci)

!! BITTE !! stellt mir keine Fragen über PM, dafür ist das Forum da - andere haben vielleicht auch Interesse an der Antwort!

Einführende Links zu LabVIEW, s. GerdWs Signatur.
Alle Beiträge dieses Benutzers finden
Diese Nachricht in einer Antwort zitieren to top
18.06.2008, 12:30
Beitrag #4

Zschieg Offline
LVF-Grünschnabel
*


Beiträge: 14
Registriert seit: May 2008

7.1
2008
de_en

01187
Deutschland
Synchronisierung von Analog- mit Digital-Output
Danke für den Hinweis!Smile

Hier sind nun die Abbildungen als png-Dateien. Ich habe nun mittlerweile auch versucht das Problem über das AO Trig Config.Vi zu lösen, leider bisher ohne Erfolg...Sad


Angehängte Datei(en) Thumbnail(s)
       
Alle Beiträge dieses Benutzers finden
Diese Nachricht in einer Antwort zitieren to top
20.06.2008, 15:06
Beitrag #5

Zschieg Offline
LVF-Grünschnabel
*


Beiträge: 14
Registriert seit: May 2008

7.1
2008
de_en

01187
Deutschland
Synchronisierung von Analog- mit Digital-Output
Also das Starten und Triggern funktioniert jetzt, leider habe ich noch nicht herausgefunden, wie ich über die Taktquelle bei AO Start die Frequenz des AO-Signals vorgebe. Über PFI 5, wie im Beispiel von ni.com angegeben funktioniert es irgendwie nicht.

Viele Grüße, Lutz
Alle Beiträge dieses Benutzers finden
Diese Nachricht in einer Antwort zitieren to top
22.06.2008, 14:16
Beitrag #6

Joachim.Franck Offline
LVF-Grünschnabel
*


Beiträge: 42
Registriert seit: Apr 2008

8.5
2008
de

1259
Deutschland
Synchronisierung von Analog- mit Digital-Output
Servus,

also das Problem haben wir auch gehabt bzw. haben wir noch, allerdings mit der PCI6052E (ist ja auch die E-Serie). Laut NI-Support kann ich das Anaologsignal zwar extern Timen, die feste Abtastrate die du angeben musst bleibt aber bestehen. D.h., dass du nie ein richtiges getimtes Signal herausbekommen kannst, da du die vorzugebende Abtastrate nicht Timen kannst!


Falls ich falsch liege, verbessert mich Rolleyes

Grüße Joachim
Alle Beiträge dieses Benutzers finden
Diese Nachricht in einer Antwort zitieren to top
04.07.2008, 08:14
Beitrag #7

Zschieg Offline
LVF-Grünschnabel
*


Beiträge: 14
Registriert seit: May 2008

7.1
2008
de_en

01187
Deutschland
Synchronisierung von Analog- mit Digital-Output
Hallo Joachim,

ja, da muss ich Dir Recht geben.

Dazu habe ich aber noch eine Idee:
Man gibt eine feste Frequenz ein bzw. gibt diese über ein externes Signal vor. Damit ist eine feste Anzahl von Stützstellen vorgegeben. Danach erstellt man den Spannungsverlauf als Array (dieses Array könnte extern als Datei erstellt werden) und variiert die Frequenz des Verlaufes über die Stützstellen.

Beispiel
vorgegebene Frequenz: 1000Hz = 1ms (Stützstelle)
gewollte Frequenz von 500Hz bei U = 50 V bei einer Rampe 40 bis 60 V
40 V, t = 1ms
...49 V, t = 10ms
50 V, t = 11ms
50 V, t = 12ms
51 V, t = 13ms
...60 V, t = 22ms

Wäre das nicht eine Möglichkeit?Unsure

Viele Grüße Smile

Lutz
Alle Beiträge dieses Benutzers finden
Diese Nachricht in einer Antwort zitieren to top
30
Antwort schreiben 


Möglicherweise verwandte Themen...
Themen Verfasser Antworten Views Letzter Beitrag
  Analog Output: hardware getaktet Output gleichzeitig mit on demand output kwakz 5 7.468 05.03.2021 10:04
Letzter Beitrag: jg
  Synchronisierung von Analogen Signalen mit digitalem Encoder Benj1man 8 8.725 12.05.2020 10:38
Letzter Beitrag: Benj1man
  Analog Output eines 1D-DBL-Arrays Kyuuu 2 5.940 29.03.2017 11:26
Letzter Beitrag: Lucki
  Output Input Synchronisierung MatzeK95 4 9.149 15.04.2016 15:15
Letzter Beitrag: MatzeK95
  Analog Eingang triggern nach Digital Ausgang cobain2004 0 4.849 28.11.2014 13:49
Letzter Beitrag: cobain2004
  configure digital output regeneration with 6533 rcatxi2 1 4.616 21.11.2014 15:59
Letzter Beitrag: jg

Gehe zu: