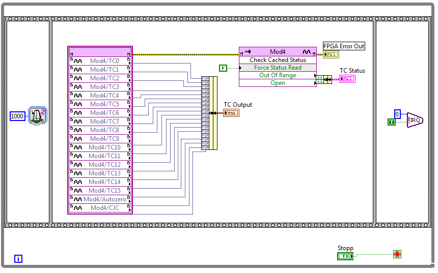
ich kenn jetzt das 9213 nicht, aber mir fällt auf, dass die FPGA-Schleife "ungebremst" läuft.
ich würde an deiner Stelle mal testen wie schnell die FPGA-SChleife läuft. Bremst die FPGA-IO Node die Schleife wirklich auf 75 Hz runter (=max. Sample-Rate des 9213)? Wenn nicht, dann würde die Schleife mit vermutlich min 1 MHz einen IRQ spammen, und dann mag der Controller nicht mehr ...
der cRIO Controller ist OK, wenn du ihn starten und deine VIs drauf laufen lassen kannst. Macht er das nicht, ist er entweder falsch konfiguriert oder kaputt. Da du ja damit arbeiten kannst würde ich sagen, dein Controller ist - trotz des hohen Alters

- noch absolut fit
viele Grüße
cb