INFO: Dieses Forum nutzt Cookies...
Cookies sind für den Betrieb des Forums unverzichtbar. Mit der Nutzung des Forums erklärst Du dich damit einverstanden, dass wir Cookies verwenden.

Es wird in jedem Fall ein Cookie gesetzt um diesen Hinweis nicht mehr zu erhalten. Desweiteren setzen wir Google Adsense und Google Analytics ein.


Antwort schreiben 

Temperatursensor in Ladegerät integrieren



Wenn dein Problem oder deine Frage geklärt worden ist, markiere den Beitrag als "Lösung",
indem du auf den "Lösung" Button rechts unter dem entsprechenden Beitrag klickst. Vielen Dank!

10.07.2014, 14:27
Beitrag #1

Titus85 Offline
LVF-Gelegenheitsschreiber
**


Beiträge: 78
Registriert seit: Jul 2014

2019
2014
DE


Deutschland
Temperatursensor in Ladegerät integrieren
Hallo,

ich möchte gerne folgendes umsetzen:

ich mit Labview eine Software für ein Ladegerät geschrieben (Chroma 62001B 6-1) welche auch wunderbar funktioniert, jetzt will ich jedoch die Batterietemperatur während des Ladevorgangs in mein Protokoll aufnehmen und da stellen sich folgende Fragen:

1. Welchen Temperatursensor soll ich nehmen? Gut wäre eine Auflösung von 0,1°C, der Bereich sollte so von -50 bis +100°C gehen. .... also ich muss gestehe ich habe noch gar keine Ahnung... also ich weiß nicht wer in dem Bereich ein namenhafter Hersteller ist, ich kenne die Preise nicht, ich kenne die Messbereiche und die Genauigkeiten nur grob, wäre also nett wenn ihr mich kurz aufklären könntet.


2. Das Interface über welches dass Ladegerät läuft ist das NI USB 8473.... das Ladegerät hat zwei CAN Anschlüsse, auf einem sitzt das Interface..... könnte ich nicht einen CAN fähigen Sensor einfach so auf den BUS schalten???... oder ist das grober Unfug?

Ok bis hierhin erstmal ......... Angel_not

Gruß Titus
Alle Beiträge dieses Benutzers finden
Diese Nachricht in einer Antwort zitieren to top
Anzeige
14.07.2014, 11:31
Beitrag #2

Titus85 Offline
LVF-Gelegenheitsschreiber
**


Beiträge: 78
Registriert seit: Jul 2014

2019
2014
DE


Deutschland
RE: Temperatursensor in Ladegerät integrieren
push it
Alle Beiträge dieses Benutzers finden
Diese Nachricht in einer Antwort zitieren to top
14.07.2014, 11:48 (Dieser Beitrag wurde zuletzt bearbeitet: 14.07.2014 11:50 von GerdW.)
Beitrag #3

GerdW Offline
______________
LVF-Team

Beiträge: 17.531
Registriert seit: May 2009

LV2019 (LV2021)
1995
DE_EN

10×××
Deutschland
RE: Temperatursensor in Ladegerät integrieren
Hallo Titus,

1. Brauchst du diese Auflösung - oder meinst du Genauigkeit?

2. Du kannst natürlich einen CAN-Bus-fähigen Sensor anschließen, entweder am (durchgeschliffenen?) CAN-Port des Gerätes oder "direkt" an den CAN-Bus (der ja "multi-teilnehmer"-fähig ist). Solche gibt es - ist alles nur eine Preisfrage. Außerdem gibt es Hardware wie diese hier… (Außerdem könntest du dir mit dieser Lösung die Anschaffung weiterer DAQ-Hardware ersparen.)

Alle Beiträge dieses Benutzers finden
Diese Nachricht in einer Antwort zitieren to top
24.07.2014, 12:05 (Dieser Beitrag wurde zuletzt bearbeitet: 24.07.2014 12:06 von Titus85.)
Beitrag #4

Titus85 Offline
LVF-Gelegenheitsschreiber
**


Beiträge: 78
Registriert seit: Jul 2014

2019
2014
DE


Deutschland
RE: Temperatursensor in Ladegerät integrieren
Also ich habe folgenden Sensor http://www.microcontrol.net/produkte/mod...i-box.html (mit einem PT 100) dafür wurde ein Programm erstellt welches dazu fähig ist die Temperatur anzuzeigen.... das ganze läuft über das USB Interface NI USB-8473........

Das große Problem liegt nun darin.... über das Interface soll auch noch das Ladeprogramm laufen..... jetzt kann ich sie aber nicht gleichzeitig laufen lassen da die sich sonst gegenseitig behindern und es kommt nur Mist bei rum ….. alles reagiert wenn überhaupt nur verzögert….

… ist ja auch klar ich muss ja durch die Arbitrierung festlegen wer wann zugreifen darf….. aber das ist mir atm echt zu hoch….

Wo soll ich denn da ansetzen… ?
Alle Beiträge dieses Benutzers finden
Diese Nachricht in einer Antwort zitieren to top
24.07.2014, 12:56
Beitrag #5

GerdW Offline
______________
LVF-Team

Beiträge: 17.531
Registriert seit: May 2009

LV2019 (LV2021)
1995
DE_EN

10×××
Deutschland
RE: Temperatursensor in Ladegerät integrieren
Hallo Titus,

was spricht dagegen, die komplette CAN-Kommunikation in ein Programm zu packen?
Die MicroControl-Boxen sind doch sehr einfach zu handhaben, ich betreibe hier einige 8PWM-Boxen…

Erstelle dir eine CAN-Datenbank, in der du alle Messages für deine beiden Geräte zusammenfasst und betreibe das dann über das CAN-Modul!

Das man nicht von zwei Programmen aus auf die gleiche selbe Schnittstelle exklusiv zugreifen kann, ergibt sich doch von selbst…

Alle Beiträge dieses Benutzers finden
Diese Nachricht in einer Antwort zitieren to top
25.07.2014, 06:13 (Dieser Beitrag wurde zuletzt bearbeitet: 25.07.2014 06:24 von Titus85.)
Beitrag #6

Titus85 Offline
LVF-Gelegenheitsschreiber
**


Beiträge: 78
Registriert seit: Jul 2014

2019
2014
DE


Deutschland
Wink RE: Temperatursensor in Ladegerät integrieren
Normalerweise würde ich Dir zustimmen, jedoch ist ja der Witz am CAN dass auf Grund der Priorität endschieden wird wer gerade zugreifen darf… sagen wir mal so wenn es funktioniert hätte wäre ich nicht aus allen Wolken gefallen….

Was dagegen spricht die gesamte CAN Kommunikation in ein Programm zu packen…… meine zweimonatige Labview Erfahrung würde ich sagen .. :-) … ich stehe momentan wie der Ochs vorm Berg und weiß nicht wie ich anfangen soll.
Ein Beispielprogramm wäre zum Beispiel ganz nett…..oder andere Hilfestellungen.


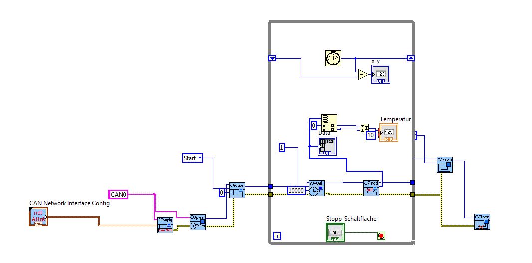
Nachtrag: Hab mal zwei Bilder hochgeladen..... Bild 1 ist das Hauptprogramm, markiert sind die VIs die mit dem CAN kommunizieren, Bild zwei soll störungsfrei integriert werden...


Angehängte Datei(en) Thumbnail(s)
       
Alle Beiträge dieses Benutzers finden
Diese Nachricht in einer Antwort zitieren to top
Anzeige
25.07.2014, 08:09 (Dieser Beitrag wurde zuletzt bearbeitet: 25.07.2014 08:16 von GerdW.)
Beitrag #7

GerdW Offline
______________
LVF-Team

Beiträge: 17.531
Registriert seit: May 2009

LV2019 (LV2021)
1995
DE_EN

10×××
Deutschland
RE: Temperatursensor in Ladegerät integrieren
Hallo Titus,

tolle Bilder - und nun? (Von Aufräumen in BDs hälst du nicht viel, oder?)

Beim ersten sieht man leider nicht, wie der CAN-Bus benutzt wird bzw. mit welchen Funktionen. Dafür werden dort wunderbare RaceConditions gezüchtet…
Beim zweiten werden die "Basic"-CAN-Funktionen genutzt…

Die MicroControl-Boxen sprechen alle CANopen - zumindest sollte man sie damit (einmalig) initialisieren. Danach kann man gern einen PDO als einfache CAN-Message einlesen. Wie dein anderes Gerät funktioniert, ist nicht ersichtlich…

Alle Beiträge dieses Benutzers finden
Diese Nachricht in einer Antwort zitieren to top
25.07.2014, 08:46
Beitrag #8

Titus85 Offline
LVF-Gelegenheitsschreiber
**


Beiträge: 78
Registriert seit: Jul 2014

2019
2014
DE


Deutschland
RE: Temperatursensor in Ladegerät integrieren
Hier .... im VI Tree sollte man sehen wie es funktioniert....


Angehängte Datei(en)
12.0 .llb  62000B Series for NI USB 8473 Driver.llb (Größe: 520,63 KB / Downloads: 269)
Alle Beiträge dieses Benutzers finden
Diese Nachricht in einer Antwort zitieren to top
25.07.2014, 08:48
Beitrag #9

GerdW Offline
______________
LVF-Team

Beiträge: 17.531
Registriert seit: May 2009

LV2019 (LV2021)
1995
DE_EN

10×××
Deutschland
RE: Temperatursensor in Ladegerät integrieren
Hallo Titus,

und das Ganze bitte auch in LV2011…

Alle Beiträge dieses Benutzers finden
Diese Nachricht in einer Antwort zitieren to top
25.07.2014, 08:53 (Dieser Beitrag wurde zuletzt bearbeitet: 25.07.2014 08:55 von Titus85.)
Beitrag #10

Titus85 Offline
LVF-Gelegenheitsschreiber
**


Beiträge: 78
Registriert seit: Jul 2014

2019
2014
DE


Deutschland
RE: Temperatursensor in Ladegerät integrieren
........................ und das sind fertige VIs vom Hersteller die werden doch die RaceConditions berücksichtigt haben .....


Angehängte Datei(en)
11.0 .llb  62000B Series for NI USB 8473 Driver.llb (Größe: 476,81 KB / Downloads: 278)
Alle Beiträge dieses Benutzers finden
Diese Nachricht in einer Antwort zitieren to top
30
Antwort schreiben 


Möglicherweise verwandte Themen...
Themen Verfasser Antworten Views Letzter Beitrag
  Integrieren von Gerätetreiber VI Alf1 3 6.568 26.11.2009 10:01
Letzter Beitrag: Y-P

Gehe zu: