INFO: Dieses Forum nutzt Cookies...
Cookies sind für den Betrieb des Forums unverzichtbar. Mit der Nutzung des Forums erklärst Du dich damit einverstanden, dass wir Cookies verwenden.

Es wird in jedem Fall ein Cookie gesetzt um diesen Hinweis nicht mehr zu erhalten. Desweiteren setzen wir Google Adsense und Google Analytics ein.


Antwort schreiben 

Dieses Thema hat akzeptierte Lösungen:

Temperaturverlauf



Wenn dein Problem oder deine Frage geklärt worden ist, markiere den Beitrag als "Lösung",
indem du auf den "Lösung" Button rechts unter dem entsprechenden Beitrag klickst. Vielen Dank!

15.01.2014, 14:46
Beitrag #1

dbuckl Offline
LVF-Gelegenheitsschreiber
**


Beiträge: 190
Registriert seit: Sep 2013

10
2013
DE


Deutschland
Temperaturverlauf
Hi Leute,

ich steh gerade voll aufm Schlauch, möchte aus nacheinander eingeholten Temperaturmesswerten ein Verlauf im Graph anzeigen aber ich hab irgendwie vergessen wie ich das mache?
Hab das eigentlich schonmal gemacht aber bin gerade irgendwie am verzweifeln. Könnt ihr mir kurz helfen? Bild ist im Anhang

Gruß Domi


Angehängte Datei(en) Thumbnail(s)
   
Alle Beiträge dieses Benutzers finden
Diese Nachricht in einer Antwort zitieren to top
Anzeige
15.01.2014, 15:04
Beitrag #2

Trinitatis Offline
LVF-Guru
*****


Beiträge: 1.694
Registriert seit: May 2008

7.1 / 8.0 /2014-1, 18
2002
DE

18055
Deutschland
RE: Temperaturverlauf
Hallo,

im einfachsten Fall nimmst du einfach einen Verlaufsgraph und schreibst deinen Temperaturwert innerhalb der großen Schleife in diesen.

Gruß, Marko
Alle Beiträge dieses Benutzers finden
Diese Nachricht in einer Antwort zitieren to top
15.01.2014, 15:11
Beitrag #3

jg Offline
CLA & CLED
LVF-Team

Beiträge: 15.864
Registriert seit: Jun 2005

20xx / 8.x
1999
EN

Franken...
Deutschland
RE: Temperaturverlauf
LabVIEW 101:
   

Gruß, Jens

@Marko: Du meinst wohl Verlaufsdiagramm bzw. Chart!

Wer die erhabene Weisheit der Mathematik tadelt, nährt sich von Verwirrung. (Leonardo da Vinci)

!! BITTE !! stellt mir keine Fragen über PM, dafür ist das Forum da - andere haben vielleicht auch Interesse an der Antwort!

Einführende Links zu LabVIEW, s. GerdWs Signatur.
Alle Beiträge dieses Benutzers finden
Diese Nachricht in einer Antwort zitieren to top
15.01.2014, 15:35
Beitrag #4

Trinitatis Offline
LVF-Guru
*****


Beiträge: 1.694
Registriert seit: May 2008

7.1 / 8.0 /2014-1, 18
2002
DE

18055
Deutschland
RE: Temperaturverlauf

Akzeptierte Lösung

(15.01.2014 15:11 )jg schrieb:  @Marko: Du meinst wohl Verlaufsdiagramm bzw. Chart!

Na klaaar!

Da kanner doch einfach die Historie setzen und muss sich noch nicht mal den Graph über ein Shiftregister zusammenbasteln.
Im Grunde kann Domi das Verlaufsdiagramm doch einfach in seiner Schleife an das Temperaturteminal hängen - und fertig is.


Gruß, Marko
Alle Beiträge dieses Benutzers finden
Diese Nachricht in einer Antwort zitieren to top
15.01.2014, 16:05
Beitrag #5

dbuckl Offline
LVF-Gelegenheitsschreiber
**


Beiträge: 190
Registriert seit: Sep 2013

10
2013
DE


Deutschland
RE: Temperaturverlauf
Top vielen dank! Big Grin
Alle Beiträge dieses Benutzers finden
Diese Nachricht in einer Antwort zitieren to top
27.01.2014, 12:32
Beitrag #6

dbuckl Offline
LVF-Gelegenheitsschreiber
**


Beiträge: 190
Registriert seit: Sep 2013

10
2013
DE


Deutschland
RE: Temperaturverlauf
Kann man eigentlich in einen Chart auch so eine Art Cursor einblenden lassen? Ich lasse mir hier gerade den istWert-Verlauf einer Regelung anzeigen und würde mir gerne noch den
statischen Sollwert als Gerade einblenden z.B. Solltemperatur hat bei 80°C im Graph ne blaue Gerade, damit man die Überschwinger gleich erkennen kann.
Wenns so nicht geht dann doch in nen Graphen? wie mach ich das mit der Zeit hab als einzigen Anhaltspunkt die Zeit eines Schleifendurchlaufes (160ms), in dem Chart werden ja momentan nur die Anzahl der Schleifendurchläufe angezeigt.

Gruß Domi


Angehängte Datei(en) Thumbnail(s)
   
Alle Beiträge dieses Benutzers finden
Diese Nachricht in einer Antwort zitieren to top
Anzeige
27.01.2014, 12:40 (Dieser Beitrag wurde zuletzt bearbeitet: 27.01.2014 12:43 von GerdW.)
Beitrag #7

GerdW Offline
______________
LVF-Team

Beiträge: 17.540
Registriert seit: May 2009

LV2019 (LV2021)
1995
DE_EN

10×××
Deutschland
RE: Temperaturverlauf
Hallo domi,

Zitat:Kann man eigentlich in einen Chart auch so eine Art Cursor einblenden lassen?
Nein.

Zitat:Wenns so nicht geht dann doch in nen Graphen?
Ja.

Zitat:würde mir gerne noch den statischen Sollwert als Gerade einblenden
Erstell doch beim Chart einfach einen zweiten Plot…

Zitat:wie mach ich das mit der Zeit hab als einzigen Anhaltspunkt die Zeit eines Schleifendurchlaufes (160ms)
Was hat die Zeit mit der Temperaturanzeige zu tun? Hmm
Nur weil da "Time" an der X-Achse steht, muss das keine Zeit sein. Das ist erst einmal nur eine Achsenbezeichnung…

Alle Beiträge dieses Benutzers finden
Diese Nachricht in einer Antwort zitieren to top
28.01.2014, 12:23
Beitrag #8

dbuckl Offline
LVF-Gelegenheitsschreiber
**


Beiträge: 190
Registriert seit: Sep 2013

10
2013
DE


Deutschland
RE: Temperaturverlauf
@GerdW: ja ich weiß das die "Time"-Achse hier nur so benannt wurde aber mir momentan nur die Iterationen anzeigt, das ist genau mein Problem ich würde mir hier gerne die exakte Zeit anzeigen lassen, wie bringe ich denn das am besten in einen Graphen? Mit 160ms habe ich nur gemeint das ich die Durchlaufzeit die meine beiden schleifen durch die syncronisation mit dem Melder brauchen nun etwa genau 160ms ist, keine Ahnung ob das überhaupt benötigt wird.

Um das ganze in einen Graphen zu schreiben müsste ich die Werte mit Zeitinformation ja nun irgendwie in ein Array schreiben oder? Aber wo bekomme ich die Zeit informationen her? Ansonsten einfach über Shift-Register die werte sammeln? Wie mache ich das als Sub-VI da möchte ich ja keine extra Whilschleife verbauen?

Tut mir leid bin etwas verwirrt darüber wie ich das umsetzten kann. Ich bräuchte das um die wichtigen Zeiten der Regelung zu ermitteln also Einschwingzeit etc.
Gruß Domi
Alle Beiträge dieses Benutzers finden
Diese Nachricht in einer Antwort zitieren to top
28.01.2014, 12:43 (Dieser Beitrag wurde zuletzt bearbeitet: 28.01.2014 12:44 von GerdW.)
Beitrag #9

GerdW Offline
______________
LVF-Team

Beiträge: 17.540
Registriert seit: May 2009

LV2019 (LV2021)
1995
DE_EN

10×××
Deutschland
RE: Temperaturverlauf
Hallo Domi,

da du anscheinend nur Einzelwerte vom Messgerät abfragst und somit keine (wirklich) zeitäquidistanten Werte erhälst, würde ich dir den XY-Graph empfehlen. Du musst dann die Messwerte sowie den jeweiligen Timestamp der Messung in einem Schieberegister sammeln:
   

Falls deine Messwerterfassung halbwegs konstante Zeitintervalle verwendet, kannst du die Daten auch in einem Waveform sammeln, das könnte Datensammlung und -anzeige vereinfachen…

Alle Beiträge dieses Benutzers finden
Diese Nachricht in einer Antwort zitieren to top
29.01.2014, 09:35
Beitrag #10

dbuckl Offline
LVF-Gelegenheitsschreiber
**


Beiträge: 190
Registriert seit: Sep 2013

10
2013
DE


Deutschland
RE: Temperaturverlauf
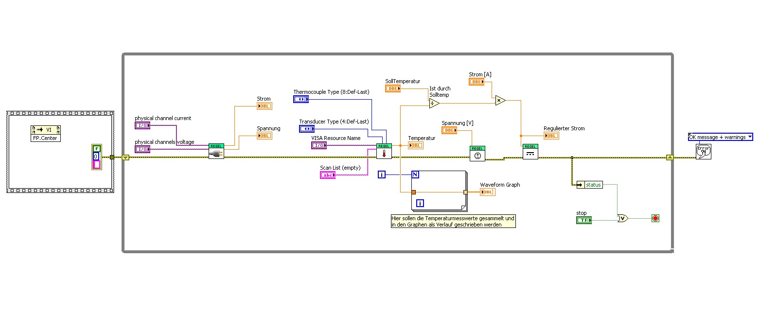
@GerdW: kann sein das ich mich mal wieder blöd anstelle, aber irgendwie verstehe ich dein Beispiel nicht so ganz bzw. wo ich es einbauen soll und dann meine Werte hineinkommen. Hier mal ein Bild meines SubVI in dem die Temperaturermittlung stattfindet über SCPI befehle an das Agilent. Am Ende wird mir für jeden Schleifendurchgang des Hauptprogramms ein DBL wert der Temperatur angezeigt. Das schreiben in einen Graphen mit Zeit würde ich gerne auch noch in das SubVI basteln.

Aber wenn ich die Werte in ein Array einlese (Build Array) dann wird nur der erste Arrayplatz immer wieder neu beschrieben, also eine Whileschleife um das ganze mit Shiftregistern und dann in ein Array? Oke das wäre dann sogar schon mal deinem Beispiel etwas ähnlich, aber ich verstehe immer noch nicht wo ich da meine Werte einlese und was du mit der Wait Funktion in der Schleife machst ist mir auch nicht ganz klar. Blink


Angehängte Datei(en) Thumbnail(s)
   

11.0 .vi  TmonitorI.vi (Größe: 25,58 KB / Downloads: 256)
Alle Beiträge dieses Benutzers finden
Diese Nachricht in einer Antwort zitieren to top
30
Antwort schreiben 


Möglicherweise verwandte Themen...
Themen Verfasser Antworten Views Letzter Beitrag
  Temperaturverlauf über 24Std darstellen LabMic 0 3.501 24.12.2006 18:06
Letzter Beitrag: LabMic

Gehe zu: