INFO: Dieses Forum nutzt Cookies...
Cookies sind für den Betrieb des Forums unverzichtbar. Mit der Nutzung des Forums erklärst Du dich damit einverstanden, dass wir Cookies verwenden.

Es wird in jedem Fall ein Cookie gesetzt um diesen Hinweis nicht mehr zu erhalten. Desweiteren setzen wir Google Adsense und Google Analytics ein.


Antwort schreiben 

Textfarbe im Array ändern



Wenn dein Problem oder deine Frage geklärt worden ist, markiere den Beitrag als "Lösung",
indem du auf den "Lösung" Button rechts unter dem entsprechenden Beitrag klickst. Vielen Dank!

13.02.2008, 08:30
Beitrag #1

D3nnis.C Offline
LVF-Gelegenheitsschreiber
**


Beiträge: 66
Registriert seit: Nov 2007

8.2
2007
kA

41748
Deutschland
Textfarbe im Array ändern
Hallo, ich möchte gern einzelne Reihen in meinem Array die TXt Farbe ändern, lieder kommich nciht weiter, das habe ich schon probiert.
   
Ich hab auch schon an so etwas in der art gedacht, aber komm nicht weiter. Vielleicht hat ja jmd einen Idee
   

Dennis

LV 8.2


Angehängte Datei(en)
Sonstige .vi  Untitled_14.vi (Größe: 17,46 KB / Downloads: 330)
Alle Beiträge dieses Benutzers finden
Diese Nachricht in einer Antwort zitieren to top
Anzeige
13.02.2008, 09:05
Beitrag #2

Achim Offline
*****
*****


Beiträge: 4.226
Registriert seit: Nov 2005

20xx
2000
EN

978xx
Deutschland
Textfarbe im Array ändern
Hi,

ich glaube nicht, daß das so geht...du könntest aber eine Tabelle oder eine MulticolumnListbox nehmen (Inhalt = 2D-String-Array), dort kannst du mit ActiveCell auf einzelne Zellen zugreifen...

A.

"Is there some mightier sage, of whom we have yet to learn?"

"Opportunity is missed by most people because it is dressed in overalls and looks like work." (Thomas Edison)
Alle Beiträge dieses Benutzers finden
Diese Nachricht in einer Antwort zitieren to top
13.02.2008, 13:47
Beitrag #3

jg Offline
CLA & CLED
LVF-Team

Beiträge: 15.864
Registriert seit: Jun 2005

20xx / 8.x
1999
EN

Franken...
Deutschland
Textfarbe im Array ändern
Hier der Screenshot der LV-Hilfe, der Achims Aussage bestätigt.

MfG, Jens


Angehängte Datei(en) Thumbnail(s)
   

Wer die erhabene Weisheit der Mathematik tadelt, nährt sich von Verwirrung. (Leonardo da Vinci)

!! BITTE !! stellt mir keine Fragen über PM, dafür ist das Forum da - andere haben vielleicht auch Interesse an der Antwort!

Einführende Links zu LabVIEW, s. GerdWs Signatur.
Alle Beiträge dieses Benutzers finden
Diese Nachricht in einer Antwort zitieren to top
13.02.2008, 22:19
Beitrag #4

D3nnis.C Offline
LVF-Gelegenheitsschreiber
**


Beiträge: 66
Registriert seit: Nov 2007

8.2
2007
kA

41748
Deutschland
Textfarbe im Array ändern
Ok, danke für die antworten. DAnn uss ich es halt mit multicolumn machen
Dennis
Alle Beiträge dieses Benutzers finden
Diese Nachricht in einer Antwort zitieren to top
14.02.2008, 08:24
Beitrag #5

D3nnis.C Offline
LVF-Gelegenheitsschreiber
**


Beiträge: 66
Registriert seit: Nov 2007

8.2
2007
kA

41748
Deutschland
Textfarbe im Array ändern
' schrieb:Ok, danke für die antworten. DAnn uss ich es halt mit multicolumn machen
Dennis

Ich hab es jetzt mit multicolumn gemacht, aber bei 1400 zeilen braucht das programm fast 3 minuten, mache ich etwas falsch?
   

Version 8.2.1


Angehängte Datei(en)
Sonstige .txt  sproeimaps.txt (Größe: 58,61 KB / Downloads: 304)

Sonstige .vi  Untitled_14.vi (Größe: 56,25 KB / Downloads: 287)
Alle Beiträge dieses Benutzers finden
Diese Nachricht in einer Antwort zitieren to top
14.02.2008, 08:36
Beitrag #6

Achim Offline
*****
*****


Beiträge: 4.226
Registriert seit: Nov 2005

20xx
2000
EN

978xx
Deutschland
Textfarbe im Array ändern
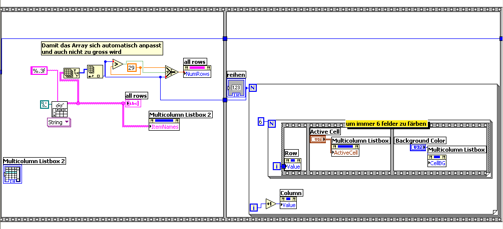
' schrieb:Ich hab es jetzt mit multicolumn gemacht, aber bei 1400 zeilen braucht das programm fast 3 minuten, mache ich etwas falsch?

Versuch's mal so...aber das Färben dauert schon recht lange, weil die Abarbeitung eines PropertyNode sehr langsam ist...
   
Gruß
Achim

"Is there some mightier sage, of whom we have yet to learn?"

"Opportunity is missed by most people because it is dressed in overalls and looks like work." (Thomas Edison)
Alle Beiträge dieses Benutzers finden
Diese Nachricht in einer Antwort zitieren to top
Anzeige
14.02.2008, 09:15
Beitrag #7

IchSelbst Offline
LVF-Guru
*****


Beiträge: 3.708
Registriert seit: Feb 2005

11, 14, 15, 17, 18
-
DE

97437
Deutschland
Textfarbe im Array ändern
Probier mal - zusätzlich - die Sache mit "Defer Panel Updates". Siehe dieses Posting.

Jeder, der zur wahren Erkenntnis hindurchdringen will, muss den Berg Schwierigkeit alleine erklimmen (Helen Keller).
Alle Beiträge dieses Benutzers finden
Diese Nachricht in einer Antwort zitieren to top
14.02.2008, 16:25
Beitrag #8

D3nnis.C Offline
LVF-Gelegenheitsschreiber
**


Beiträge: 66
Registriert seit: Nov 2007

8.2
2007
kA

41748
Deutschland
Textfarbe im Array ändern
Probier mal - zusätzlich - die Sache mit "Defer Panel Updates". Siehe dieses Posting.
[/quote]

Evtl. mache ich es falsch, aber bei mir ist es genau so schnell mit oder ohne defer panel updates

[quote name='IchSelbst' date='14.02.2008 , 09:15:55' post='45701']


Angehängte Datei(en) Thumbnail(s)
   
Alle Beiträge dieses Benutzers finden
Diese Nachricht in einer Antwort zitieren to top
14.02.2008, 16:35
Beitrag #9

IchSelbst Offline
LVF-Guru
*****


Beiträge: 3.708
Registriert seit: Feb 2005

11, 14, 15, 17, 18
-
DE

97437
Deutschland
Textfarbe im Array ändern
' schrieb:Evtl. mache ich es falsch, aber bei mir ist es genau so schnell mit oder ohne defer panel updates
Es gibt immerhin die Möglichkeit, dass es nichts nützt - was schade wäre.

Es muss natürlich das "VI-Panel" sein, auf dem sich die Tabelle befindet. Des weiteren musst du die Reihenfolge einhalten: Erst "Darstellung verzögern"=true, dann Tabelle manipulieren, zuletzt "Darstellung verzögern"=false. Bei einem meiner Graphen geht die Refreshzeit von ca. 5 Sekunden auf nicht erkennbare weniger als 0,5 Sekunden zurück.

Jeder, der zur wahren Erkenntnis hindurchdringen will, muss den Berg Schwierigkeit alleine erklimmen (Helen Keller).
Alle Beiträge dieses Benutzers finden
Diese Nachricht in einer Antwort zitieren to top
14.02.2008, 17:27
Beitrag #10

jg Offline
CLA & CLED
LVF-Team

Beiträge: 15.864
Registriert seit: Jun 2005

20xx / 8.x
1999
EN

Franken...
Deutschland
Textfarbe im Array ändern
Hallo,

das mit Table/MulticolumnListbox und färben hatten wir doch mal kürzlich. Da hatte ich auch festgestellt, dass das DeferPanelUpdate nicht viel bringt.

http://www.LabVIEWforum.de/index.php?s=&am...ost&p=43933

Ich denke mal, das Zellenfärben bei Tables/Listboxes ist einfach so langsam.

MfG, Jens

Wer die erhabene Weisheit der Mathematik tadelt, nährt sich von Verwirrung. (Leonardo da Vinci)

!! BITTE !! stellt mir keine Fragen über PM, dafür ist das Forum da - andere haben vielleicht auch Interesse an der Antwort!

Einführende Links zu LabVIEW, s. GerdWs Signatur.
Alle Beiträge dieses Benutzers finden
Diese Nachricht in einer Antwort zitieren to top
30
Antwort schreiben 


Möglicherweise verwandte Themen...
Themen Verfasser Antworten Views Letzter Beitrag
  Boolean Array Farbe ändern TDO 12 13.278 14.06.2016 16:34
Letzter Beitrag: Freddy
  Array Elementweise einlesen und mittels Schwellwert ändern DaniusM 9 8.176 05.01.2016 11:32
Letzter Beitrag: ThomasS.
  Array durchsuchen und ändern Fry12 3 5.536 27.10.2014 10:37
Letzter Beitrag: Fry12
  Werte und Größe eines 2D-Array´s ändern xrzr 7 11.929 06.07.2014 18:09
Letzter Beitrag: GerdW
  Array-Type ändern Labor 5 7.773 04.01.2013 11:07
Letzter Beitrag: Labor
  Eigenschaften von Array Elementen ändern striegi 5 7.800 25.04.2012 14:27
Letzter Beitrag: NWOmason

Gehe zu: