
Hallo,
Entschuldigung, das war nicht meine Absicht.
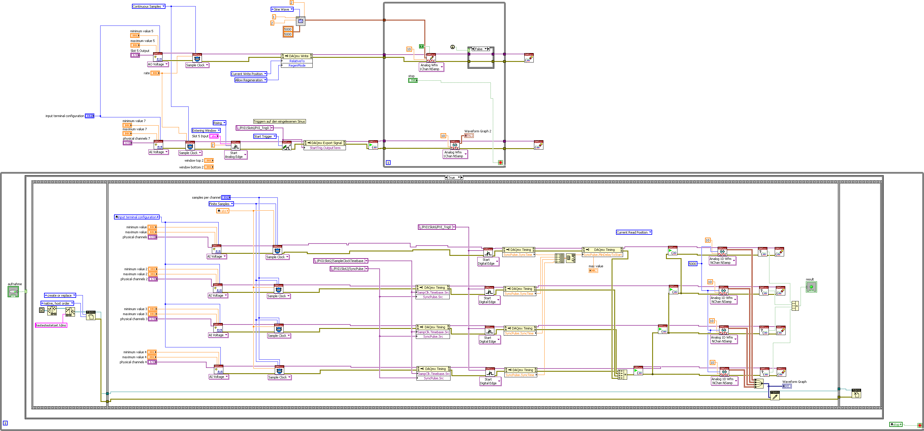
Also ich habe jetzt zusammen mit einem vom NI Support die Lösung gefunden. An sich ist das alles richtig. Der Grund warum die vier unteren Karten nicht alles richtig aufnehmen liegt daran, dass die Karten noch nicht fertig Parametriert sind, wenn der Trigger kommt.
Aus diesem Grund muss eine Abhängigkeit mit der Error-Leitung geschaffen werden. Erst wenn alle vier Karten beim "Start Task VI" bereit sind darf der Kanal Trigger starten (Error-Leitung von den vier "Start Task VI" zusammenfassen und dann an den Eingang vom "Start Task VI" vom Trigger anschließen). Zudem können alle Knoten die bei den vier Karten hinter dem Trigger bis vor das "Start Task VI" weggemacht werden. Diese sind nicht nötig.
Hoffe Ihr versteht was ich meine.
Gruß
Rene