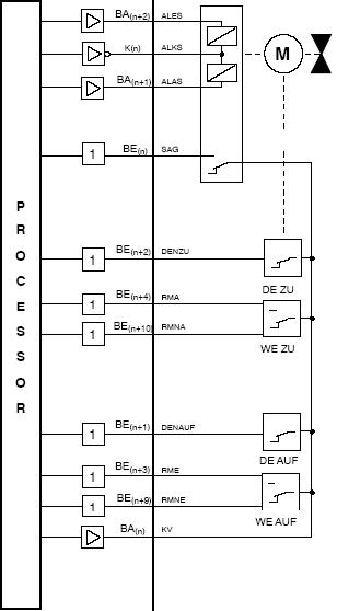
Ventilsimulation mit Zeitsteuerung |
Wenn dein Problem oder deine Frage geklärt worden ist, markiere den Beitrag als "Lösung",
indem du auf den "Lösung" Button rechts unter dem entsprechenden Beitrag klickst. Vielen Dank!
| 30
|
|
|
| Möglicherweise verwandte Themen... | |||||
| Themen | Verfasser | Antworten | Views | Letzter Beitrag | |
| Zeitsteuerung Sequenz | LabViewPete | 15 | 12.920 |
16.12.2015 09:24 Letzter Beitrag: Freddy |
|
| Zeitsteuerung von Ventilen | dr.deejay | 6 | 11.931 |
23.01.2015 09:13 Letzter Beitrag: Labview Anfänger |
|
| Zeitsteuerung für Relais | Starlancer | 2 | 5.330 |
06.06.2013 11:31 Letzter Beitrag: Starlancer |
|
| Struktur für Zeitsteuerung gesucht | ede84 | 22 | 20.398 |
16.02.2012 10:42 Letzter Beitrag: ede84 |
|
| Zeitsteuerung digitaler Ausgang | Philipp2 | 1 | 5.984 |
28.10.2011 10:46 Letzter Beitrag: Y-P |
|
| Zeitsteuerung abbrechen | Maurice | 9 | 10.391 |
09.01.2011 22:32 Letzter Beitrag: unicorn |
|






