INFO: Dieses Forum nutzt Cookies...
Cookies sind für den Betrieb des Forums unverzichtbar. Mit der Nutzung des Forums erklärst Du dich damit einverstanden, dass wir Cookies verwenden.

Es wird in jedem Fall ein Cookie gesetzt um diesen Hinweis nicht mehr zu erhalten. Desweiteren setzen wir Google Adsense und Google Analytics ein.


Antwort schreiben 

WAGO 750 - DO Kommunikation mit LV



Wenn dein Problem oder deine Frage geklärt worden ist, markiere den Beitrag als "Lösung",
indem du auf den "Lösung" Button rechts unter dem entsprechenden Beitrag klickst. Vielen Dank!

20.07.2012, 10:48 (Dieser Beitrag wurde zuletzt bearbeitet: 20.07.2012 11:14 von jg.)
Beitrag #1

Neostar35 Offline
LVF-Neueinsteiger


Beiträge: 5
Registriert seit: Jun 2012

2011
2012
DE



WAGO 750 - DO Kommunikation mit LV
Hallo liebe Gemeinde,
ich bin grad dabei für eine Technikerprojektarbeit ein Drucktesttank zu Automatisieren. Dazu benötige ich natürlich diverse Ein und Ausgänge (Digital und Analog). Von der Firma für die ich die Projektarbeit erstelle habe ich nur die Vorlage die Automatisierung möglichst mit LabView zu realisieren.
Habe mich daher entschieden zu Steuerung der Aktoren und erfassen der Sensoren ein WAGO I/O System zu verwenden.

Derzeit versuche ich mit einem Starter-Kit von Wago erst einmal die Digitalen Ein und Ausgänge zum Laufen zu bekommen. Das Starter Kit besteht aus dem 750-881 Kontroller und jeweils ein Modul für Digitale ein und Ausgänge.

Von der Firma Wago habe ich zum Testen eine MBT.dll (Modbustreiber) und die MBT.lib zur Verfügung gestellt bekommen.
Damit gelingt es mir derzeit nur die Digitalen Eingänge zu erfassen. Doch leider bekomme ich es nicht hin die Digitalen Ausgänge anzusteuern.

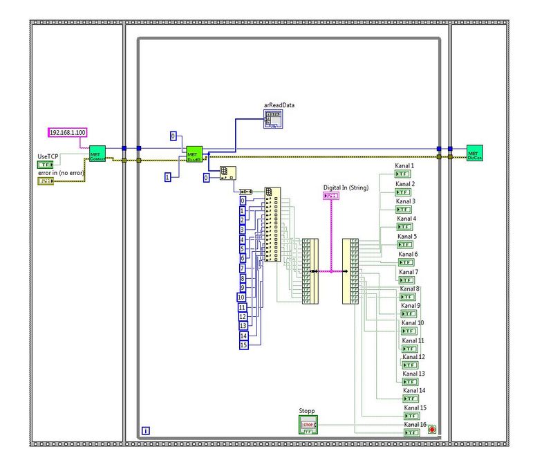
Hier mal das Beispiel meiner Digitalen Eingänge für 16 Kanäle: Dazu verwende ich das Vi MBTReadRegister, welches sich in der MBT.lib von Wago befindet.

Backend:

   

Frontend:
   


Die Digitalen Eingänge Funktionieren sehr gut, sobald ich eine Spannung auf einen der Kanäle anlege, bekomme ich in Labview auch die entsprechende Anzeige.

Jetzt zu den Digitalen Ausgängen, welche bei mir leider nicht funktionieren. Die folgenden Bilder zeigen wie ich versuche ein oder mehere Ausgänge anzusteuern. Leider gelingt es mir nicht einen Kanal der Digitalen Ausgangskarte zu aktivieren.

Backend:

   


Frontend:

   

Interner Aufbau der MBT Write:
   

Wäre es vielleicht möglich wenn mir jemand sagen kann warum die „DO“ so nicht Funktioniert? Ist die MBT.dll oder die MBT.lib vielleicht nicht mehr mit Aktuellen Kontrollern wie der 750-881 verwendbar?
Möglicherweise ist auch bei der Adressierung an dem MBT Write Register noch ein Fehler? Ich weiss auch ehrlich gesagt nicht mit welchen Konstanten Werten ich die MBT Write beschalten soll(z.B numWords und dataStartAdresse).
Vielleicht muss auch was in dem internen Aufbau der „MBT Write Register „ geändert werden oder die Parameter Einstellungen in MBT.dll müssen angepasst werden?

Momentan gehen mir auch die Ideen aus was ich noch versuchen könnte, damit die Digitalen Ausgänge endlich ein Signal liefern. Daher wäre ich über jeden Tipp oder Vorschlag sehr dankbar.

Liebe Grüße Jörg
Alle Beiträge dieses Benutzers finden
Diese Nachricht in einer Antwort zitieren to top
Anzeige
20.07.2012, 10:57 (Dieser Beitrag wurde zuletzt bearbeitet: 20.07.2012 11:20 von jg.)
Beitrag #2

jg Offline
CLA & CLED
LVF-Team

Beiträge: 15.864
Registriert seit: Jun 2005

20xx / 8.x
1999
EN

Franken...
Deutschland
RE: WAGO 750 - DO Kommunikatin mit LV
Offtopic2
Anhänge bitte hier im Forum hochladen, nicht bei externen Image-Hostern (vgl. LVF-Regeln )

Danke, Jens



EDIT: Anstatt DLL von Wago würde ich dir zur reinen LabVIEW-Implementation des Modbus-Protokolls raten: http://sine.ni.com/devzone/cda/epd/p/id/4756

Wer die erhabene Weisheit der Mathematik tadelt, nährt sich von Verwirrung. (Leonardo da Vinci)

!! BITTE !! stellt mir keine Fragen über PM, dafür ist das Forum da - andere haben vielleicht auch Interesse an der Antwort!

Einführende Links zu LabVIEW, s. GerdWs Signatur.
Alle Beiträge dieses Benutzers finden
Diese Nachricht in einer Antwort zitieren to top
20.07.2012, 22:17
Beitrag #3

Neostar35 Offline
LVF-Neueinsteiger


Beiträge: 5
Registriert seit: Jun 2012

2011
2012
DE



RE: WAGO 750 - DO Kommunikation mit LV
Hättest du auch ein Beispiel wie das mit der NImodbus.lib funktioniert?
Alle Beiträge dieses Benutzers finden
Diese Nachricht in einer Antwort zitieren to top
21.07.2012, 13:33
Beitrag #4

NWOmason Offline
Simultator
*****


Beiträge: 1.078
Registriert seit: Dec 2010

2012.SP1
2008
EN

93047
Deutschland
RE: WAGO 750 - DO Kommunikation mit LV
(20.07.2012 22:17 )Neostar35 schrieb:  Hättest du auch ein Beispiel wie das mit der NImodbus.lib funktioniert?

Beispiele werden direkt in der *.lib mitgeliefert Wink Sonst halt einfach die Kommunikation initalisieren und dann mit den Function-Codes die entsprechenende Register/Coils abfragen/setzen.


Beste Grüße,
NWO

9 von 10 Stimmen in meinem Kopf sagen: Ich bin nicht verrückt,
die andere summt die Melodie von Tetris
.

NI schrieb:To use the abort button is like using a tree to stop a car!

(20.01.2012 11:02 )NWOmason schrieb:  Getting Started with NI LabVIEW Student Training
http://zone.ni.com/devzone/cda/tut/p/id/7466

Introduction to NI LabVIEW - Learn LabVIEW Basics
http://www.ni.com/gettingstarted/labviewbasics/

Top 5 der Empfehlungen für LabVIEW-Einsteiger
http://www.ni.com/newsletter/51735/de/
Alle Beiträge dieses Benutzers finden
Diese Nachricht in einer Antwort zitieren to top
21.07.2012, 23:56 (Dieser Beitrag wurde zuletzt bearbeitet: 21.07.2012 23:57 von Neostar35.)
Beitrag #5

Neostar35 Offline
LVF-Neueinsteiger


Beiträge: 5
Registriert seit: Jun 2012

2011
2012
DE



RE: WAGO 750 - DO Kommunikation mit LV
Ja, das ist ja das Problem. Selbst mit den Function-Codes bekomm ich nur die Digital Eingänge angezeigt. Bei den Digitalausgängen passiert einfach nichts Sad

EDIT:

Dabei ist auch egal ob ich die Ni.lib oder die Wago.lib verwende.
Alle Beiträge dieses Benutzers finden
Diese Nachricht in einer Antwort zitieren to top
22.07.2012, 09:31
Beitrag #6

jg Offline
CLA & CLED
LVF-Team

Beiträge: 15.864
Registriert seit: Jun 2005

20xx / 8.x
1999
EN

Franken...
Deutschland
RE: WAGO 750 - DO Kommunikation mit LV
Dann spricht viel dafür, dass du die falsche Adresse ansprichst. Eine andere Erklärung habe ich nicht.

Gruß, Jens

Wer die erhabene Weisheit der Mathematik tadelt, nährt sich von Verwirrung. (Leonardo da Vinci)

!! BITTE !! stellt mir keine Fragen über PM, dafür ist das Forum da - andere haben vielleicht auch Interesse an der Antwort!

Einführende Links zu LabVIEW, s. GerdWs Signatur.
Alle Beiträge dieses Benutzers finden
Diese Nachricht in einer Antwort zitieren to top
Anzeige
23.07.2012, 10:35
Beitrag #7

Neostar35 Offline
LVF-Neueinsteiger


Beiträge: 5
Registriert seit: Jun 2012

2011
2012
DE



RE: WAGO 750 - DO Kommunikation mit LV
Ja genau, dass vermute ich auch. Weisst du vielleicht wo und wie ich die richtige adresse eintrage?
Alle Beiträge dieses Benutzers finden
Diese Nachricht in einer Antwort zitieren to top
23.07.2012, 20:39
Beitrag #8

jg Offline
CLA & CLED
LVF-Team

Beiträge: 15.864
Registriert seit: Jun 2005

20xx / 8.x
1999
EN

Franken...
Deutschland
RE: WAGO 750 - DO Kommunikation mit LV
Da kann ich dir leider nicht weiterhelfen.
Ich weiß, dass das Prozeßabbild (entspricht in diesem Fall den Modbus-Adressen) im Normalfall automatisch erstellt wird. So weit ich weiß, kann man den Wago-Koppler auch umprogrammieren, aber sicher bin ich mir da nicht.
Also: Handbuch genau lesen, vielleicht mal bei Wago anrufen. Vielleicht hilft auch das Web-Interface des Wago-Kopplers weiter.

Gruß, Jens

Wer die erhabene Weisheit der Mathematik tadelt, nährt sich von Verwirrung. (Leonardo da Vinci)

!! BITTE !! stellt mir keine Fragen über PM, dafür ist das Forum da - andere haben vielleicht auch Interesse an der Antwort!

Einführende Links zu LabVIEW, s. GerdWs Signatur.
Alle Beiträge dieses Benutzers finden
Diese Nachricht in einer Antwort zitieren to top
30
Antwort schreiben 


Möglicherweise verwandte Themen...
Themen Verfasser Antworten Views Letzter Beitrag
  Wago 750-652 Modbus Register Klas 3 9.354 28.07.2015 07:50
Letzter Beitrag: Klas
  LabView über modbus mit wago alex2013 8 13.138 29.05.2013 21:54
Letzter Beitrag: alex2013
  Wago-LabVIEW Maximilian 8 17.836 11.07.2012 13:46
Letzter Beitrag: Neostar35

Gehe zu: