INFO: Dieses Forum nutzt Cookies...
Cookies sind für den Betrieb des Forums unverzichtbar. Mit der Nutzung des Forums erklärst Du dich damit einverstanden, dass wir Cookies verwenden.

Es wird in jedem Fall ein Cookie gesetzt um diesen Hinweis nicht mehr zu erhalten. Desweiteren setzen wir Google Adsense und Google Analytics ein.


Antwort schreiben 

Zeitachsenskalierung



Wenn dein Problem oder deine Frage geklärt worden ist, markiere den Beitrag als "Lösung",
indem du auf den "Lösung" Button rechts unter dem entsprechenden Beitrag klickst. Vielen Dank!

16.11.2011, 11:26 (Dieser Beitrag wurde zuletzt bearbeitet: 16.11.2011 11:28 von Lucki.)
Beitrag #11

Lucki Offline
Tech.Exp.2.Klasse
LVF-Team

Beiträge: 7.699
Registriert seit: Mar 2006

LV 2016-18 prof.
1995
DE

01108
Deutschland
RE: Zeitachsenskalierung
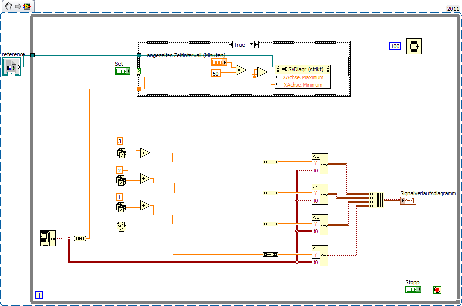
So geht das auch nicht, es ist etwas umständlich:
   

.. und ich muss dich warnen: in die zeitkritische Haupschleife die langsamen Eigenschaftsknoten einzubringen ist schon mal nicht optimal. Aber noch dazu das Achsenscaling des Graphen bei jedem Durchlauf zu aktivieren, ist noch weniger gut. Aber bei 100ms Umslaufszeit funktioniert es wohl noch.
Alle Beiträge dieses Benutzers finden
Diese Nachricht in einer Antwort zitieren to top
16.11.2011, 14:24
Beitrag #12

wernerIBN Offline
Datenflussumgeher
**


Beiträge: 124
Registriert seit: Sep 2009

8.6 und 2011
2000
DE

52425
Deutschland
RE: Zeitachsenskalierung
(16.11.2011 11:26 )Lucki schrieb:  .. und ich muss dich warnen: in die zeitkritische Haupschleife die langsamen Eigenschaftsknoten einzubringen ist schon mal nicht optimal. Aber noch dazu das Achsenscaling des Graphen bei jedem Durchlauf zu aktivieren, ist noch weniger gut. Aber bei 100ms Umslaufszeit funktioniert es wohl noch.

Lucki,
danke, super. 2hands Geht.     lv11_img

Ich verstehe allerdings deine Aussage nicht: "das Achsenscaling des Graphen bei jedem Durchlauf zu aktivieren, ist noch weniger gut"

Das autoscaling wird doch nur geändert, wenn der Set-Button betätgt wird, sonst ist die while doch auf False, und da passiert nichts...

Oder versteh ich da etwas falsch ?

Werner

Erfahrung ist die Summe der gemachten Fehler
KISS - Keep it simple and stupid
Walking on water and developing software from a specification are easy if both are frozen. – Edward V Berard
Alle Beiträge dieses Benutzers finden
Diese Nachricht in einer Antwort zitieren to top
16.11.2011, 18:35 (Dieser Beitrag wurde zuletzt bearbeitet: 16.11.2011 18:36 von Lucki.)
Beitrag #13

Lucki Offline
Tech.Exp.2.Klasse
LVF-Team

Beiträge: 7.699
Registriert seit: Mar 2006

LV 2016-18 prof.
1995
DE

01108
Deutschland
RE: Zeitachsenskalierung
wernerIBN schrieb:  Das autoscaling wird doch nur geändert, wenn der Set-Button betätgt wird, sonst ist die while doch auf False, und da passiert nichts... Oder versteh ich da etwas falsch ?
Nein, überhaupt nicht, ich habe Unsinn gesagt weil ich mir das VI nicht richtig angesehen hatte.
Und Du aber auch Big Grin: Du solltest das Scaling hier nicht als Autosscaling bezeichnen.
Alle Beiträge dieses Benutzers finden
Diese Nachricht in einer Antwort zitieren to top
17.11.2011, 09:37
Beitrag #14

wernerIBN Offline
Datenflussumgeher
**


Beiträge: 124
Registriert seit: Sep 2009

8.6 und 2011
2000
DE

52425
Deutschland
RE: Zeitachsenskalierung
(16.11.2011 18:35 )Lucki schrieb:  Und Du aber auch Big Grin: Du solltest das Scaling hier nicht als Autosscaling bezeichnen.

Hi Lucki,
du hast recht, ich habe Achsenscaling "gedacht" aber meine Hand hat "Autoscaling" geschrieben. (gut rausgeredet ?)

Aber ich habe immer noch Verständnissschwierigekeiten hier mit dem Streifendiagramm. Und zwar mit den Themen X-Achse Minimum und Maximum, Historienlänge und Zeitstempel im Signalverlauf.

Was ich feststelle ist folgendes: Ich schreibe sekündlich 4 Einzelwerte ins Diagramm. Die Werte kommen per TCP/IP von 4 verschiedenen Messgeräten. Ich wollte an der X-Achse ordentlich die Skalierung in Form von Uhrzeit/Datum sehen. Das ist auch nun dank eurer Hilfe schon ok.

Hierzu habe ich aus den 4 Einzelwerten, die Sekündlich kommen, 4 verschiedene Arrays mit je einem Messwert gemacht, die in 4 verschiedene Signalverläufe laufen, die als Zeitstempel t0 jeweils die aktuelle Zeit haben. Die 4 Signalverläufe fasse ich in ein Array zusammen und schiebe Sie in das Streifendiagramm. Dieses zeigt dann dieses aktuelle Sample auch rechts als neuen Wert an, und behält davor die Historie. Genau so will ich es haben.

Wenn ich nun aber einmal manuell per Button die X-Achse (Minimum und Maximum) setze, sagen wir, dass die X-Achse 10 Minuten lang ist, will ich eigentlich, dass die X-Achse auch wirklich 10 Minuten lang bleibt... Was ich feststelle ist, die anfänglich 10 Minuten werden größer, weil die Historielänge auf 1024 steht, das Diagramm fasst 1024 Messwerte = 1024 Sekunden = 17 Minuten.

Frage: muss ich die Historielänge selber richtig setzen ? Also wenn ich alle 2 Sekunden einen Wert generiere, muss ich dann die Historielänge auf 300 setzen (300 x 2 Sekunden = 600 Sekunden = 10 Minuten). Ich hatte erwartet, dass die im Signalverlauf enthaltenen Zeitstempel das für mich "automatisch" erledigen.... und die 10 Minuten aus der Festlegung X-Achse Minimum und Maximum ziehen...

Werner

Erfahrung ist die Summe der gemachten Fehler
KISS - Keep it simple and stupid
Walking on water and developing software from a specification are easy if both are frozen. – Edward V Berard
Alle Beiträge dieses Benutzers finden
Diese Nachricht in einer Antwort zitieren to top
Antwort schreiben 


Gehe zu: