INFO: Dieses Forum nutzt Cookies...
Cookies sind für den Betrieb des Forums unverzichtbar. Mit der Nutzung des Forums erklärst Du dich damit einverstanden, dass wir Cookies verwenden.

Es wird in jedem Fall ein Cookie gesetzt um diesen Hinweis nicht mehr zu erhalten. Desweiteren setzen wir Google Adsense und Google Analytics ein.


Antwort schreiben 

Dieses Thema hat akzeptierte Lösungen:

Zeitstempel in Dateipfad



Wenn dein Problem oder deine Frage geklärt worden ist, markiere den Beitrag als "Lösung",
indem du auf den "Lösung" Button rechts unter dem entsprechenden Beitrag klickst. Vielen Dank!

28.11.2018, 10:01
Beitrag #1

Alper Offline
LVF-Grünschnabel
*


Beiträge: 23
Registriert seit: Nov 2018

2018
2017
DE



Zeitstempel in Dateipfad
Hallo,

an einem Punkt meines Programms komme ich nicht weiter und weder über die Labview-Hilfe, noch in Foren habe ich etwas hilfreiches gefunden.
Im groben erstelle ich eine .tdms Datei. Den Dateipfad will ich über ein Bedienelement ändern können. Soweit so gut.
Nun soll in den Dateipfad ein Zeitstempel eingefügt werden, sodass der gesamte Dateiname aus dem von mir erstellten Dateinamen besteht, sowie einem automatisch eingefügten Zeitstempel.
Wie kann ich das umsetzen?

Falls weitere Infos fehlen, kann ich die nachreichen.

Vielen Dank an jeden, der sich diesem Thema annimmt.


Angehängte Datei(en) Thumbnail(s)
   
Alle Beiträge dieses Benutzers finden
Diese Nachricht in einer Antwort zitieren to top
Anzeige
28.11.2018, 10:16
Beitrag #2

Alper Offline
LVF-Grünschnabel
*


Beiträge: 23
Registriert seit: Nov 2018

2018
2017
DE



RE: Zeitstempel in Dateipfad
Hallo,
es gibt ein kleines Update:

ich habe nun über einen verknüpften String versucht die Daten zusammenzuführen.
Allerdings wird mir hierbei "Fehler (7)" ausgegeben.


Angehängte Datei(en) Thumbnail(s)
       
Alle Beiträge dieses Benutzers finden
Diese Nachricht in einer Antwort zitieren to top
28.11.2018, 11:05
Beitrag #3

Freddy Offline
Oldtimer
****


Beiträge: 729
Registriert seit: Aug 2008

2019, 2020, 2021
1996
DE

76275
Deutschland
RE: Zeitstempel in Dateipfad
Hallo Alper,
wenn in einem Dateinamen das Zeichen "/" steht. Wird dies als Ordner interpretiert.
Wenn Du also 24/12/2018 schreibst, sind das die Ordner 24 und 12 und 2018.
Verwende einfach anderer Zeichen wie z.B. 24_12_2018.

Gruß
Freddy

Einführende Links zu LabVIEW, s. GerdWs Signatur.
Webseite des Benutzers besuchen Alle Beiträge dieses Benutzers finden
Diese Nachricht in einer Antwort zitieren to top
28.11.2018, 11:10
Beitrag #4

Alper Offline
LVF-Grünschnabel
*


Beiträge: 23
Registriert seit: Nov 2018

2018
2017
DE



RE: Zeitstempel in Dateipfad
(28.11.2018 11:05 )Freddy schrieb:  Hallo Alper,
wenn in einem Dateinamen das Zeichen "/" steht. Wird dies als Ordner interpretiert.

Hallo Freddy,
danke für deine Antwort.
Diese Art der Darstellung habe ich nicht ausgesucht, sondern ergibt sich selbst. Wie kann ich das ändern?
Alle Beiträge dieses Benutzers finden
Diese Nachricht in einer Antwort zitieren to top
28.11.2018, 11:14
Beitrag #5

jg Offline
CLA & CLED
LVF-Team

Beiträge: 15.864
Registriert seit: Jun 2005

20xx / 8.x
1999
EN

Franken...
Deutschland
RE: Zeitstempel in Dateipfad
Ich empfehle eine Sortierung Jahr-Monat-Tag-Stunde-Minute-Sekunde, dann sind bei alphabeticher Auflistung die Files gleich in chronologischer Reihenfolge aufgeführt.

   

Gruß, Jens

Wer die erhabene Weisheit der Mathematik tadelt, nährt sich von Verwirrung. (Leonardo da Vinci)

!! BITTE !! stellt mir keine Fragen über PM, dafür ist das Forum da - andere haben vielleicht auch Interesse an der Antwort!

Einführende Links zu LabVIEW, s. GerdWs Signatur.
Alle Beiträge dieses Benutzers finden
Diese Nachricht in einer Antwort zitieren to top
28.11.2018, 11:15 (Dieser Beitrag wurde zuletzt bearbeitet: 28.11.2018 11:22 von Freddy.)
Beitrag #6

Freddy Offline
Oldtimer
****


Beiträge: 729
Registriert seit: Aug 2008

2019, 2020, 2021
1996
DE

76275
Deutschland
RE: Zeitstempel in Dateipfad
Hallo Alper,
String umformen kann man auf unterschiedlichste weise.
Du kannst Suchen und ersetzen verwenden oder das VI 'Datum/Zeit formatieren'.

Gruß
Freddy
Mein Favorit


Angehängte Datei(en) Thumbnail(s)
   

Einführende Links zu LabVIEW, s. GerdWs Signatur.
Webseite des Benutzers besuchen Alle Beiträge dieses Benutzers finden
Diese Nachricht in einer Antwort zitieren to top
Anzeige
28.11.2018, 11:34
Beitrag #7

Alper Offline
LVF-Grünschnabel
*


Beiträge: 23
Registriert seit: Nov 2018

2018
2017
DE



RE: Zeitstempel in Dateipfad
Hallo,
dank eurer Beitrage wäre das nun geklärt.
Allerdings scheint wohl noch ein Fehler bei der Verknüpfung von Pfad und String aufzutreten.
Beim neuen Pfad wird ein "/" zwischen den zwei Komponenten eingefügt. Das soll, wenn ich das richtig verstanden habe, aber nicht so sein.
Den Pfad in seiner jetzigen Form habe ich mir anzeigen lassen(siehe Anhang).


Angehängte Datei(en) Thumbnail(s)
       
Alle Beiträge dieses Benutzers finden
Diese Nachricht in einer Antwort zitieren to top
28.11.2018, 11:44
Beitrag #8

jg Offline
CLA & CLED
LVF-Team

Beiträge: 15.864
Registriert seit: Jun 2005

20xx / 8.x
1999
EN

Franken...
Deutschland
RE: Zeitstempel in Dateipfad

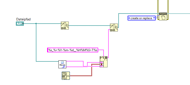
Akzeptierte Lösung

1) Doppelpunkt im Filenamen ist auch ein absolute NoGo!!! Unter Windows ist das das Trennzeichen nach dem Laufwerksbuchstaben.

2) Ich nehme mal an, du willst am Ende das Folgende erreichen:
   

Gruß, Jens

Wer die erhabene Weisheit der Mathematik tadelt, nährt sich von Verwirrung. (Leonardo da Vinci)

!! BITTE !! stellt mir keine Fragen über PM, dafür ist das Forum da - andere haben vielleicht auch Interesse an der Antwort!

Einführende Links zu LabVIEW, s. GerdWs Signatur.
Alle Beiträge dieses Benutzers finden
Diese Nachricht in einer Antwort zitieren to top
28.11.2018, 12:02
Beitrag #9

Alper Offline
LVF-Grünschnabel
*


Beiträge: 23
Registriert seit: Nov 2018

2018
2017
DE



RE: Zeitstempel in Dateipfad
Hallo Jens,
das sieht wirklich sehr vielversprechend aus.
Allerdings erhalte ich den Fehler, das am ersten "Build Path" ein Anschluss fehlt. Welchen String-Wert muss ich daran anschließen?

Gruß Alper


Angehängte Datei(en) Thumbnail(s)
   
Alle Beiträge dieses Benutzers finden
Diese Nachricht in einer Antwort zitieren to top
28.11.2018, 12:33
Beitrag #10

jg Offline
CLA & CLED
LVF-Team

Beiträge: 15.864
Registriert seit: Jun 2005

20xx / 8.x
1999
EN

Franken...
Deutschland
RE: Zeitstempel in Dateipfad
Das erste ist ein Strip Path, kein Build Path. Ich will schließlich das Verzeichnis ohne Dateiname haben.

Außerdem sollte in Format-String vor dem letzten %s noch ein Punkt reinkommen, damit du etwas in der Art "Dateiname_Zeitstempel.tdms" bekommst.

Gruß, Jens

Wer die erhabene Weisheit der Mathematik tadelt, nährt sich von Verwirrung. (Leonardo da Vinci)

!! BITTE !! stellt mir keine Fragen über PM, dafür ist das Forum da - andere haben vielleicht auch Interesse an der Antwort!

Einführende Links zu LabVIEW, s. GerdWs Signatur.
Alle Beiträge dieses Benutzers finden
Diese Nachricht in einer Antwort zitieren to top
30
Antwort schreiben 


Gehe zu: