INFO: Dieses Forum nutzt Cookies...
Cookies sind für den Betrieb des Forums unverzichtbar. Mit der Nutzung des Forums erklärst Du dich damit einverstanden, dass wir Cookies verwenden.

Es wird in jedem Fall ein Cookie gesetzt um diesen Hinweis nicht mehr zu erhalten. Desweiteren setzen wir Google Adsense und Google Analytics ein.


Antwort schreiben 

Zwei SubVIs gleichzeitig



Wenn dein Problem oder deine Frage geklärt worden ist, markiere den Beitrag als "Lösung",
indem du auf den "Lösung" Button rechts unter dem entsprechenden Beitrag klickst. Vielen Dank!

21.11.2017, 15:19
Beitrag #1

dulfried Offline
LVF-Grünschnabel
*


Beiträge: 28
Registriert seit: Jul 2017

2015
2017
DE



Zwei SubVIs gleichzeitig
Hi Leute,

mir hat bisher kein Eintrag zu diesem Thema geholfen und hoffe ihr könnts mir nochmal deutlicher erklären.

Zu meinem Problem:
Ich habe das angehängte SubVI, das auf eine steigende Flanke an meinem Oszi wartet. Während ich in diesem SubVI warte, muss ich durch ein weiteres SubVI die Spannung an meinem Netzgerät einschalten (Erst dadurch kommt steigende Flanke, die aufgenommen werden soll, zu Stande).


Angehängte Datei(en)
15.0 .vi  SSS.vi (Größe: 19,14 KB / Downloads: 278)
Alle Beiträge dieses Benutzers finden
Diese Nachricht in einer Antwort zitieren to top
Anzeige
21.11.2017, 16:11
Beitrag #2

GerdW Offline
______________
LVF-Team

Beiträge: 17.540
Registriert seit: May 2009

LV2019 (LV2021)
1995
DE_EN

10×××
Deutschland
RE: Zwei SubVIs gleichzeitig
Hallo dulfried,


Zitat:Ich habe das angehängte SubVI, das auf eine steigende Flanke an meinem Oszi wartet.
Das VI liest eine Waveform ein, da wird nirgends "gewartet"…

Zitat:Während ich in diesem SubVI warte,
Wo wartest du dort?

Zitat:Zu meinem Problem:
muss ich durch ein weiteres SubVI die Spannung an meinem Netzgerät einschalten (Erst dadurch kommt steigende Flanke, die aufgenommen werden soll, zu Stande).
Und wo ist das Problem? Alles, was ich sehe, ist eine klar beschriebene Aufgabenstellung!
Du musst einfach ein zweites subVI parallel laufen lassen…

Alle Beiträge dieses Benutzers finden
Diese Nachricht in einer Antwort zitieren to top
21.11.2017, 20:13
Beitrag #3

dulfried Offline
LVF-Grünschnabel
*


Beiträge: 28
Registriert seit: Jul 2017

2015
2017
DE



RE: Zwei SubVIs gleichzeitig
(21.11.2017 16:11 )GerdW schrieb:  Hallo dulfried,


Zitat:Ich habe das angehängte SubVI, das auf eine steigende Flanke an meinem Oszi wartet.
Das VI liest eine Waveform ein, da wird nirgends "gewartet"…

Wenn ich das SubVI ausführe, dann bleibt mein Programm solange "stehen" bis eine steigende Flanke kommt und liest dann die Waveform ein.

(21.11.2017 16:11 )GerdW schrieb:  Und wo ist das Problem? Alles, was ich sehe, ist eine klar beschriebene Aufgabenstellung!
Du musst einfach ein zweites subVI parallel laufen lassen…

Ich weiß, dass LabVIEW datenflussorientiert ist und deshalb verstehe ich nicht wie ich zwei SubVIs parallel laufen lassen soll.
Alle Beiträge dieses Benutzers finden
Diese Nachricht in einer Antwort zitieren to top
21.11.2017, 20:57
Beitrag #4

GerdW Offline
______________
LVF-Team

Beiträge: 17.540
Registriert seit: May 2009

LV2019 (LV2021)
1995
DE_EN

10×××
Deutschland
RE: Zwei SubVIs gleichzeitig
Hallo dulfried,

Zitat:Wenn ich das SubVI ausführe, dann bleibt mein Programm solange "stehen" bis eine steigende Flanke kommt und liest dann die Waveform ein.
Das ist im oben angehängten VI nicht zu erkennen…
Vielleicht liegt das ja an dem anderen subVI, welches du uns nicht zeigst!?
Oder daran, wie du das zweite VI einbindest!? (Auch das zeigst du uns nicht.)

Zitat:deshalb verstehe ich nicht wie ich zwei SubVIs parallel laufen lassen soll.
THINK DATAFLOW: zwei Nodes laufen parallel, wenn es keine Datenflussabhängigkeit zwischen ihnen gibt!
Einfach die zwei subVIs parallel nebeneinander packen!

Alle Beiträge dieses Benutzers finden
Diese Nachricht in einer Antwort zitieren to top
22.11.2017, 08:24 (Dieser Beitrag wurde zuletzt bearbeitet: 22.11.2017 08:25 von dulfried.)
Beitrag #5

dulfried Offline
LVF-Grünschnabel
*


Beiträge: 28
Registriert seit: Jul 2017

2015
2017
DE



RE: Zwei SubVIs gleichzeitig
(21.11.2017 20:57 )GerdW schrieb:  Das ist im oben angehängten VI nicht zu erkennen…

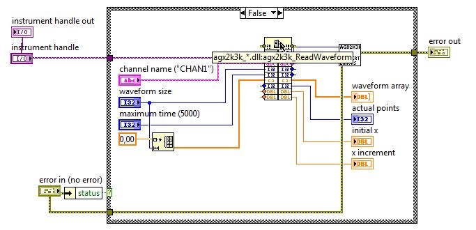
Da bin ich mir ganz sicher. Das habe ich aber nur durch ausprobieren herausgefunden. Denn wenn ich das SubVI öffne, dann sind dort ja keine Funktionen drin. Wie kann ich herausfinden, was dort in der Lib genau passiert?

Und die zu wartende Zeit, ist die eingestellte maximum time


Angehängte Datei(en) Thumbnail(s)
   
Alle Beiträge dieses Benutzers finden
Diese Nachricht in einer Antwort zitieren to top
22.11.2017, 09:09
Beitrag #6

GerdW Offline
______________
LVF-Team

Beiträge: 17.540
Registriert seit: May 2009

LV2019 (LV2021)
1995
DE_EN

10×××
Deutschland
RE: Zwei SubVIs gleichzeitig
Hallo dulfried,

Zitat:Wie kann ich herausfinden, was dort in der Lib genau passiert?
Beschreibung/Manual zu diesem VI in der zugehörigen Bibliothek lesen… (Oder den Hersteller fragen.)

Zitat:Und die zu wartende Zeit, ist die eingestellte maximum time
Dieser DLL-Aufruf soll eine Waveform lesen und dafür maximal die MAX-time warten…
Was hat das mit dem Problem von parallel laufenden VIs zu tun?

Alle Beiträge dieses Benutzers finden
Diese Nachricht in einer Antwort zitieren to top
Anzeige
30
Antwort schreiben 


Möglicherweise verwandte Themen...
Themen Verfasser Antworten Views Letzter Beitrag
  zwei Plots in einem X-Y Graphen mit zwei Achsen bachatero18 7 7.258 20.11.2019 15:06
Letzter Beitrag: Lucki
  Starten die SubVis gleichzeitig? Slev1n 16 11.023 09.03.2015 18:25
Letzter Beitrag: Holy
  zwei vi´s gleichzeitig ausführen gregorX 5 15.989 14.11.2006 20:03
Letzter Beitrag: gregorX
  Zwei VIs gleichzeitig starten frischerFisch 2 5.035 03.08.2006 14:51
Letzter Beitrag: frischerFisch
  zwei Kanäle gleichzeitig einlesen jze 3 6.350 29.05.2006 14:41
Letzter Beitrag: cb

Gehe zu: