INFO: Dieses Forum nutzt Cookies...
Cookies sind für den Betrieb des Forums unverzichtbar. Mit der Nutzung des Forums erklärst Du dich damit einverstanden, dass wir Cookies verwenden.

Es wird in jedem Fall ein Cookie gesetzt um diesen Hinweis nicht mehr zu erhalten. Desweiteren setzen wir Google Adsense und Google Analytics ein.


Antwort schreiben 

Zyklus abbrechen



Wenn dein Problem oder deine Frage geklärt worden ist, markiere den Beitrag als "Lösung",
indem du auf den "Lösung" Button rechts unter dem entsprechenden Beitrag klickst. Vielen Dank!

19.09.2012, 15:41
Beitrag #1

ragingbull Offline
LVF-Grünschnabel
*


Beiträge: 46
Registriert seit: Jan 2009

2011
2010
EN


Deutschland
Zyklus abbrechen
Hi

irgendwie fehlt mir das Wissen bzw die zündende Idee


Brauch ein Programm das alle 30 Minuten ein Netzteil neu einstellen soll.

Ich fange bei 14V an und will eben alle 30 Minuten die Spannung um 100mV senken.

Jetzt will ich kein 30 Minunten wait verwenden sondern eine elegante Lösung das ich in den 30 Minuten vielleicht auch mal auf Stop oder so klicken kann damit das verringern der Spannung aufhört und ich anderen Code laufen lassen kann.

Wie stellt man sowas am besten an?

Danke
Alle Beiträge dieses Benutzers finden
Diese Nachricht in einer Antwort zitieren to top
Anzeige
19.09.2012, 15:45
Beitrag #2

GerdW Offline
______________
LVF-Team

Beiträge: 17.529
Registriert seit: May 2009

LV2019 (LV2021)
1995
DE_EN

10×××
Deutschland
RE: Zyklus abbrechen
Hallo bull,

statt einem Wait für 30min könntest du auch 360 Waits für 5s verwenden. Dann kannst du alle 5s abbrechen...
Noch schöner wäre eine saubere Statemachine!

Alle Beiträge dieses Benutzers finden
Diese Nachricht in einer Antwort zitieren to top
19.09.2012, 15:48 (Dieser Beitrag wurde zuletzt bearbeitet: 19.09.2012 15:50 von ragingbull.)
Beitrag #3

ragingbull Offline
LVF-Grünschnabel
*


Beiträge: 46
Registriert seit: Jan 2009

2011
2010
EN


Deutschland
RE: Zyklus abbrechen
Ich hab mir gedacht ich nehm eine Ereignisstruktur und alle 30 Minunten kommts zum Timeout wo die Spannung herabgesetzt wird.

Drücke ich wärend der 30 Minunten Stop dann reagiert die Ereignisstruktur und bricht ab oder macht was auch immer.

Geht das nicht eleganter?

Nen Schalter pollen in einer Schleife die ich 360 mal durchlaufen lasse mit 5s wait will ich auch nicht.

Taugen die Timedloops für sowas? Habe damit keine Erfahrung.
Alle Beiträge dieses Benutzers finden
Diese Nachricht in einer Antwort zitieren to top
19.09.2012, 15:56
Beitrag #4

GerdW Offline
______________
LVF-Team

Beiträge: 17.529
Registriert seit: May 2009

LV2019 (LV2021)
1995
DE_EN

10×××
Deutschland
RE: Zyklus abbrechen
Hallo bull,

Antworten wie meine oben kommen davon, dass der OP kein VI anhängt...

Ja, mit einer Eventstruktur ginge das eleganter. Wobei pollen im 5s-Takt noch nicht so ressourcenfressend ist...

Alle Beiträge dieses Benutzers finden
Diese Nachricht in einer Antwort zitieren to top
19.09.2012, 18:08
Beitrag #5

Lucki Offline
Tech.Exp.2.Klasse
LVF-Team

Beiträge: 7.699
Registriert seit: Mar 2006

LV 2016-18 prof.
1995
DE

01108
Deutschland
RE: Zyklus abbrechen
Wennn Du unbedingt auf Alternativen zu den bisherigen Vorschlägen aus bist: Das Timeout von Meldern, Queues, Occurrences lässt sich als Wait missbrauchen und ist jederzeit unterbrechbar. Beispiel Occurrence:
   
Alle Beiträge dieses Benutzers finden
Diese Nachricht in einer Antwort zitieren to top
20.09.2012, 15:32
Beitrag #6

ragingbull Offline
LVF-Grünschnabel
*


Beiträge: 46
Registriert seit: Jan 2009

2011
2010
EN


Deutschland
RE: Zyklus abbrechen
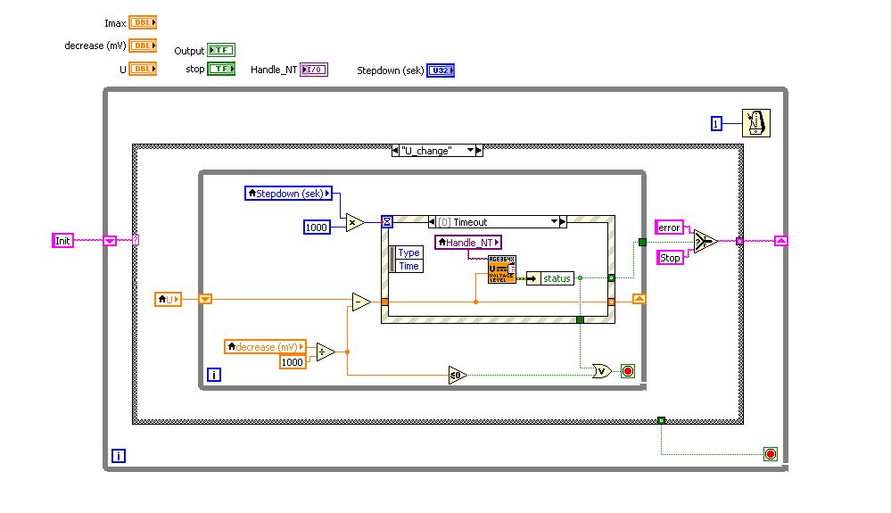
Habs jetzt so gemacht

Danke für die Ideen


Angehängte Datei(en) Thumbnail(s)
   
Alle Beiträge dieses Benutzers finden
Diese Nachricht in einer Antwort zitieren to top
Anzeige
20.09.2012, 20:00
Beitrag #7

GerdW Offline
______________
LVF-Team

Beiträge: 17.529
Registriert seit: May 2009

LV2019 (LV2021)
1995
DE_EN

10×××
Deutschland
RE: Zyklus abbrechen
Hallo bull,

uh-oh, eine Eventstruktur in einer Case-Struktur. Ich sehe dunkle Wolken am Horizont...

Außerdem:
Warum lokale Variablen, wenn die Terminals unbenutzt im BD rumliegen?

Alle Beiträge dieses Benutzers finden
Diese Nachricht in einer Antwort zitieren to top
21.09.2012, 07:27
Beitrag #8

ragingbull Offline
LVF-Grünschnabel
*


Beiträge: 46
Registriert seit: Jan 2009

2011
2010
EN


Deutschland
RE: Zyklus abbrechen
(20.09.2012 20:00 )GerdW schrieb:  Hallo bull,

uh-oh, eine Eventstruktur in einer Case-Struktur. Ich sehe dunkle Wolken am Horizont...

Außerdem:
Warum lokale Variablen, wenn die Terminals unbenutzt im BD rumliegen?

Hi

die Terminals lege ich immer nach oben weil ich sie an anderen Stellen auch noch brauche. So hab ich alle auf einem Blick.

Was spricht gegen die Eventstruktur in einer Case?

Das dekrementieren der Spannung soll erst erfolgen wenn die Cases davor erledigt sind und nach dem beenden gehts weiter mit anderen Cases.
Alle Beiträge dieses Benutzers finden
Diese Nachricht in einer Antwort zitieren to top
21.09.2012, 07:47
Beitrag #9

jg Offline
CLA & CLED
LVF-Team

Beiträge: 15.864
Registriert seit: Jun 2005

20xx / 8.x
1999
EN

Franken...
Deutschland
RE: Zyklus abbrechen
(21.09.2012 07:27 )ragingbull schrieb:  Was spricht gegen die Eventstruktur in einer Case?
Es deutet stark darauf hin, dass du mehrere Eventstrukturen innerhalb eines VIs verwendest. Das führt prinzipiell zu Ärger!

Gruß, Jens

Wer die erhabene Weisheit der Mathematik tadelt, nährt sich von Verwirrung. (Leonardo da Vinci)

!! BITTE !! stellt mir keine Fragen über PM, dafür ist das Forum da - andere haben vielleicht auch Interesse an der Antwort!

Einführende Links zu LabVIEW, s. GerdWs Signatur.
Alle Beiträge dieses Benutzers finden
Diese Nachricht in einer Antwort zitieren to top
21.09.2012, 07:48 (Dieser Beitrag wurde zuletzt bearbeitet: 21.09.2012 07:50 von GerdW.)
Beitrag #10

GerdW Offline
______________
LVF-Team

Beiträge: 17.529
Registriert seit: May 2009

LV2019 (LV2021)
1995
DE_EN

10×××
Deutschland
RE: Zyklus abbrechen
Hallo bull,

Zitat:die Terminals lege ich immer nach oben weil ich sie an anderen Stellen auch noch brauche. So hab ich alle auf einem Blick.
Wenn du bei der LabVIEW-Programmierung durchgängig lokale Variablen benutzt, hast du deren Prinzip (sowohl der Programmierung als auch der Variablen) nicht verstanden. LabVIEW arbeitet datenflussorientiert! THINK DATAFLOW!

Zitat:Was spricht gegen die Eventstruktur in einer Case?
Dagegen spricht, dass die Eventstruktur sich nicht an den Datenfluss hält. Es wird vorausgesetzt, dass ein Event jederzeit abgearbeitet werden kann! Das ist nicht der Fall, wenn eine Eventstruktur in einem Case versteckt wird...

Zitat:Das dekrementieren der Spannung soll erst erfolgen wenn die Cases davor erledigt sind und nach dem beenden gehts weiter mit anderen Cases.

Hört sich nach einer Aufgabe für eine Statemachine-Architektur an, die du ja schon verwendest. Hat das irgendwas mit dem Problem zu tun?

Alle Beiträge dieses Benutzers finden
Diese Nachricht in einer Antwort zitieren to top
30
Antwort schreiben 


Möglicherweise verwandte Themen...
Themen Verfasser Antworten Views Letzter Beitrag
  Sub-VI über Button im Hauptpanel abbrechen der Philipp ausm Wald 28 35.614 01.08.2018 06:55
Letzter Beitrag: GerdW
  "Abbrechen"-Knopf im Datei-Dialog ändern Marcusius 1 4.653 10.06.2015 12:49
Letzter Beitrag: jg
  Laufendes VI abbrechen Patrik 5 7.772 04.04.2013 08:09
Letzter Beitrag: Patrik
  wie Prozess vorzeitig abbrechen? Hasenfuss 3 5.715 13.03.2013 16:46
Letzter Beitrag: GerdW
  While Schleife vorzeitig abbrechen Moeseph 3 6.633 08.04.2012 12:09
Letzter Beitrag: Moeseph
  Abbrechen von Systembefehlen Stingray75 5 5.887 04.04.2012 12:53
Letzter Beitrag: GerdW

Gehe zu: