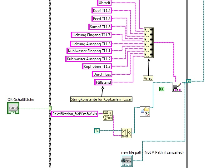
definierter Dateipfad für Speicherung |
Wenn dein Problem oder deine Frage geklärt worden ist, markiere den Beitrag als "Lösung",
indem du auf den "Lösung" Button rechts unter dem entsprechenden Beitrag klickst. Vielen Dank!
|
|
|
| Möglicherweise verwandte Themen... | |||||
| Themen | Verfasser | Antworten | Views | Letzter Beitrag | |
| System wird träge bei Messdatenerfassung und Speicherung in Echtzeit | chris_kit | 4 | 6.206 |
13.06.2019 14:13 Letzter Beitrag: jg |
|
| Speicherung von Daten via TDMS | DM_94 | 7 | 7.849 |
30.08.2018 11:43 Letzter Beitrag: GerdW |
|
| Dateipfad angeben | xxokiehxx | 5 | 7.537 |
06.08.2018 10:01 Letzter Beitrag: jg |
|
| Daten Speicherung in CSV | ziarehmann | 15 | 18.763 |
05.07.2017 11:05 Letzter Beitrag: ziarehmann |
|
| [Anfänger] TDMS-Speicherung deaktivieren | Messie | 4 | 6.573 |
29.11.2013 18:37 Letzter Beitrag: Messie |
|
| Dateipfad per Pop-Up bei Programmstart auswählen | Timo86 | 1 | 6.737 |
07.10.2013 08:22 Letzter Beitrag: GerdW |
|







Was habe ich falsch gemacht?