INFO: Dieses Forum nutzt Cookies...
Cookies sind für den Betrieb des Forums unverzichtbar. Mit der Nutzung des Forums erklärst Du dich damit einverstanden, dass wir Cookies verwenden.

Es wird in jedem Fall ein Cookie gesetzt um diesen Hinweis nicht mehr zu erhalten. Desweiteren setzen wir Google Adsense und Google Analytics ein.


Antwort schreiben 

txt datei suchen und Verschieben



Wenn dein Problem oder deine Frage geklärt worden ist, markiere den Beitrag als "Lösung",
indem du auf den "Lösung" Button rechts unter dem entsprechenden Beitrag klickst. Vielen Dank!

20.05.2010, 15:05 (Dieser Beitrag wurde zuletzt bearbeitet: 20.05.2010 15:21 von selma.)
Beitrag #1

selma Offline
LVF-Gelegenheitsschreiber
**


Beiträge: 210
Registriert seit: Aug 2009

2009
2009
de

21xxx
Deutschland
txt datei suchen und Verschieben
Ich möchte ein VI haben das in einen bestimmten Verzeichnis nach den letzten Veränderung sucht.
Dieses soll nach Veränderung am Datum suchen und die in einen bestimmten Zeitraum erstellten Dateien sollen den in einen Ordner verschöben werden.
Der Ordner muss den auch mit angelegt werden.
Txt geändert 12:10 am 12.04.10
Txt geändert 12:15 am 12.04.10
Txt geändert 12:18 am 12.04.10
Txt geändert 12:20 am 12.04.10 die 4 den in den Ordner 10-04-12
Txt geändert 12:10 am 13.04.10
Txt geändert 12:23 am 13.04.10
Txt geändert 12:25 am 13.04.10 die 4 den in den Ordner 10-04-13
Und so weiter
Ich glaube und hoffe zu gleich das ich mich verständig Ausgedrückt habe.

Mit freundlichen Grüßen Selma


Sonstige .vi  Datei_Sortieren.vi (Größe: 14,21 KB / Downloads: 306)


Lv09_img2
Alle Beiträge dieses Benutzers finden
Diese Nachricht in einer Antwort zitieren to top
Anzeige
20.05.2010, 15:17
Beitrag #2

SeBa Offline
LVF-Guru
*****


Beiträge: 2.025
Registriert seit: Oct 2008

09SP1 & 10 FDS
2008
DE

65xxx
Deutschland
txt datei suchen und Verschieben
Das ist aber das "Alles älter als 30 Tage (in den Papierkorb) verschieben" VI ...


Gruß SeBa

Dieser Beitrag soll weder nützlich, informativ noch lesbar sein.

Er erhebt lediglich den Anspruch dort wo er ungenau ist, wenigstens eindeutig ungenau zu sein.
In Fällen größerer Abweichungen ist es immer der Leser, der sich geirrt hat.

Rette einen Baum!
Diesen Beitrag nur ausdrucken, wenn unbedingt nötig!
Alle Beiträge dieses Benutzers finden
Diese Nachricht in einer Antwort zitieren to top
20.05.2010, 15:22
Beitrag #3

Y-P Offline
☻ᴥᴥᴥ☻ᴥᴥᴥ☻
LVF-Team

Beiträge: 12.612
Registriert seit: Feb 2006

Developer Suite Core -> LabVIEW 2015 Prof.
2006
EN

71083
Deutschland
txt datei suchen und Verschieben
Hast Du schon mal unter "File I/O" und dort im Unterordner "Advanced File I/O" nachgeschaut? Da gibt es "Create Folder","Move","copy"....
Da müsste doch was dabei sein.

Gruß Markus

--------------------------------------------------------------------------
Bitte stellt mir keine Fragen über PM, dafür ist das Forum da - andere haben vielleicht auch Interesse an der Antwort !!
--------------------------------------------------------------------------
Alle Beiträge dieses Benutzers finden
Diese Nachricht in einer Antwort zitieren to top
20.05.2010, 15:23
Beitrag #4

selma Offline
LVF-Gelegenheitsschreiber
**


Beiträge: 210
Registriert seit: Aug 2009

2009
2009
de

21xxx
Deutschland
txt datei suchen und Verschieben
habe es jetzt geändert ( speichern vergessen )
dachte mir ich nehme das Vi "Älter als 30 Tag..
als grundlageAngel_not
Alle Beiträge dieses Benutzers finden
Diese Nachricht in einer Antwort zitieren to top
20.05.2010, 16:02
Beitrag #5

SeBa Offline
LVF-Guru
*****


Beiträge: 2.025
Registriert seit: Oct 2008

09SP1 & 10 FDS
2008
DE

65xxx
Deutschland
txt datei suchen und Verschieben
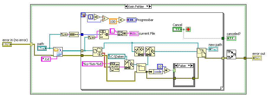
Hab dir mal ein bischen was aus einem von meinen "Dateien-rumschubs-VIs" reingebaut....


Solltest es als SubVI verwenden.

Hab jetzt nicht getestet, ob es wirklich funzt... sollte aber zumindest so ähnlich gehen... oder dir den Schubs in die richtige Richtung geben.

Du solltest es als SubVI bei dir laufen lassen...

Lv09_img2
Sonstige .vi  Move_files_to_multiple_folders.vi (Größe: 20,56 KB / Downloads: 303)


       


Kurz vor Feierabend noch ne gute Tat vollbrachtBig Grin

Da gönn ich mir doch glatt einProst

Gruß SeBa

Dieser Beitrag soll weder nützlich, informativ noch lesbar sein.

Er erhebt lediglich den Anspruch dort wo er ungenau ist, wenigstens eindeutig ungenau zu sein.
In Fällen größerer Abweichungen ist es immer der Leser, der sich geirrt hat.

Rette einen Baum!
Diesen Beitrag nur ausdrucken, wenn unbedingt nötig!
Alle Beiträge dieses Benutzers finden
Diese Nachricht in einer Antwort zitieren to top
20.05.2010, 16:07
Beitrag #6

selma Offline
LVF-Gelegenheitsschreiber
**


Beiträge: 210
Registriert seit: Aug 2009

2009
2009
de

21xxx
Deutschland
txt datei suchen und Verschieben
Schöneb Dank und lass es Dir schmeckenProst
Alle Beiträge dieses Benutzers finden
Diese Nachricht in einer Antwort zitieren to top
Anzeige
20.05.2010, 16:10
Beitrag #7

SeBa Offline
LVF-Guru
*****


Beiträge: 2.025
Registriert seit: Oct 2008

09SP1 & 10 FDS
2008
DE

65xxx
Deutschland
txt datei suchen und Verschieben
Ist mir grad noch so in den Sinn gekommen:

Du kannst noch den Bedingungsanschluss mit dem ErrorWire verbinden, dann stoppt die Schleife bei einem unerwarteten Fehler.


Gruß SeBa

Dieser Beitrag soll weder nützlich, informativ noch lesbar sein.

Er erhebt lediglich den Anspruch dort wo er ungenau ist, wenigstens eindeutig ungenau zu sein.
In Fällen größerer Abweichungen ist es immer der Leser, der sich geirrt hat.

Rette einen Baum!
Diesen Beitrag nur ausdrucken, wenn unbedingt nötig!
Alle Beiträge dieses Benutzers finden
Diese Nachricht in einer Antwort zitieren to top
Antwort schreiben 


Möglicherweise verwandte Themen...
Themen Verfasser Antworten Views Letzter Beitrag
  Datei über Drag & Drop in andere Anwendung (kein LabVIEW) verschieben ahebauer 2 4.506 29.03.2017 08:41
Letzter Beitrag: ahebauer
  Elemente auf Frontpanel zur Laufzeit verschieben andrepf 37 28.457 18.11.2014 17:11
Letzter Beitrag: andrepf
  Rechteck via Taster verschieben LabViewUser2014 21 19.906 10.04.2014 10:40
Letzter Beitrag: LabViewUser2014
  Listbox-Elemente verschieben in LV8.0-EXE Trinitatis 7 7.595 17.09.2013 13:55
Letzter Beitrag: Trinitatis
  Position Pfeilschaltschläche Enum verschieben Hasenfuss 2 4.852 11.04.2013 15:13
Letzter Beitrag: Hasenfuss
  Bedienelement in Bool-Array verschieben birne 7 7.249 29.08.2012 13:16
Letzter Beitrag: Kiesch

Gehe zu: