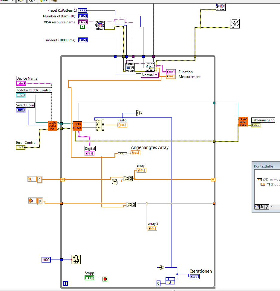
zwei Messgeräte in Arrays => Tabelle schreiben |
Wenn dein Problem oder deine Frage geklärt worden ist, markiere den Beitrag als "Lösung",
indem du auf den "Lösung" Button rechts unter dem entsprechenden Beitrag klickst. Vielen Dank!
| 30
|
|
|
| Möglicherweise verwandte Themen... | |||||
| Themen | Verfasser | Antworten | Views | Letzter Beitrag | |
| zwei Plots in einem X-Y Graphen mit zwei Achsen | bachatero18 | 7 | 7.169 |
20.11.2019 15:06 Letzter Beitrag: Lucki |
|
| Tabelle in Schleife schreiben | steve_94 | 3 | 4.666 |
14.12.2018 08:48 Letzter Beitrag: Ralfk84 |
|
| Messwerte in Tabelle schreiben | Margi | 10 | 14.385 |
09.09.2015 09:18 Letzter Beitrag: GerdW |
|
| Auswahl eines Arrays anhand des Wertes eines zweiten Arrays treffen | alan | 2 | 5.626 |
19.02.2015 16:12 Letzter Beitrag: alan |
|
| Baumstruktur mit zwei Arrays füllen | andrepf | 3 | 5.681 |
18.11.2014 15:26 Letzter Beitrag: GerdW |
|
| Messgeräte mit unterschiedlicher Abtastrate | PatrickK | 10 | 9.540 |
06.10.2014 14:25 Letzter Beitrag: jg |
|





