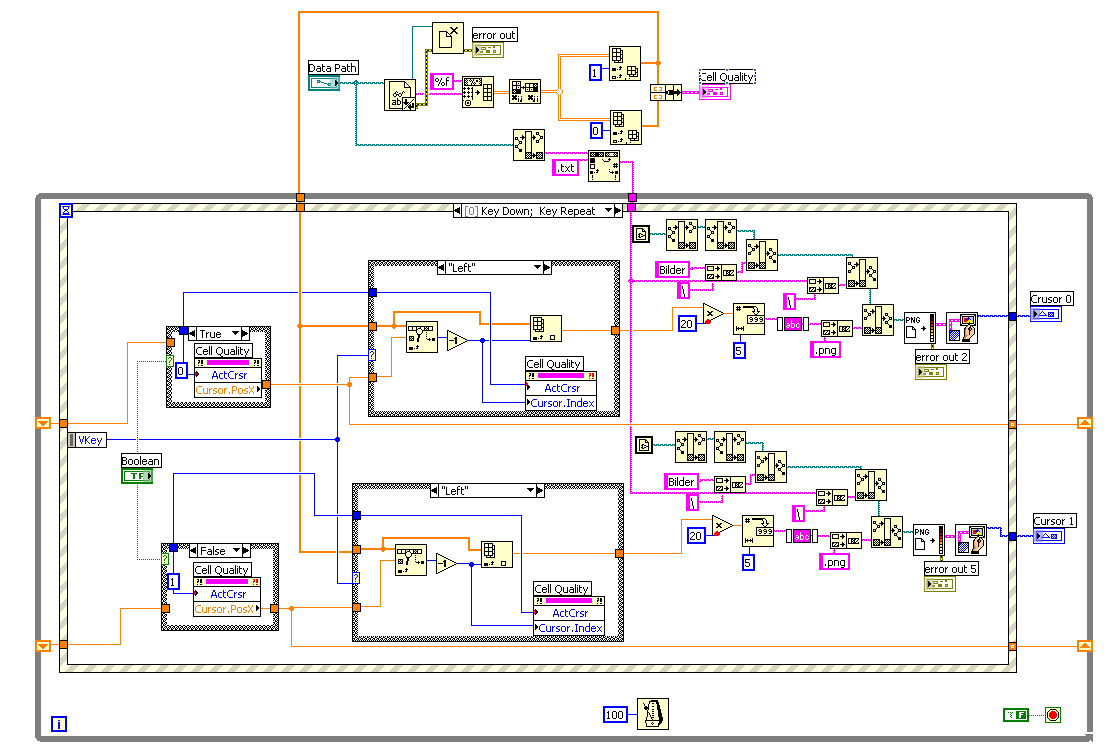
zweiter Cursor wechselt bei Tastendruck auch einmal die Position |
Wenn dein Problem oder deine Frage geklärt worden ist, markiere den Beitrag als "Lösung",
indem du auf den "Lösung" Button rechts unter dem entsprechenden Beitrag klickst. Vielen Dank!
|
|
|
| Möglicherweise verwandte Themen... | |||||
| Themen | Verfasser | Antworten | Views | Letzter Beitrag | |
| Fenster Position | Ratio | 19 | 22.028 |
14.06.2019 11:36 Letzter Beitrag: th13 |
|
| Frontpanel verkleinern -> Position und Größe nach Start | jan91 | 4 | 9.448 |
18.08.2015 14:19 Letzter Beitrag: Trinitatis |
|
| numerische Bedienung - schneller Wertänderung bei längeren Tastendruck | kallejoerg | 7 | 8.875 |
17.11.2014 06:47 Letzter Beitrag: kallejoerg |
|
| Zweiter Cursor-X-Wert in XY-Graph | KingLui | 9 | 11.852 |
09.09.2014 13:37 Letzter Beitrag: Lucki |
|
| Frontpanel Position nach Speichern | ahebauer | 2 | 7.218 |
24.03.2014 14:42 Letzter Beitrag: ahebauer |
|
| Smartphone-Position+Kompass Iphone/Android in LV übertragen | ITScotty | 1 | 6.123 |
07.03.2014 22:18 Letzter Beitrag: ITScotty |
|




.

