INFO: Dieses Forum nutzt Cookies...
Cookies sind für den Betrieb des Forums unverzichtbar. Mit der Nutzung des Forums erklärst Du dich damit einverstanden, dass wir Cookies verwenden.

Es wird in jedem Fall ein Cookie gesetzt um diesen Hinweis nicht mehr zu erhalten. Desweiteren setzen wir Google Adsense und Google Analytics ein.


Antwort schreiben 

Wie kann man seinem Programm ohne viele "Kabel" verschiede Konfigurationen ( in vielen Sub-Vis) sinnvoll übergeben ?



Wenn dein Problem oder deine Frage geklärt worden ist, markiere den Beitrag als "Lösung",
indem du auf den "Lösung" Button rechts unter dem entsprechenden Beitrag klickst. Vielen Dank!

15.08.2010, 18:54
Beitrag #1

gnu.the.iii Offline
LVF-Neueinsteiger


Beiträge: 8
Registriert seit: Sep 2009

8.6.1
2009
en

69120
Deutschland
Wie kann man seinem Programm ohne viele "Kabel" verschiede Konfigurationen ( in vielen Sub-Vis) sinnvoll übergeben ?
Hi,

ab und zu hab ich bei größeren Projekten immer wieder das gleiche Problem:

Ich arbeite ( bin sonst mehr bei C ) sehr stark mit Sub-Vi modular.


Ein Programm arbeitet 99% gleich - je nach Hardware / Messplatz sind ein paar Parameter (Zahlen, Werte etc.) zu ändern.

Wie kann ich das irgendwie "ankabeln", dass ca. 50 Parameter automatisch aktualisiert werden ( z.B. einmal beim Programmstart) ( in verschiedenen SubVis)


Eine Möglichkeit gerade die ich nutzte sind FGV, die mit First-Run beim Start des Programms ausgelesen wird, durch die beschränkte Ausgangsanzahl aber recht unflexibel...

Das Bundel by name ist recht "platzverschendend"

--> also bleibt die Frage:


Wie macht Ihr das ?


Gruß

Gnu
Alle Beiträge dieses Benutzers finden
Diese Nachricht in einer Antwort zitieren to top
Anzeige
15.08.2010, 19:58
Beitrag #2

schrotti Offline
LVF-Freak
****


Beiträge: 842
Registriert seit: Feb 2008

2009 - 2011
2006
kA

70180
Deutschland
Wie kann man seinem Programm ohne viele "Kabel" verschiede Konfigurationen ( in vielen Sub-Vis) sinnvoll übergeben ?
Ich schreib die Parameter in eine Datei, entweder XML oder INI. Lesen und Schreiben der Datei erledigt eine FGV, von welcher sich die betroffene VIs die Werte abholen können. Bei mir sieht das dann ungefähr so aus:

   

Gruß Julius
Empfehlungen: expressionflow, LavaG , mooregoodideas, OpenG, JKI Blog
Tipp
Alle Beiträge dieses Benutzers finden
Diese Nachricht in einer Antwort zitieren to top
15.08.2010, 22:12
Beitrag #3

Matze Offline
LVF-Team
LVF-Team

Beiträge: 1.027
Registriert seit: Apr 2010

20xx
2010
DE_EN

7xxxx
Deutschland
Wie kann man seinem Programm ohne viele "Kabel" verschiede Konfigurationen ( in vielen Sub-Vis) sinnvoll übergeben ?
' schrieb:Das Bundel by name ist recht "platzverschendend"
Nur als Ergänzung: Wenn du deine Variablen mit einem Namen versehen hast, kannst du "Bundle" verwenden. Das ist deutlich kompakter als "Bundle by Name".
Beim Auslesen der Werte aus diesem Cluster kann "Unbundle by Name" verwendet werden. Die Variablennamen sind dort enthalten (sofern du bei den variablen selbst Namen vergeben hast: Rechtsklick auf die Variable -> Visible Items -> Label und dort etwas eintippen).

   

Grüße
Alle Beiträge dieses Benutzers finden
Diese Nachricht in einer Antwort zitieren to top
15.08.2010, 23:07
Beitrag #4

eg Offline
LVF-SeniorMod


Beiträge: 3.868
Registriert seit: Nov 2005

2016
2003
kA

66111
Deutschland
Wie kann man seinem Programm ohne viele "Kabel" verschiede Konfigurationen ( in vielen Sub-Vis) sinnvoll übergeben ?
50 Parameter zu einem/mehreren Cluster zusammenfassen und direkt mit einem/mehreren "Kabeln" initialisieren.

Webseite des Benutzers besuchen Alle Beiträge dieses Benutzers finden
Diese Nachricht in einer Antwort zitieren to top
16.08.2010, 07:03
Beitrag #5

cb Offline
LVF-SeniorMod


Beiträge: 1.734
Registriert seit: Feb 2006

2018SP1
2001
EN

40xxx
Deutschland
Wie kann man seinem Programm ohne viele "Kabel" verschiede Konfigurationen ( in vielen Sub-Vis) sinnvoll übergeben ?
' schrieb:--> also bleibt die Frage:
Wie macht Ihr das ?

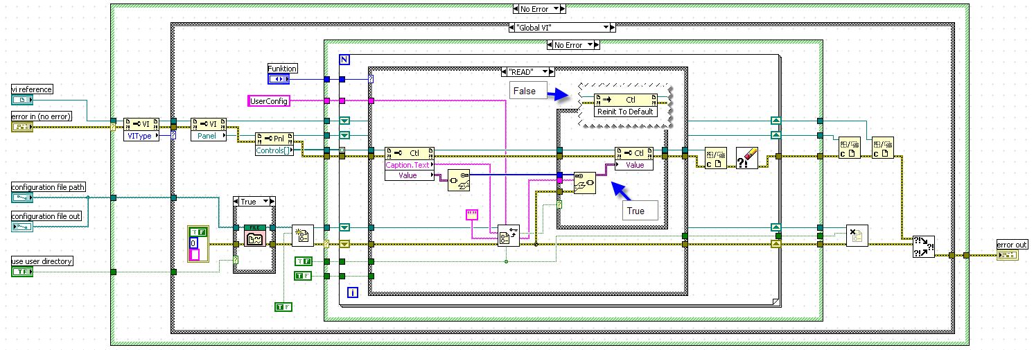
ich nehm globale Variablen, eine für allgemeine-Einstellungen und eine für die User-spezifischen Einstellungen:

   

dabei passiert das Einlesen der Daten aus einer Ini-Datei beim Programm-Start automatisch:
ich übergebe eine Referenz auf die Globale Variable, die wird "abgeklappert" und die Captions der Controls sind die Schlüssel in der INI-Datei. Wenn der Schlüssel nicht gefunden wird, wird automatisch der in der GV festgelegte Standard-Wert verwendet.

Schreiben beim Programm-Ende funktioniert analog zum Lesen.

Das schöne daran ist: ich muss mich um das Lesen/Schreiben und den Aufbau der INI-Datei eigentlich gar nicht mehr kümmern. wenn ich einen neuen Parameter brauche, der in der INI-Datei gespeichert werden soll, dann füge ich in der GV einfach ein Control hinzu, lege einen Standard-Wert und die Caption fest, und feddich ist die Laube.

Probleme damit gibt es eig. nur, wenn man vergisst eine Caption festzulegen.

Und bevor jetz jemand meckert wegen den globalen Variablen: genau dafür sind sie IMHO da: Daten global im ganzen Programm zur Verfügung stellen, und darum benutz ich sie auch dafürSmile

https://www.rotabench.com - Prüftechnik für Elektromotoren
Webseite des Benutzers besuchen Alle Beiträge dieses Benutzers finden
Diese Nachricht in einer Antwort zitieren to top
01.09.2010, 09:13
Beitrag #6

RLT-Solingen Offline
LVF-Neueinsteiger


Beiträge: 1
Registriert seit: Aug 2010

10
2008
de


Deutschland
Wie kann man seinem Programm ohne viele "Kabel" verschiede Konfigurationen ( in vielen Sub-Vis) sinnvoll übergeben ?
Ich habe eueren Beitrag gelesen und gesehen,

genau das brauch ich glaub ich.

Ich möchte beim Beenden meines Programms .
Einstellungen und Texte an verschiedenen Stellen speichern und beim Starten des Programms genau da wieder weiter machen.

Geht das hier beschreibene auch mit Text?
Des weiteren möchte ich Messdaten auch speichern können (Grafik) und wieder laden können. Aber das ist ein weiteres Thema.
Daran mache ich mich im nächsten Step


Vielen Dank im Voraus euch allen
Alle Beiträge dieses Benutzers finden
Diese Nachricht in einer Antwort zitieren to top
Anzeige
Antwort schreiben 


Möglicherweise verwandte Themen...
Themen Verfasser Antworten Views Letzter Beitrag
  Prüfstand mit LabVIEW ansteuern - Schleife mit vielen Zyklen Thomas_E 3 7.244 24.08.2023 13:43
Letzter Beitrag: Thomas_E
Question (viele) Bedienelemente deaktivieren / aktivieren F.Bi 3 6.294 16.08.2018 12:59
Letzter Beitrag: GerdW
Question Programm nur mit VISA-Bausteinen (Ohne vorgefertigte Bausteine) Powershot 6 7.468 01.12.2017 17:35
Letzter Beitrag: MaxP
  Viele Variablen in SubVI nutzen chrisw 3 4.580 02.12.2016 11:35
Letzter Beitrag: GerdW
  Ideeansatz gesucht: Viele Bedienelemente tuhpon 3 5.350 02.11.2015 13:58
Letzter Beitrag: Lucki
  Auswahllisten sinnvoll gestalten.... heinrich 1 3.677 25.03.2015 20:50
Letzter Beitrag: bietus

Gehe zu: