Hallo @all,
Ich muss so was ähnliches realisieren wie in diesem Threat. Vorerst muss ich sagen das ich ein neuling bin in Labview

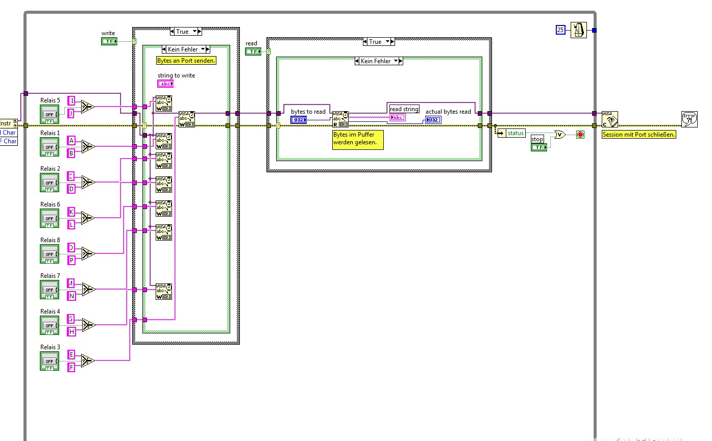
Also zu meinem Problem: Ich muss ebenfalls 8 Relais ansteuern, diese sind an einem µC Board angeschlossen und über Labview möchte ich eine grafische Oberfläche gestalten. Das sollte wie folgt funktionieren: |Button drücken|-->|Senden eines "char"(a,b,c...) über Labview|--> |µC Pin schalten|--> |Relais einschalten|-> |µC sendet ein anderes "char" zurück|-->|In Labview wird das Led oder Button Grün|.
Die Kommunikation habe ich anhand des Beispiels (Advanced Serial...) realisiert aber wie schaffe ich es
1.)dass 8 Buttons verschiedene "char" senden und die Buttons kontinuierlich abgefragt werden? und
2.) eine if-Anweisung für die Leds zu erstellen ?
Die Programmierung für den µC und die Komplette Platine, mit den Bauteilen bestückt, habe ich schon gemacht nur fehlt mir die Grafische Oberfläche die ich über Labview machen möchte.
Gruß
Abudhabi