Ok Holy danke für den Hinweis.
Allerdings mach ich das ja nicht ohne Grund:
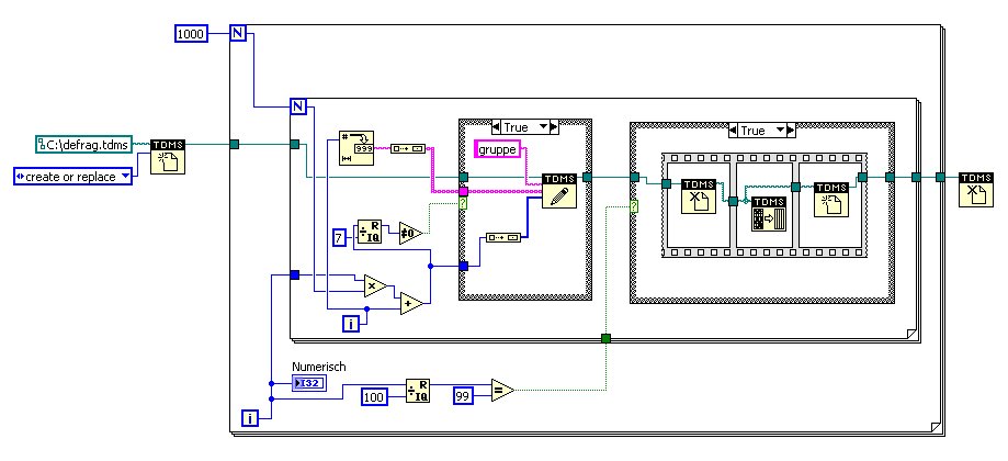
Wenn ich das nicht gemacht habe, kamen immer wieder Fehler beim Öffnen oder Schreiben der TDMS Dateien:
Interner Fehler... damit kann ich nicht viel anfangen.
Muss allerdings auch eingestehen, dass ich nicht weiß obs daran lag, dass ich keine Schieberegister verwendet habe.
Aber du hast schon recht. Habs jetzt mit einem Großen Datensatz die Nacht durchlaufen lassen. Kommt mehr doch sehr langsam vor

Aber auf jeden Fall läuft es jetzt stabil durch.
Ich werde es nochmal ohne zwischenzeitliches defragmentieren versuchen.
Gruß
Neska