INFO: Dieses Forum nutzt Cookies...
Cookies sind für den Betrieb des Forums unverzichtbar. Mit der Nutzung des Forums erklärst Du dich damit einverstanden, dass wir Cookies verwenden.

Es wird in jedem Fall ein Cookie gesetzt um diesen Hinweis nicht mehr zu erhalten. Desweiteren setzen wir Google Adsense und Google Analytics ein.


Antwort schreiben 

Dieses Thema hat akzeptierte Lösungen:

kontinuierliches Sample



Wenn dein Problem oder deine Frage geklärt worden ist, markiere den Beitrag als "Lösung",
indem du auf den "Lösung" Button rechts unter dem entsprechenden Beitrag klickst. Vielen Dank!

17.12.2013, 16:20
Beitrag #1

Wave Offline
LVF-Neueinsteiger


Beiträge: 3
Registriert seit: Dec 2013

2013
2013
DE



kontinuierliches Sample
Moin moin,

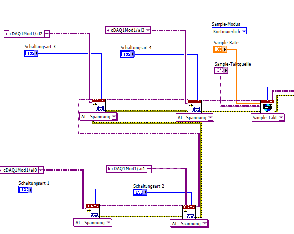
im Rahmen einer Projektarbeit musste ich nun zum ersten Mal mich an LabVIEW ranwagen. Dabei handelt es sich um einen recht einfachen Versuch, in dem eine bis vier Sonden zur Erfassung des Wasserstandes für einen Wellenkanal installiert sind. Vom A/D-Wandler wird ein analoges Spannungssignal ausgegeben (+/- 10V). Das Programm basiert auf den Expressbausteinen.

Aus dem Spannungssignal soll über eine lineare Gleichung (Steigung und Achsenabschnitt kann über Benutzer-Oberfläche eingeben werden) auf eine Wellenhöhe umgerechnet werden. Dies erfolgt für jeden Kanal einzeln über eine Aufteilung in 4 Arrays.
Die Ausgabe erfolgt sowohl über einen Graphen als auch über eine Messwerte-Datei.

Das Problem liegt nun darin, dass ich gerne mehr Samples auslesen lassen würde - also kontinuierlich. Bei über 1000 Samples bereitet mir allerdings der Puffer Probleme.

Wie kann ich am einfachsten eine kontinuierliche Erfassung realisieren? Laut LabVIEW-Hilfe kann man angeblich die Sample-Anzahl auf 0 bzw. -1 setzen. Aber das funktioniert auch nicht. Gibt es weiterhin eine Möglichkeit sowohl Zeit als auch die umgerechnete Wellenhöhe zu protokollieren?

Vielen Dank!!!


Angehängte Datei(en) Thumbnail(s)
               
Alle Beiträge dieses Benutzers finden
Diese Nachricht in einer Antwort zitieren to top
Anzeige
17.12.2013, 16:23 (Dieser Beitrag wurde zuletzt bearbeitet: 17.12.2013 16:28 von GerdW.)
Beitrag #2

GerdW Offline
______________
LVF-Team

Beiträge: 17.536
Registriert seit: May 2009

LV2019 (LV2021)
1995
DE_EN

10×××
Deutschland
RE: kontinuierliches Sample
Hallo Wave,

ich habe deinen Doppelpost mal gelöscht...

Zum Problem:
Du hast eine Samplerate von 100Hz bei einer Sampleanzahl von 1000 konfiguriert. Das macht 10s für den Lesevorgang. dies ist aber auch der Standardwert für das TimeOut beim Lesevorgang - welches also gern mal mit einem Timeout abbrechen wird, wenn du mehr als 1000 Samples abfragen willst.
Grundregel:
Man sollte ca. 1/10 der Samplerate als zu lesende Samples vorgeben, das ergibt einen Schleifentakt von 100ms. Bei dir also 10 Samples to read...

Tipps:
- IndexArray kann man aufziehen, um mehrere Elemente zu indizieren.
- IndexArray benötigt nicht unbedingt eine Konstante am Index-Eingang.

Alle Beiträge dieses Benutzers finden
Diese Nachricht in einer Antwort zitieren to top
17.12.2013, 17:13 (Dieser Beitrag wurde zuletzt bearbeitet: 17.12.2013 17:14 von Wave.)
Beitrag #3

Wave Offline
LVF-Neueinsteiger


Beiträge: 3
Registriert seit: Dec 2013

2013
2013
DE



RE: kontinuierliches Sample
Danke für die schnelle Antwort. Allmählich versteh ich hoffentlich den Zusammenhang zwischen Sample-Rate und Anzahl: Die Sample-Anzahl bestimmt doch im Endeffekt nur die Puffergröße und nimmt folglich nur Einfluss auf die Darstellung im Frontpanel, oder? Im Protokoll (Excel) ist die Zeitauflösung aber unabhängig davon.

Danke für den Tipp mit dem Array, schon umgesetzt Smile
Alle Beiträge dieses Benutzers finden
Diese Nachricht in einer Antwort zitieren to top
17.12.2013, 17:58
Beitrag #4

GerdW Offline
______________
LVF-Team

Beiträge: 17.536
Registriert seit: May 2009

LV2019 (LV2021)
1995
DE_EN

10×××
Deutschland
RE: kontinuierliches Sample
Hallo Wave,

Zitat:Allmählich versteh ich hoffentlich den Zusammenhang zwischen Sample-Rate und Anzahl:
Das wäre gut... Big Grin
"Lesezeit = Sampleanzahl*1/Samplerate" lautet der Zusammenhang.

Zitat:Die Sample-Anzahl bestimmt doch im Endeffekt nur die Puffergröße
Ja. Den Puffer legt der DAQmx-Treiber ohne dein weiteres Zutun an...

Zitat:und nimmt folglich nur Einfluss auf die Darstellung im Frontpanel, oder?
Nein. Wie kommst du darauf?

Zitat:Im Protokoll (Excel) ist die Zeitauflösung aber unabhängig davon.
Das hängt von deiner Programmierung ab...

Alle Beiträge dieses Benutzers finden
Diese Nachricht in einer Antwort zitieren to top
20.12.2013, 18:33
Beitrag #5

Wave Offline
LVF-Neueinsteiger


Beiträge: 3
Registriert seit: Dec 2013

2013
2013
DE



RE: kontinuierliches Sample

Akzeptierte Lösung

Hallo,

wir haben nun einen anderen Weg gefunden und gewählt: Entfernung von Sample-Rate und Sample-Anzahl. Stattdessen eine Taktsteuerung der Berechnungsschleife per Metronom für den Graphen und das Schreiben der Messwerte mit Zeitstempel.

Vielen Dank für eure Hilfe und Ratschläge!
Alle Beiträge dieses Benutzers finden
Diese Nachricht in einer Antwort zitieren to top
Antwort schreiben 


Möglicherweise verwandte Themen...
Themen Verfasser Antworten Views Letzter Beitrag
  Kontinuierliches Signal erfassen ohne Lücken giwreh 1 3.473 22.09.2022 12:05
Letzter Beitrag: GerdW
  kontinuierliches Schreiben mit Regeneration Ch.Mueller 2 4.644 21.10.2021 07:07
Letzter Beitrag: Ch.Mueller
Smile kontinuierliches Lesen mit Zählerwert Ch.Mueller 4 5.285 18.08.2021 13:52
Letzter Beitrag: Ch.Mueller
  Sample-Modus und Interface Christoph1993 1 4.023 13.11.2019 11:01
Letzter Beitrag: jg
Sad Frequenz und analoge Signale mit der gleichen Sample Anzahl messen DM_94 7 8.495 13.09.2018 14:52
Letzter Beitrag: Lucki
  Sample Clock Management Florian Sim 2 6.246 23.03.2015 17:18
Letzter Beitrag: Florian Sim

Gehe zu: