Hallo GerdW,
vielen Dank für die Antworte,
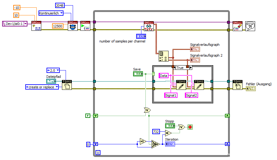
Merke 1: Zu deinem SplitSignal: Wozu in diesem VI jetzt noch ein ExpressVI? Was gefällt dir nicht an einem einfachen IndexArray?
Sie haben recht, aber es ist für mich ein Test vi um den save-Programm zu schreiben um später im eigentlichen Programm zu implementieren.
Merke 2

a ist kein "Reset"-Button. Da ist einer namens "Boolesch", den meinst du wahrscheinlich…
Reset-Button ist Boolesch, das brauche ich auch im meinem Programm, denn im Programm benötigt man manchmal es um die Iteration ohne Datenspeicherung zurückzusetzen.
Merke 3: Mal etwas Pseudocode
Gerdw, Dein Pseudo-programm könnte mir helfen, aber es ist mir schwer das im LV umzuwandlen, denn ich bin nicht so fit beim Programmieren.
Wäre sehr nett es als LV-Code.
Vielen Dank noch mal für die Hilfe.