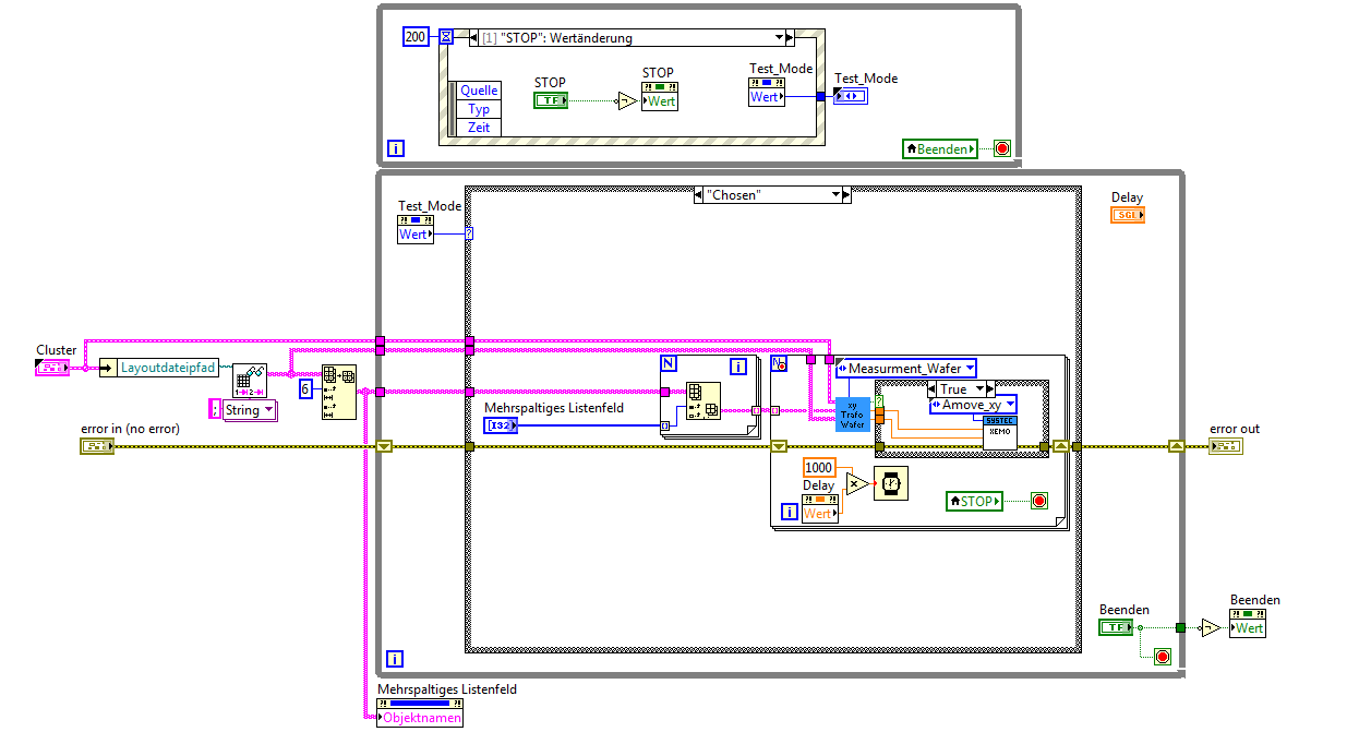
Ereignis "Wertänderung" verzögern |
Wenn dein Problem oder deine Frage geklärt worden ist, markiere den Beitrag als "Lösung",
indem du auf den "Lösung" Button rechts unter dem entsprechenden Beitrag klickst. Vielen Dank!
| 30
|
|
|
| Möglicherweise verwandte Themen... | |||||
| Themen | Verfasser | Antworten | Views | Letzter Beitrag | |
| Benutzerdefinirtes Ereignis mit Arduino | jennylena | 1 | 3.979 |
15.02.2018 09:53 Letzter Beitrag: IchSelbst |
|
| Ereignis Struktur | 911tom | 9 | 8.792 |
20.12.2017 20:57 Letzter Beitrag: GerdW |
|
| Eventzähler bei Wertänderung | 1990 | 8 | 7.691 |
22.05.2017 16:08 Letzter Beitrag: Freddy |
|
| Mit Wertänderung eine Case-Struktur ansteuern | ChrisR_ | 9 | 9.274 |
05.09.2016 11:21 Letzter Beitrag: TSC |
|
| Case Struktur in while Schleife verzögern | Vaati | 2 | 5.408 |
26.02.2016 19:09 Letzter Beitrag: Vaati |
|
| Schieberegler Wertänderung | Hydrogencarbonat | 37 | 26.129 |
12.11.2015 19:14 Letzter Beitrag: Lucki |
|







