INFO: Dieses Forum nutzt Cookies...
Cookies sind für den Betrieb des Forums unverzichtbar. Mit der Nutzung des Forums erklärst Du dich damit einverstanden, dass wir Cookies verwenden.

Es wird in jedem Fall ein Cookie gesetzt um diesen Hinweis nicht mehr zu erhalten. Desweiteren setzen wir Google Adsense und Google Analytics ein.


Antwort schreiben 

Dieses Thema hat akzeptierte Lösungen:

Daten in einem Access Datenbank schreiben



Wenn dein Problem oder deine Frage geklärt worden ist, markiere den Beitrag als "Lösung",
indem du auf den "Lösung" Button rechts unter dem entsprechenden Beitrag klickst. Vielen Dank!

27.04.2017, 08:50
Beitrag #1

galilio Offline
LVF-Gelegenheitsschreiber
**


Beiträge: 175
Registriert seit: Mar 2014

2015
2013
EN


Schweiz
Daten in einem Access Datenbank schreiben
Hallo zusammen,


ich versuche gemessenen Daten in einem Access Datenbank zu schreiben, da kriege ich immer einen Fehlermeldung:

Error -2147217900 occurred at NI_Database_API.lvlib:Conn Execute.vi->DBMeasure.lvlib:WriteDBaseMeasure.vi

Possible reason(s):
ADO Error: 0x80040E14
Exception occured in Microsoft Access Database Engine: Syntaxfehler in der INSERT INTO-Anweisung


Wenn ich in Debug Modus bin und der SQL Anweisung nehme und in Access ausführe, dann wird korrekt ausgeführt.

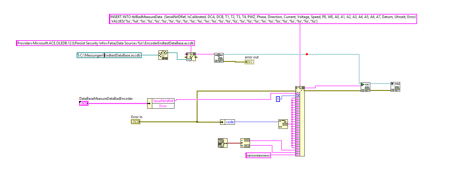
Hier der SQl Anweisung:
INSERT INTO tblBadMeasureData (SerialNrIDRef, IsCalibrated, DCA, DCB, T1, T2, T3, T4, PWZ, Phase, Direction, Current, Voltage, Speed, PE, WE, A0, A1, A2, A3, A4, A5, A6, A7, Datum, Uhrzeit, Error)
VALUES('ED000001874','0','0','0','0','0','0','0','0','0','0','0','0','0','0','0'​,'0','0','0','0','0','0','0','0','27.04.2017','08:45','serswreewrewr')


Anbei einen screenshot von der Anwendung.


Danke in voraus


Angehängte Datei(en) Thumbnail(s)
   
Alle Beiträge dieses Benutzers finden
Diese Nachricht in einer Antwort zitieren to top
Anzeige
27.04.2017, 10:59 (Dieser Beitrag wurde zuletzt bearbeitet: 27.04.2017 11:07 von Freddy.)
Beitrag #2

Freddy Offline
Oldtimer
****


Beiträge: 729
Registriert seit: Aug 2008

2019, 2020, 2021
1996
DE

76275
Deutschland
RE: Daten in einem Access Datenbank schreiben
Hallo galilio,
wenn du die Errorleitung vom Datenbank auf an die Datenbank schreiben hängst geht es.
Jetzt wird nicht sicher zuerst die Datenbank geöffnet und dann geschrieben.

Vergiss meine Aussage, die ist falsch.

Gruß
Freddy
Hallo galilio,
Datum muss '#01/02/2017#' geschrieben werden.

Gruß
Freddy

Einführende Links zu LabVIEW, s. GerdWs Signatur.
Webseite des Benutzers besuchen Alle Beiträge dieses Benutzers finden
Diese Nachricht in einer Antwort zitieren to top
27.04.2017, 11:49 (Dieser Beitrag wurde zuletzt bearbeitet: 27.04.2017 12:06 von galilio.)
Beitrag #3

galilio Offline
LVF-Gelegenheitsschreiber
**


Beiträge: 175
Registriert seit: Mar 2014

2015
2013
EN


Schweiz
RE: Daten in einem Access Datenbank schreiben
(27.04.2017 10:59 )Freddy schrieb:  Datum muss '#01/02/2017#' geschrieben werden.
eigentlich muss eine Datum nicht unbedingt in dieses Format formatiert werden, weil es sons der vorherige Query kann es nicht in Access funktionieren

Der Anhang ist eigentlich nur einen Testversuch. Damit möchte ich nur wissen, ob es überhaupt mit der Database funktioniert aber der richtige Implementiereung ist in einen grossen Projekt.
Alle Beiträge dieses Benutzers finden
Diese Nachricht in einer Antwort zitieren to top
27.04.2017, 12:12 (Dieser Beitrag wurde zuletzt bearbeitet: 27.04.2017 12:16 von Freddy.)
Beitrag #4

Freddy Offline
Oldtimer
****


Beiträge: 729
Registriert seit: Aug 2008

2019, 2020, 2021
1996
DE

76275
Deutschland
RE: Daten in einem Access Datenbank schreiben
Sind alle Felder CHAR - Felder?
Und stimmt die Länge der Felder mit der Übergabe überein?

Gruß
Freddy
Den Fehlercode kannst Du Dir sparen.
Im Fehlerfall wird die Error-Leitung das Schreiben verhindern.
Gruß
Freddy

Einführende Links zu LabVIEW, s. GerdWs Signatur.
Webseite des Benutzers besuchen Alle Beiträge dieses Benutzers finden
Diese Nachricht in einer Antwort zitieren to top
27.04.2017, 12:41
Beitrag #5

galilio Offline
LVF-Gelegenheitsschreiber
**


Beiträge: 175
Registriert seit: Mar 2014

2015
2013
EN


Schweiz
RE: Daten in einem Access Datenbank schreiben
(27.04.2017 12:12 )Freddy schrieb:  Sind alle Felder CHAR - Felder?
Ja
(27.04.2017 12:12 )Freddy schrieb:  Und stimmt die Länge der Felder mit der Übergabe überein?
Ja

(27.04.2017 12:12 )Freddy schrieb:  Den Fehlercode kannst Du Dir sparen.
Im Fehlerfall wird die Error-Leitung das Schreiben verhindern.
Ja das stimmt
Alle Beiträge dieses Benutzers finden
Diese Nachricht in einer Antwort zitieren to top
27.04.2017, 13:24
Beitrag #6

Freddy Offline
Oldtimer
****


Beiträge: 729
Registriert seit: Aug 2008

2019, 2020, 2021
1996
DE

76275
Deutschland
RE: Daten in einem Access Datenbank schreiben
Fehlt da am Ende ein Semikolon ?

INSERT INTO table_name (column1, column2, column3, ...)
VALUES (value1, value2, value3, ...);

Einführende Links zu LabVIEW, s. GerdWs Signatur.
Webseite des Benutzers besuchen Alle Beiträge dieses Benutzers finden
Diese Nachricht in einer Antwort zitieren to top
Anzeige
27.04.2017, 13:59
Beitrag #7

galilio Offline
LVF-Gelegenheitsschreiber
**


Beiträge: 175
Registriert seit: Mar 2014

2015
2013
EN


Schweiz
RE: Daten in einem Access Datenbank schreiben

Akzeptierte Lösung

@Jaein

Mit oder Ohne funktioniert eigentlich aber das ist nicht das Problem.


Problem ist, dass Current einen schlüsselwort in LabVIEW. Also ich darf es hier nicht benutzen
Warum ist es so: weiss ich nicht aber das ist das Problem.
Alle Beiträge dieses Benutzers finden
Diese Nachricht in einer Antwort zitieren to top
27.04.2017, 14:42
Beitrag #8

jg Offline
CLA & CLED
LVF-Team

Beiträge: 15.864
Registriert seit: Jun 2005

20xx / 8.x
1999
EN

Franken...
Deutschland
RE: Daten in einem Access Datenbank schreiben
(27.04.2017 13:59 )galilio schrieb:  Problem ist, dass Current einen schlüsselwort in LabVIEW. Also ich darf es hier nicht benutzen
Warum ist es so: weiss ich nicht aber das ist das Problem.
Deine Vermutung ist falsch. LabVIEW hat damit nichts zu tun, sondern T-SQL. Current ist ein reserviertes Keyword und darf deshalb bei Spaltennamen (o.ä.) nur mit "Maskierung" verwendet werden.

Schreib Current in eckige Klammern (vielleicht auch doppelte Anführungsstriche), und es sollte funktionieren.

Gruß, Jens

Wer die erhabene Weisheit der Mathematik tadelt, nährt sich von Verwirrung. (Leonardo da Vinci)

!! BITTE !! stellt mir keine Fragen über PM, dafür ist das Forum da - andere haben vielleicht auch Interesse an der Antwort!

Einführende Links zu LabVIEW, s. GerdWs Signatur.
Alle Beiträge dieses Benutzers finden
Diese Nachricht in einer Antwort zitieren to top
27.04.2017, 15:12
Beitrag #9

galilio Offline
LVF-Gelegenheitsschreiber
**


Beiträge: 175
Registriert seit: Mar 2014

2015
2013
EN


Schweiz
RE: Daten in einem Access Datenbank schreiben
Current habe ich so geschrieben:
"[Current]" -->bekomme immer eine Fehlermeldung
Alle Beiträge dieses Benutzers finden
Diese Nachricht in einer Antwort zitieren to top
27.04.2017, 15:58
Beitrag #10

jg Offline
CLA & CLED
LVF-Team

Beiträge: 15.864
Registriert seit: Jun 2005

20xx / 8.x
1999
EN

Franken...
Deutschland
RE: Daten in einem Access Datenbank schreiben
Nicht beides, entweder [Current] (falls sich ACCESS an die Syntax eine MS SQL Server hält) ODER "Current" (so sollte es laut T-SQL eigentlich gehen).

Gruß, Jens

Wer die erhabene Weisheit der Mathematik tadelt, nährt sich von Verwirrung. (Leonardo da Vinci)

!! BITTE !! stellt mir keine Fragen über PM, dafür ist das Forum da - andere haben vielleicht auch Interesse an der Antwort!

Einführende Links zu LabVIEW, s. GerdWs Signatur.
Alle Beiträge dieses Benutzers finden
Diese Nachricht in einer Antwort zitieren to top
Antwort schreiben 


Möglicherweise verwandte Themen...
Themen Verfasser Antworten Views Letzter Beitrag
  Fehler bei Zugrif auf Access.accdb uecontitech 8 10.059 11.07.2019 15:05
Letzter Beitrag: Freddy
  TDMS-Daten direkt schreiben, nicht im RAM halten RabenFlug 2 5.141 12.04.2019 10:23
Letzter Beitrag: RabenFlug
  DB beschreiben ohne Access auf dem Zielsystem Trinitatis 5 7.964 20.12.2017 11:43
Letzter Beitrag: Trinitatis
  Anbindung Datenbank PostgreSQL oder Access bumchaka 27 44.036 21.11.2017 08:58
Letzter Beitrag: TDO
  Aus Access-DB lesen LabDevo_CLD 10 17.031 22.05.2017 15:52
Letzter Beitrag: rolfk
  DI Daten in Datei schreiben puuk! 10 16.243 15.12.2015 13:08
Letzter Beitrag: GerdW

Gehe zu: