INFO: Dieses Forum nutzt Cookies...
Cookies sind für den Betrieb des Forums unverzichtbar. Mit der Nutzung des Forums erklärst Du dich damit einverstanden, dass wir Cookies verwenden.

Es wird in jedem Fall ein Cookie gesetzt um diesen Hinweis nicht mehr zu erhalten. Desweiteren setzen wir Google Adsense und Google Analytics ein.


Antwort schreiben 

Dieses Thema hat akzeptierte Lösungen:

Kanalnamen berechneter Kanäle neu definieren



Wenn dein Problem oder deine Frage geklärt worden ist, markiere den Beitrag als "Lösung",
indem du auf den "Lösung" Button rechts unter dem entsprechenden Beitrag klickst. Vielen Dank!

10.12.2019, 07:40
Beitrag #1

Titus85 Offline
LVF-Gelegenheitsschreiber
**


Beiträge: 78
Registriert seit: Jul 2014

2019
2014
DE


Deutschland
Kanalnamen berechneter Kanäle neu definieren
Hallo Leute,

ich habe folgendes Problem:

Ich lese ein Datenarray ein (1D), schlüssele die einzelnen Kanäle danach auf und führe einige einfache Berechnungen durch. Danach will ich die einzelnen Kanäle in eine Datei schreiben und den berechneten Kanal ebenfalls. Das Problem hierbei ist, dass Labview den berechneten Kanal unter einem der Kanalnamen führt der zur Berechnung notwendig ist, somit habe ich dann in der geschriebenen Datei doppelt soviele Datenpunkte auf dem besagten Kanal. Die Benennung scheint willkürlich da ja mehr als ein Kanal an der Berechnung beteiligt ist.

Ich habe versucht den berechneten Kanal umzubenennen mit dem VI "Attribute festlegen" (Oben im Bild) und diesen neuen Kanal dann an "Signale zusammenführen" angeschlossen. Leider klappt das nicht, der Kanal wird nicht umbenannt und die Datei speichert dann noch nicht einmal.

Mir ist klar, dass die Berechnung auch im Nachgang erfolgen könnte, ich möchte aber die Berechnung gleich mit aufzeichnen.

Die konkrete Frage lautet also wie ich den berechneten Messkanal umbenennen kann.

Gruß Titus


Angehängte Datei(en) Thumbnail(s)
   
Alle Beiträge dieses Benutzers finden
Diese Nachricht in einer Antwort zitieren to top
Anzeige
10.12.2019, 08:13 (Dieser Beitrag wurde zuletzt bearbeitet: 10.12.2019 08:17 von GerdW.)
Beitrag #2

GerdW Offline
______________
LVF-Team

Beiträge: 17.536
Registriert seit: May 2009

LV2019 (LV2021)
1995
DE_EN

10×××
Deutschland
RE: Kanalnamen berechneter Kanäle neu definieren
Hallo Titus,

Zitat:Ich lese ein Datenarray ein (1D)
Du liest ein 1D-Array of Waveforms ein…


Zitat:schlüssele die einzelnen Kanäle danach auf
Warum benötigst du dafür 4× IndexArray mit 4 Konstanten? Das geht mit einem einzigen IndexArray - ohne Konstanten!

Zitat:und führe einige einfache Berechnungen durch.
Wieso wird das Ergebnis der Berechnung - eine Waveform - dann in skalaren numeric-Indicators angezeigt?

Zitat:Ich habe versucht den berechneten Kanal umzubenennen mit dem VI "Attribute festlegen" (Oben im Bild) und diesen neuen Kanal dann an "Signale zusammenführen" angeschlossen. Leider klappt das nicht, der Kanal wird nicht umbenannt und die Datei speichert dann noch nicht einmal.
Leider zeigst du nicht, wie du das versucht hast.
Und warum musst du hier ein ExpressVI verwenden, wenn du eigentlich ein Array of Waveforms bauen willst? Dafür gibt es doch BuildArray!

Zitat:Danach will ich die einzelnen Kanäle in eine Datei schreiben und den berechneten Kanal ebenfalls. Das Problem hierbei ist, dass Labview den berechneten Kanal unter einem der Kanalnamen führt der zur Berechnung notwendig ist, somit habe ich dann in der geschriebenen Datei doppelt soviele Datenpunkte auf dem besagten Kanal. Die Benennung scheint willkürlich da ja mehr als ein Kanal an der Berechnung beteiligt ist.
Wie wird denn dein TDMS konfiguriert? Wie legst du die Gruppen- und Kanalnamen fest?

Zitat:Die konkrete Frage lautet also wie ich den berechneten Messkanal umbenennen kann.
Das steht in der Hilfe zu "Attribute festlegen": man kann einen beliebigen Namen bei NI_ChannelName festlegen…

Wenn man dann auf ExpressVIs verzichtet und die Queue auch korrekt mit einem 1D-Array of Waveforms als Datentyp initialisiert, dann sollte das auch wunderbar funktionieren!

Zu deinem Bild:
Bilder lassen sich mit LabVIEW ganz schlecht debuggen. Wenn du dagegen dein Projekt als VIs (ZIP) angehangen hättest, wäre dir wahrscheinlich schon geholfen worden…

Alle Beiträge dieses Benutzers finden
Diese Nachricht in einer Antwort zitieren to top
10.12.2019, 11:58 (Dieser Beitrag wurde zuletzt bearbeitet: 10.12.2019 12:02 von Titus85.)
Beitrag #3

Titus85 Offline
LVF-Gelegenheitsschreiber
**


Beiträge: 78
Registriert seit: Jul 2014

2019
2014
DE


Deutschland
RE: Kanalnamen berechneter Kanäle neu definieren
Hallo Gerd,

zunächst einmal vielen Dank für Deine ausführliche Antwort, ich hätte da auch noch die ein oder andere Rückfrage aber zunächst habe ich ein anderes Problem. Ich habe das "Signale zusammenführen" durch "Array erstellen" ersetzt, worauf ich auch selbst hätte kommen können. Das Benennen des Attributes habe ich anfangs falsch, jetzt richtig gemacht, der Kanalname wird nun umbenannt. Die Kontrolleuchte "Ersetzt" ist auf jeden Fall an, ich habe es auch mit einer Sonde kontrolliert. 33 ist vor dem Signalverlaufsattribut 44 ist direkt danach, den einzigen Unterschied den ich erkennen kann sind die geschweiften Klammern bei 44, also nach dem Umbenennung. ABER ... und jetzt verstehe ich gar nichts mehr, dieser Kanal lässt sich nicht aufzeichnen! Die anderen Waveforms lassen sich alle problemlos bünden und abspeichern aber sobald das geänderte Signal im Array ist, wird die Datei, ohne jedwede Form von Fehlermeldung, nicht abgespeichert.

Also: 33 funktioniert so wie es soll. Bei 44 wird die Datei gelöscht, egal in welcher Konstellation sobald der geänderte Kanal im Array ist wird nicht aufgezeichnet.

Auch alleine kann man den geänderten Kanal nicht abspeichern........ im Ordner wird die potentielle Datei zwar zunächst angezeigt aber wenn das Programm beendet wird, verschwindet sie eine Sekunde später. Wie bereits gesagt, ohne Fehlermeldung ... einfach weg.

Was soll ich nun machen?


Angehängte Datei(en) Thumbnail(s)
               
Alle Beiträge dieses Benutzers finden
Diese Nachricht in einer Antwort zitieren to top
10.12.2019, 12:25 (Dieser Beitrag wurde zuletzt bearbeitet: 10.12.2019 14:03 von Titus85.)
Beitrag #4

Titus85 Offline
LVF-Gelegenheitsschreiber
**


Beiträge: 78
Registriert seit: Jul 2014

2019
2014
DE


Deutschland
RE: Kanalnamen berechneter Kanäle neu definieren
(10.12.2019 08:13 )GerdW schrieb:  Zu deinem Bild:
Bilder lassen sich mit LabVIEW ganz schlecht debuggen. Wenn du dagegen dein Projekt als VIs (ZIP) angehangen hättest, wäre dir wahrscheinlich schon geholfen worden…

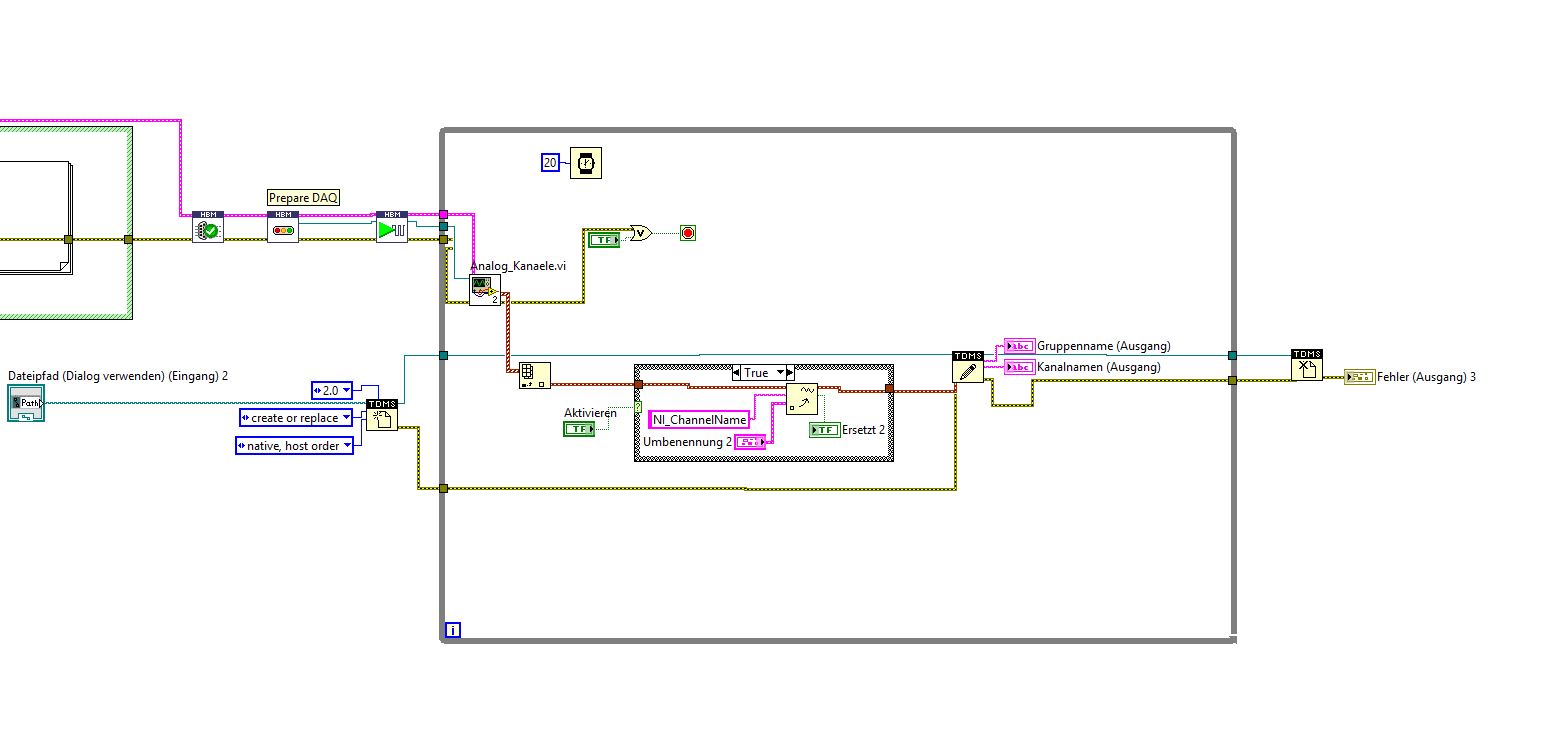
Hab das VI mal hochgeladen, es sind aber lizenzpflichtige Treiber drin, deswegen hab ich es zunächst gelassen, kann man aber auch ein paar Tage so benutzen. Hier der Link.

https://www.hbm.com/de/4404/labview-driv...q-systems/

Nachtrag: Die Kanalnamen werden von dem VI "Get Signals" abgefragt und zwar von einer Initialisierungssoftware, da kann man nichts gegen tun und auch die Namen kann ich nur bedingt ändern, da viele Sensoren TEDS haben.


Angehängte Datei(en)
13.0 .vi  Berechnung_und_Aufzeichnung.vi (Größe: 45,78 KB / Downloads: 405)

13.0 .vi  Analog_Kanaele.vi (Größe: 18,35 KB / Downloads: 400)
Alle Beiträge dieses Benutzers finden
Diese Nachricht in einer Antwort zitieren to top
10.12.2019, 15:03
Beitrag #5

GerdW Offline
______________
LVF-Team

Beiträge: 17.536
Registriert seit: May 2009

LV2019 (LV2021)
1995
DE_EN

10×××
Deutschland
RE: Kanalnamen berechneter Kanäle neu definieren
Hallo Titus,

so funktioniert das bei mir:
   

Zitat:Wie bereits gesagt, ohne Fehlermeldung ... einfach weg.
Wenn ich wie du ein SetAttribute einsetze, bekomme ich den Fehler -2513 geliefert!
Ich verstehe nicht, wieso du keine Fehlermeldung bekommst…

Alle Beiträge dieses Benutzers finden
Diese Nachricht in einer Antwort zitieren to top
10.12.2019, 15:49 (Dieser Beitrag wurde zuletzt bearbeitet: 10.12.2019 15:52 von Titus85.)
Beitrag #6

Titus85 Offline
LVF-Gelegenheitsschreiber
**


Beiträge: 78
Registriert seit: Jul 2014

2019
2014
DE


Deutschland
RE: Kanalnamen berechneter Kanäle neu definieren
Hallo Gerd,

(10.12.2019 15:03 )GerdW schrieb:  Hallo Titus,

so funktioniert das bei mir:

Ja so funktioniert das bei mir auch, das Problem ist aber, dass ich es so nicht will.

Du hast, beispielsweise, die Kanäle A,B,C und D und verrechnst diese miteinander und erlangst so einen Wert F den Du ebenfalls auf einem Kanal mitschreiben willst. Wenn Du ihn aber ohne ihn umzubenennen mitschreibst, vermischt er sich mit einem der Kanäe A,B,C oder D und Du hast auf einem dieser Kanäle die doppelte Anzahl an Werten, wenn Du den Kanal umbenennst wird final keine Datei erstellt.

Ich habe an jeden Fehlerausgang nochmal eine Anzeige gehängt, keine Fehlermeldung.

Ich verstehe es nicht ganz warum das so nicht funktioniert und ich verstehe nicht warum die Fehlermeldung bei mir nicht auftaucht.... da ist doch was faul. Noch eine Idee was man da tun könnte?

Gruß Titus

PS: Auch komisch, den Fehler -2513 scheint es auch nicht zu geben...^^
Alle Beiträge dieses Benutzers finden
Diese Nachricht in einer Antwort zitieren to top
Anzeige
10.12.2019, 16:53 (Dieser Beitrag wurde zuletzt bearbeitet: 10.12.2019 20:17 von GerdW.)
Beitrag #7

GerdW Offline
______________
LVF-Team

Beiträge: 17.536
Registriert seit: May 2009

LV2019 (LV2021)
1995
DE_EN

10×××
Deutschland
RE: Kanalnamen berechneter Kanäle neu definieren
Hallo Titus,

Fehler -2513 ist für mich definiert, es ist ein TDMS-Fehler… (LV2011)

Nachtrag: auch unter LV2019 ist dieser Fehler definiert…

Alle Beiträge dieses Benutzers finden
Diese Nachricht in einer Antwort zitieren to top
10.12.2019, 17:28
Beitrag #8

seuk Offline
LVF-Grünschnabel
*


Beiträge: 38
Registriert seit: May 2018

2019x64
-
EN


Deutschland
RE: Kanalnamen berechneter Kanäle neu definieren
(10.12.2019 15:49 )Titus85 schrieb:  Du hast, beispielsweise, die Kanäle A,B,C und D und verrechnst diese miteinander und erlangst so einen Wert F den Du ebenfalls auf einem Kanal mitschreiben willst.

   

Vielleicht hilft dir das weiter? Aber eigentlich verwendest du ja schon das richtige VI Attribut setzen...

Auf deinem Bild sieht es so aus, als würde der Kanal "Wirkungsgrad2" mit dem neuen Attribut gesetzt. Verwendest du den Output dann auch für das TDMS File? Das was du unten in die Queue schreibst, hat das Attribut natürlich nicht gesetzt, so wie es verbunden ist - da heiße alle drei Kanäle noch genau wie vor dem Aufruf des VIs...


Angehängte Datei(en)
8.0 .vi  Analog Read Simulated.vi (Größe: 30,81 KB / Downloads: 395)
Alle Beiträge dieses Benutzers finden
Diese Nachricht in einer Antwort zitieren to top
11.12.2019, 07:21 (Dieser Beitrag wurde zuletzt bearbeitet: 11.12.2019 07:35 von Titus85.)
Beitrag #9

Titus85 Offline
LVF-Gelegenheitsschreiber
**


Beiträge: 78
Registriert seit: Jul 2014

2019
2014
DE


Deutschland
RE: Kanalnamen berechneter Kanäle neu definieren
Guten Morgen,

nein das hilft leider nicht. Ich habe jetzt mal etwas (verzweifelt) herumgespielt. Wenn ich das Programm mit dem Original-Messkanalnamen beginne und nach dem Start umschalte, wird die Messung aufgezeichnet, allerdings scheint der Kanal dann als unbenannter Kanal zu laufen, das TDMS VI Schreiben zeigt dann aber auch weder Kanal- noch Gruppennamen an.

PS: Den Fehler -2513 habe ich jetzt ebenfalls erzahlten.


Angehängte Datei(en) Thumbnail(s)
   

13.0 .vi  Test_1.vi (Größe: 32,06 KB / Downloads: 374)

0.0 .xlsx  Test - Kopie.xlsx (Größe: 228,65 KB / Downloads: 380)
Alle Beiträge dieses Benutzers finden
Diese Nachricht in einer Antwort zitieren to top
11.12.2019, 07:52 (Dieser Beitrag wurde zuletzt bearbeitet: 11.12.2019 07:55 von GerdW.)
Beitrag #10

GerdW Offline
______________
LVF-Team

Beiträge: 17.536
Registriert seit: May 2009

LV2019 (LV2021)
1995
DE_EN

10×××
Deutschland
RE: Kanalnamen berechneter Kanäle neu definieren

Akzeptierte Lösung

Hallo Titus,

Zitat:allerdings scheint der Kanal dann als unbenannter Kanal zu laufen, das TDMS VI Schreiben zeigt dann aber auch weder Kanal- noch Gruppennamen an.
Wieso willst du auch ein String-Array Cluster als Kanalnamen einstellen!? Wall Hmm

Probiere mal den Anhang aus…

P.S.: Profil_ergaenzen wenn du nicht mehr mit LV2012 arbeitest!


Angehängte Datei(en)
12.0 .vi  Test_1.vi (Größe: 11,81 KB / Downloads: 406)

Alle Beiträge dieses Benutzers finden
Diese Nachricht in einer Antwort zitieren to top
30
Antwort schreiben 


Möglicherweise verwandte Themen...
Themen Verfasser Antworten Views Letzter Beitrag
  Standard-Pfad definieren serge_franke 1 5.455 13.03.2019 17:45
Letzter Beitrag: jg
  TDM Kanalnamen ändern deicebear 3 7.823 22.11.2010 13:58
Letzter Beitrag: deicebear
  TDMS: Gruppen-/Kanalnamen editieren dimitri84 7 11.769 05.02.2010 19:55
Letzter Beitrag: schrotti
  Bei speichern in Datei Spaltenbezeichnungen definieren. nabla 1 5.071 01.04.2008 09:40
Letzter Beitrag: Y-P

Gehe zu: