29.01.2009, 18:10
|
Guest
Unregistered
|
Zwei Werte mit Wertebereich als x und gemessene Werte als y ?
Also, ich hab das genauso gemacht, wie ich das schon geschrieben hatte. Du musst halt einen Cluster bilden. Der besteht, wie schon beschrieben aus deinem Startwert für X, deinem Delta X, also der Strittweite deiner Y-WErte und dann dem Array aus Y-Werten. Genau, wie ich das schon abgebildet hatte.
|
|
|
29.01.2009, 21:48
(Dieser Beitrag wurde zuletzt bearbeitet: 30.01.2009 11:31 von jg.)
|
y2kadir
LVF-Grünschnabel

Beiträge: 22
Registriert seit: Jan 2009
8.5
2007
de
28
Deutschland
|
Zwei Werte mit Wertebereich als x und gemessene Werte als y ?
Also ich hab mal die Bilder und das Programm angehängt. Hab das alles soweit ein bisschen aufwendig formatieren müssen, da ich ja die werte als string erhalte und die mit kommatas getrennt sind. Die Zeilen werden ermittelt, um die Werte dann je nach anzahl in die forschleife zu schreiben und dann als y-array mit x0 und dx gebündelt und ausgegeben.
Aber es wird der Graph nicht angezeigt. Je nach dem, wie ich messe, ändert sich mal die x-achsenformatierung oder ein teilgraph wird erstellt. oder es wird ein strich wie im bild zu sehen dargestellt.
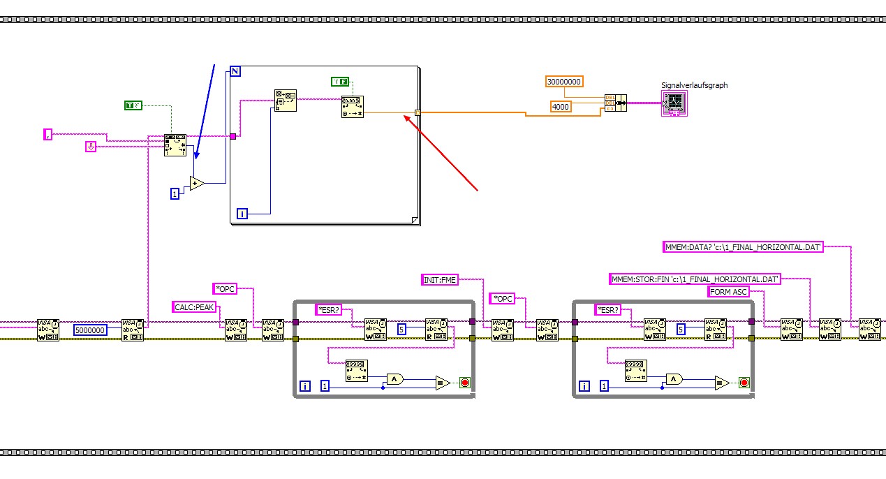
also ich hab mal die Messung gemacht für 30Mhz bis 40Mhz. Also sind das ja 10Mhz, die er zu messen hat. Das ergibt also 2500 Messwerte (10MHz/4kHz)! Diese 2500 Werte werden auch richtig berechnet am blauen Pfeil (geprüft)!Diese Verlauf wird auch angezeigt. Die Peak-Werte kommen alle am roten Pfeil nach und nach mit zweistelliger Genauigkeit an und werden in den Array gepackt!
Wenn ich aber den gesamten Bereich Messen will, also von 30MHz bis 230 MHz, dann wird nichts angezeigt. Dies wären ja ein Messbereich von 200 MHz was 50000 Messwerte entsprechen.
Was mach ich falsch?? Kann der Graph so viele Werte nicht darstellen?? Oder muss ich irgendwie noch was machen keine Ahnung....
Bin für jede Hilfe oder Tip dankbar...
Danke im Voraus...
Gruß
K.a.d.i.r
Diagramm.vi (Größe: 206,34 KB / Downloads: 236)
|
|
|
30.01.2009, 10:35
|
y2kadir
LVF-Grünschnabel

Beiträge: 22
Registriert seit: Jan 2009
8.5
2007
de
28
Deutschland
|
Zwei Werte mit Wertebereich als x und gemessene Werte als y ?
also bin das programm nochmal durchgegangen. es geht!!! NUR dauerts ewig bis er den graphen erstellt, weil er zu lange (meine meinung) in der schleife ist.
WIE KANN MAN DAS BESCHLEUNIGEN??
|
|
|
30.01.2009, 10:39
|
Guest
Unregistered
|
Zwei Werte mit Wertebereich als x und gemessene Werte als y ?
Mit welchem Gerät arbeitest du denn? Kleiner Tipp schonmal vorweg: Zähl mal durch, wieviele Y-Werte du tatsächlich in deinem Array hast....
|
|
|
30.01.2009, 11:26
(Dieser Beitrag wurde zuletzt bearbeitet: 30.01.2009 11:27 von y2kadir.)
|
y2kadir
LVF-Grünschnabel

Beiträge: 22
Registriert seit: Jan 2009
8.5
2007
de
28
Deutschland
|
Zwei Werte mit Wertebereich als x und gemessene Werte als y ?
GERÄT: R&S ESL EMI TEST RECEIVER MIT SPECTRUM ANALYZER.
das mit dem array hab ich schon gemacht. also wenn ich von 30Mhz-230Mhz messe, dann hat der ja 200Mhz Messbereich. Dieser bereich ergeben 50000 Zeilen/Werte. Diese müssen einzeln in der Schleife abgearbeitet werden. dann werden diese in den array gepackt.
Der Schritt danach dauert halt 2 Minuten. Das ist zu lang, weil ich ja auch noch weitere werte (Messbereich 230Mhz-1Ghz) zum Diagramm zufügen werde.
Meine frage ist jetzt, wie kann man die Schleife beschleunigen??? evtl. Werte als datei speichern und von dort lesen???? Keine ahnung...Idee?==??
|
|
|
01.02.2009, 14:26
|
jg
CLA & CLED
Beiträge: 15.864
Registriert seit: Jun 2005
20xx / 8.x
1999
EN
Franken...
Deutschland
|
Zwei Werte mit Wertebereich als x und gemessene Werte als y ?
:hmm  b genau diese Schleife 2 Minuten braucht? Ich weiss nicht. Könntest du aber testen. s. hierzu den Screenshot, unterer Teil.
Außerdem würde ich die Wandlung anders machen. s. hierzu den Screenshot, oberer Teil.
MfG, Jens
Wer die erhabene Weisheit der Mathematik tadelt, nährt sich von Verwirrung. (Leonardo da Vinci)
!! BITTE !! stellt mir keine Fragen über PM, dafür ist das Forum da - andere haben vielleicht auch Interesse an der Antwort!
Einführende Links zu LabVIEW, s. GerdWs Signatur.
|
|
|
02.02.2009, 10:21
|
y2kadir
LVF-Grünschnabel

Beiträge: 22
Registriert seit: Jan 2009
8.5
2007
de
28
Deutschland
|
Zwei Werte mit Wertebereich als x und gemessene Werte als y ?
' schrieb::hmm b genau diese Schleife 2 Minuten braucht? Ich weiss nicht. Könntest du aber testen. s. hierzu den Screenshot, unterer Teil.
Außerdem würde ich die Wandlung anders machen. s. hierzu den Screenshot, oberer Teil.
[attachment=44192:Image01.png]
MfG, Jens
Meinst du, wenn ich die Wandlung so mache, wie von dir beschrieben, dass es dann schneller läuft???
Kann es vielleicht sein, dass es an der Sequenz liegt?? Warum dauert das so lange?? Ich hab jetzt mal zwei Messbereich gebündelt für einen Bereich von 30-40Mhz und 40-50Mhz--> Das ging recht flott (naja auf jedenfall nicht so ewigm, gerade mal ne minute..) Aber wenn ich jetzt zwei Bereiche habe, also 30-230Mhz und 230-1000Mhz, dann braucht er ewig. Hab bis jetzt immer abgebrochen nach 20 Minuten.
Wie kann ich das beschleunigen??? Die Graphen in die allerletzte Sequenz legen und die Messergebnisse aus den vorherigen holen?Würd das was bringen??
Grruß
Kadir
|
|
|
02.02.2009, 14:14
|
jg
CLA & CLED
Beiträge: 15.864
Registriert seit: Jun 2005
20xx / 8.x
1999
EN
Franken...
Deutschland
|
Zwei Werte mit Wertebereich als x und gemessene Werte als y ?
Das sind ja wieder Fragen... Kann ich nicht sagen, da ich nicht deine Hardware und deine Daten-Strings kenne. Ich habe auch keine Lust, dein Super-Breit-VI in allen Details zu überprüfen und zu scrollen (auch wenn ich schon wesentlich unübersichtliches gesehen habe). Tipp: SubVIs verwenden!
Aber ich habe dir in meinem letzten Screenshot eine Möglichkeit gezeigt, wie du Teile des Sourcecodes auf (ungefähre) Durchlaufzeit testen kannst: Flache Sequenz, vorher und nachher Tick-Count auslesen und Differenz darstellen. Kannst du also selber ausprobieren.
Gruß, Jens
Wer die erhabene Weisheit der Mathematik tadelt, nährt sich von Verwirrung. (Leonardo da Vinci)
!! BITTE !! stellt mir keine Fragen über PM, dafür ist das Forum da - andere haben vielleicht auch Interesse an der Antwort!
Einführende Links zu LabVIEW, s. GerdWs Signatur.
|
|
|
02.02.2009, 22:14
|
y2kadir
LVF-Grünschnabel

Beiträge: 22
Registriert seit: Jan 2009
8.5
2007
de
28
Deutschland
|
Zwei Werte mit Wertebereich als x und gemessene Werte als y ?
ok habs fast fertig....geht jetzt auch super schnell. es lag an der schleife....
jetzt hab ich mal das problem, die beiden y-werte zusammenzufügen.
Ganz einfache frage, wie verbinde ich nun das:
zu einem Graphen??? da steht irgendwas von dimension 1 vom graphen....hmm..
Ps. der erste werte bereich sieht genauso aus wie der zweite, also auch gebündelt.. usw. und kommt dann beim bündeln an (rosa linie)
Aber wie bekomme ich die zusammen???
danke für eure hilfe...
gruß
kadir
|
|
|
02.02.2009, 22:56
|
jg
CLA & CLED
Beiträge: 15.864
Registriert seit: Jun 2005
20xx / 8.x
1999
EN
Franken...
Deutschland
|
Zwei Werte mit Wertebereich als x und gemessene Werte als y ?
Mit VI-Upload wäre es wohl einfacher gewesen, aber ich denke, ich habs.
Das ist ein NICHT ERLAUBTES Datenformat für einen Multiplot-Waveform-Graphen.
s. Screenshot:
1 & 2 sind erlaubt, aber ein Array of Nr. 3 halt nicht.
Gruß, Jens
Wer die erhabene Weisheit der Mathematik tadelt, nährt sich von Verwirrung. (Leonardo da Vinci)
!! BITTE !! stellt mir keine Fragen über PM, dafür ist das Forum da - andere haben vielleicht auch Interesse an der Antwort!
Einführende Links zu LabVIEW, s. GerdWs Signatur.
|
|
|
| |