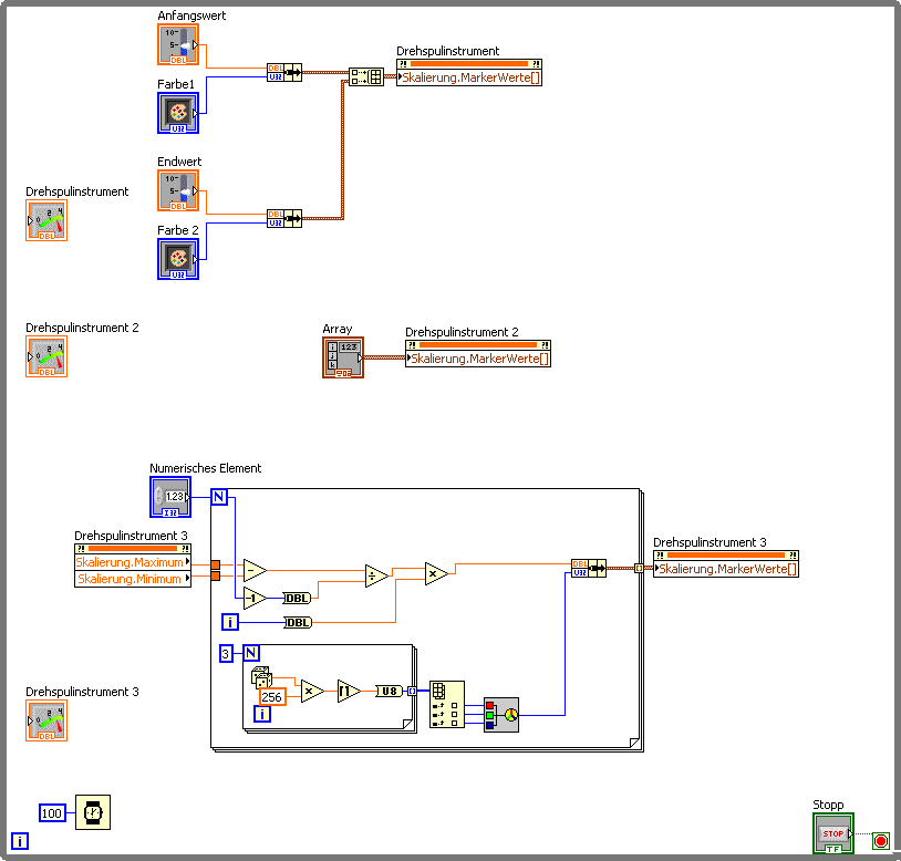
Cluster erstellen, speziell EigenschaftsCluster Drehspulinstrument |
Wenn dein Problem oder deine Frage geklärt worden ist, markiere den Beitrag als "Lösung",
indem du auf den "Lösung" Button rechts unter dem entsprechenden Beitrag klickst. Vielen Dank!
| 30
|
|
|
| Möglicherweise verwandte Themen... | |||||
| Themen | Verfasser | Antworten | Views | Letzter Beitrag | |
| Elemente Cluster in Cluster ansprechen | simcum | 3 | 5.763 |
02.10.2023 10:49 Letzter Beitrag: th13 |
|
| Element in Cluster of Array of Cluster ausblenden | R.Fuertig | 4 | 8.659 |
26.09.2016 07:47 Letzter Beitrag: GerdW |
|
| Cluster - Elemente ausblenden und Größe des Cluster anpassen? | dragonos | 13 | 22.056 |
01.06.2014 18:43 Letzter Beitrag: "Chris" |
|
| Cluster Scripting Methode "Set Cluster Order" funktioniert (bei mir) nicht | triumvirn | 10 | 14.050 |
19.02.2013 20:54 Letzter Beitrag: triumvirn |
|
| Cluster "manuell" zur Laufzeit erstellen? | Kiesch | 5 | 9.666 |
11.01.2012 16:48 Letzter Beitrag: Kiesch |
|
| kleiner Cluster von Datei in großen Cluster einlesen | seitzo | 2 | 5.988 |
06.12.2011 15:52 Letzter Beitrag: seitzo |
|







