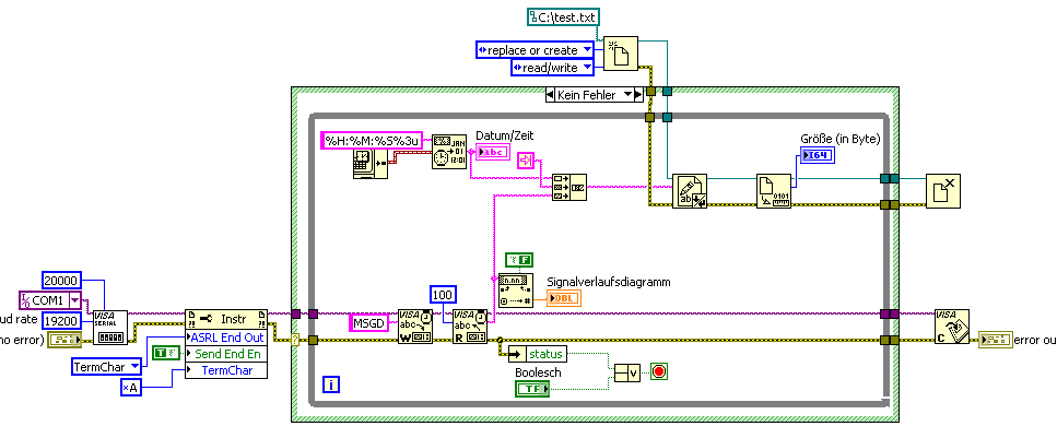
Messwerte in eine Datei lesen |
Wenn dein Problem oder deine Frage geklärt worden ist, markiere den Beitrag als "Lösung",
indem du auf den "Lösung" Button rechts unter dem entsprechenden Beitrag klickst. Vielen Dank!
| 30
|
|
|
| Möglicherweise verwandte Themen... | |||||
| Themen | Verfasser | Antworten | Views | Letzter Beitrag | |
| Datei lesen > anzeigen > verändern > speichern | djbugs | 5 | 8.829 |
26.01.2017 10:18 Letzter Beitrag: GerdW |
|
| Messdaten in eine DFQ-Datei speichern | uecontitech | 4 | 16.146 |
06.05.2015 09:33 Letzter Beitrag: GerdW |
|
| .tdms: mehrere Signale aus einer Datei lesen | Kristin_611 | 4 | 8.111 |
03.02.2015 12:09 Letzter Beitrag: Kristin_611 |
|
| NUR Eigenschaften einer TDMS Datei lesen | Lucky | 1 | 5.614 |
24.11.2014 10:12 Letzter Beitrag: macmarvin |
|
| Messwerte in Datei schreiben | lola2014 | 1 | 6.139 |
14.11.2014 13:47 Letzter Beitrag: Y-P |
|
| Mehrere Arrays of Strings in eine Excel-Datei speichern | derdak | 7 | 12.369 |
06.03.2014 15:12 Letzter Beitrag: derdak |
|







