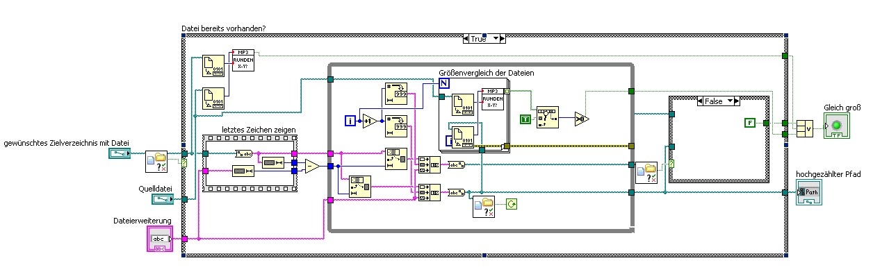
Dateipfad soll aktualisiert werden |
Wenn dein Problem oder deine Frage geklärt worden ist, markiere den Beitrag als "Lösung",
indem du auf den "Lösung" Button rechts unter dem entsprechenden Beitrag klickst. Vielen Dank!
|
|
|
| Nachrichten in diesem Thema |
|
Dateipfad soll aktualisiert werden - dreihundert - 14.02.2012, 13:10
RE: Dateipfad soll aktualisiert werden - GerdW - 14.02.2012, 14:10
RE: Dateipfad soll aktualisiert werden - jg - 14.02.2012, 18:55
RE: Dateipfad soll aktualisiert werden - dreihundert - 14.02.2012, 14:24
RE: Dateipfad soll aktualisiert werden - rekorn - 15.02.2012 00:05
RE: Dateipfad soll aktualisiert werden - jg - 15.02.2012, 07:41
RE: Dateipfad soll aktualisiert werden - dreihundert - 15.02.2012, 10:47
RE: Dateipfad soll aktualisiert werden - GerdW - 15.02.2012, 13:41
RE: Dateipfad soll aktualisiert werden - cRoZzA - 27.03.2012, 09:45
RE: Dateipfad soll aktualisiert werden - NWOmason - 27.03.2012, 10:24
RE: Dateipfad soll aktualisiert werden - cRoZzA - 27.03.2012, 13:04
|
| Möglicherweise verwandte Themen... | |||||
| Themen | Verfasser | Antworten | Views | Letzter Beitrag | |
| Dateipfad angeben | xxokiehxx | 5 | 7.531 |
06.08.2018 10:01 Letzter Beitrag: jg |
|
| definierter Dateipfad für Speicherung | yokokudo | 24 | 25.445 |
17.01.2017 17:50 Letzter Beitrag: jg |
|
| Dateipfad per Pop-Up bei Programmstart auswählen | Timo86 | 1 | 6.736 |
07.10.2013 08:22 Letzter Beitrag: GerdW |
|
| Dateipfad mit Datumsangabe | stromflo | 4 | 7.160 |
26.05.2010 12:32 Letzter Beitrag: Lucki |
|
| Abfrage, ob Datei existierende Datei überschrieben werden soll | syntec | 3 | 8.019 |
31.05.2009 20:27 Letzter Beitrag: syntec |
|
| Datum + Uhrzeit als Dateipfad | Benjamin84 | 3 | 11.603 |
16.07.2008 12:49 Letzter Beitrag: Benjamin84 |
|






