Dieses Thema hat akzeptierte Lösungen:
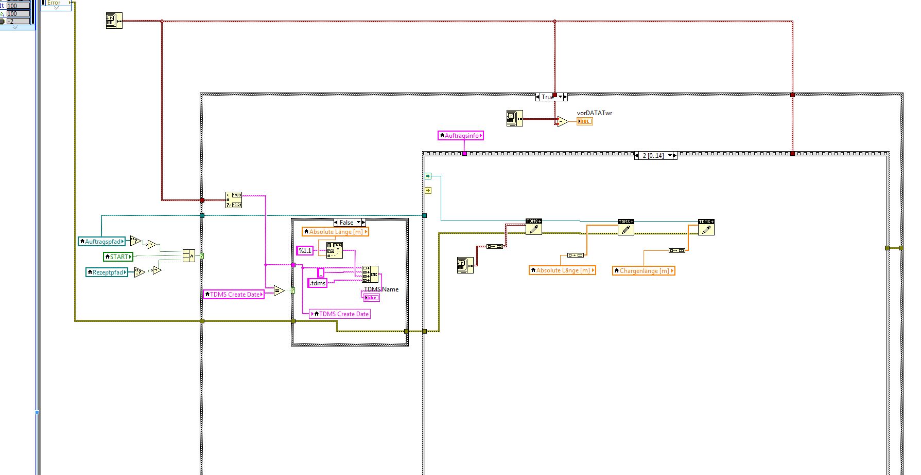
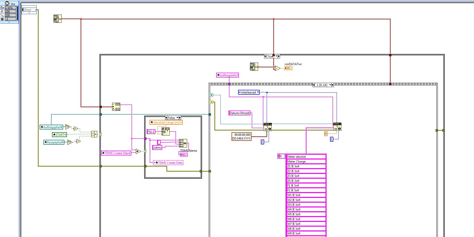
TDMS schreiben viele Daten |
Wenn dein Problem oder deine Frage geklärt worden ist, markiere den Beitrag als "Lösung",
indem du auf den "Lösung" Button rechts unter dem entsprechenden Beitrag klickst. Vielen Dank!
|
|
|
| Möglicherweise verwandte Themen... | |||||
| Themen | Verfasser | Antworten | Views | Letzter Beitrag | |
| Logdatei für unregelmäßige Daten (TDMS?) | TpunktN | 7 | 7.884 |
23.06.2021 07:56 Letzter Beitrag: TpunktN |
|
| TDMS-Daten direkt schreiben, nicht im RAM halten | RabenFlug | 2 | 5.147 |
12.04.2019 10:23 Letzter Beitrag: RabenFlug |
|
| Speicherung von Daten via TDMS | DM_94 | 7 | 7.806 |
30.08.2018 11:43 Letzter Beitrag: GerdW |
|
| Daten in einem Access Datenbank schreiben | galilio | 10 | 17.185 |
01.05.2017 08:04 Letzter Beitrag: galilio |
|
| DI Daten in Datei schreiben | puuk! | 10 | 16.252 |
15.12.2015 13:08 Letzter Beitrag: GerdW |
|
| mySQL viele connections - schließen oder eine aufsplitten? | LVT_Hiwi | 2 | 6.391 |
18.02.2015 10:56 Letzter Beitrag: LVT_Hiwi |
|






