INFO: Dieses Forum nutzt Cookies...
Cookies sind für den Betrieb des Forums unverzichtbar. Mit der Nutzung des Forums erklärst Du dich damit einverstanden, dass wir Cookies verwenden.

Es wird in jedem Fall ein Cookie gesetzt um diesen Hinweis nicht mehr zu erhalten. Desweiteren setzen wir Google Adsense und Google Analytics ein.


Antwort schreiben 

Zeit von Kanälen aufnehmen



Wenn dein Problem oder deine Frage geklärt worden ist, markiere den Beitrag als "Lösung",
indem du auf den "Lösung" Button rechts unter dem entsprechenden Beitrag klickst. Vielen Dank!

25.07.2013, 16:04
Beitrag #1

Mietzekatze Offline
LVF-Gelegenheitsschreiber
**


Beiträge: 118
Registriert seit: Nov 2011

2014 SP1
2011
DE


Deutschland
Zeit von Kanälen aufnehmen
Hallöchen,

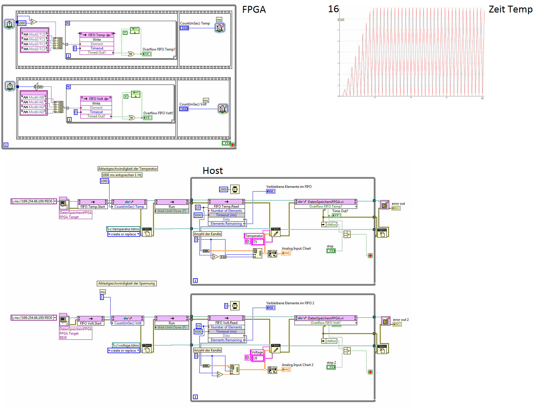
ich möchte über ein FPGA im cRIO Temperatur- und Spannungsverlauf mit unterschiedlicher Abtastgeschwindigkeit aufzeichnen und in eine TDMS-Datei schreiben. Dazu habe ich zwei VIs (im Anhang zu sehen). Zusätzlich zu Temperatur und Spannung möchte ich für jeden Kanal die vergangene Zeit zwischen den Messungen als zusätzlichen Kanal speichern. (auch im Anhang zu sehen) Der Verlauf der in der TDMS Datei gespeichert ist, ist aber nicht monoton steigend, wie er sein sollte.
Kann mir jemand erklären wie dieser Verlauf( im Anhang) zustande kommt.

Vielen Dank.


Angehängte Datei(en) Thumbnail(s)
   
Alle Beiträge dieses Benutzers finden
Diese Nachricht in einer Antwort zitieren to top
Anzeige
30
Antwort schreiben 


Nachrichten in diesem Thema
Zeit von Kanälen aufnehmen - Mietzekatze - 25.07.2013 16:04
RE: Zeit von Kanälen aufnehmen - jg - 25.07.2013, 16:09
RE: Zeit von Kanälen aufnehmen - jg - 26.07.2013, 13:47
RE: Zeit von Kanälen aufnehmen - jg - 26.07.2013, 17:32
RE: Zeit von Kanälen aufnehmen - GerdW - 26.07.2013, 20:45
RE: Zeit von Kanälen aufnehmen - jg - 30.07.2013, 10:13
RE: Zeit von Kanälen aufnehmen - GerdW - 30.07.2013, 10:15
RE: Zeit von Kanälen aufnehmen - GerdW - 31.07.2013, 14:37
RE: Zeit von Kanälen aufnehmen - GerdW - 05.08.2013, 13:45
RE: Zeit von Kanälen aufnehmen - jg - 05.08.2013, 14:29
RE: Zeit von Kanälen aufnehmen - jg - 05.08.2013, 17:23
RE: Zeit von Kanälen aufnehmen - GerdW - 07.08.2013, 07:35

Möglicherweise verwandte Themen...
Themen Verfasser Antworten Views Letzter Beitrag
  Differentielle Digitalsignale mit Anschlussblock aufnehmen helloitsme 1 6.169 20.12.2019 14:57
Letzter Beitrag: jg

Gehe zu: