INFO: Dieses Forum nutzt Cookies...
Cookies sind für den Betrieb des Forums unverzichtbar. Mit der Nutzung des Forums erklärst Du dich damit einverstanden, dass wir Cookies verwenden.

Es wird in jedem Fall ein Cookie gesetzt um diesen Hinweis nicht mehr zu erhalten. Desweiteren setzen wir Google Adsense und Google Analytics ein.


Antwort schreiben 

Zeit von Kanälen aufnehmen



Wenn dein Problem oder deine Frage geklärt worden ist, markiere den Beitrag als "Lösung",
indem du auf den "Lösung" Button rechts unter dem entsprechenden Beitrag klickst. Vielen Dank!

25.07.2013, 16:04
Beitrag #1

Mietzekatze Offline
LVF-Gelegenheitsschreiber
**


Beiträge: 118
Registriert seit: Nov 2011

2014 SP1
2011
DE


Deutschland
Zeit von Kanälen aufnehmen
Hallöchen,

ich möchte über ein FPGA im cRIO Temperatur- und Spannungsverlauf mit unterschiedlicher Abtastgeschwindigkeit aufzeichnen und in eine TDMS-Datei schreiben. Dazu habe ich zwei VIs (im Anhang zu sehen). Zusätzlich zu Temperatur und Spannung möchte ich für jeden Kanal die vergangene Zeit zwischen den Messungen als zusätzlichen Kanal speichern. (auch im Anhang zu sehen) Der Verlauf der in der TDMS Datei gespeichert ist, ist aber nicht monoton steigend, wie er sein sollte.
Kann mir jemand erklären wie dieser Verlauf( im Anhang) zustande kommt.

Vielen Dank.


Angehängte Datei(en) Thumbnail(s)
   
Alle Beiträge dieses Benutzers finden
Diese Nachricht in einer Antwort zitieren to top
Anzeige
25.07.2013, 16:09
Beitrag #2

jg Offline
CLA & CLED
LVF-Team

Beiträge: 15.864
Registriert seit: Jun 2005

20xx / 8.x
1999
EN

Franken...
Deutschland
RE: Zeit von Kanälen aufnehmen
Auslesen im Host hast du auf 2 Schleifen verteilt, Erfassen im FPGA aber nicht. Da sind zwar 2 Sequenzen, aber in 1 Loop.

Gruß, Jens

Wer die erhabene Weisheit der Mathematik tadelt, nährt sich von Verwirrung. (Leonardo da Vinci)

!! BITTE !! stellt mir keine Fragen über PM, dafür ist das Forum da - andere haben vielleicht auch Interesse an der Antwort!

Einführende Links zu LabVIEW, s. GerdWs Signatur.
Alle Beiträge dieses Benutzers finden
Diese Nachricht in einer Antwort zitieren to top
26.07.2013, 13:33 (Dieser Beitrag wurde zuletzt bearbeitet: 26.07.2013 13:46 von Mietzekatze.)
Beitrag #3

Mietzekatze Offline
LVF-Gelegenheitsschreiber
**


Beiträge: 118
Registriert seit: Nov 2011

2014 SP1
2011
DE


Deutschland
RE: Zeit von Kanälen aufnehmen
Okay. Um das Problem zunächst zu vereinfachen betrachte ich zunächst nur den Temperaturkanal.
Habe die Zeit noch einmal weggelassen. Da ist mir aufgefallen, das das Problem des Wechsels der Werte immernoch für die Kanäle vorkommt.
Im Anhang sind Programm und Wertetabelle zu finden.
Daraus ergeben sich für mich zwei Fragen.
1. Warum werden für die Sensoren unrealistische Werte angezeigt ( Sensoren befinden sich in Umgebung von cRIO)?
2. Warum wechseln die Sensoren aller zwei Messwerte ihren Wert, obwohl diese sich an einer konstanten Stelle befinden?

Smile
Wenn ich den Wert "Auszulesende Daten pro Kanal für einen Schleifendurchlauf" auf 1 setzte und die Warte Zeit der Schleife auch auf 1000, dann entfallen die Zickzackwerte. Allerdings sollte die Auslesegeschwindigkeit im Host doch keine Einfluss auf die Daten im FIFO ( die auf dem FPGA in das FIFO geschrieben werden) haben.
Das verwirrt mich.


Angehängte Datei(en) Thumbnail(s)
   
Alle Beiträge dieses Benutzers finden
Diese Nachricht in einer Antwort zitieren to top
26.07.2013, 13:47
Beitrag #4

jg Offline
CLA & CLED
LVF-Team

Beiträge: 15.864
Registriert seit: Jun 2005

20xx / 8.x
1999
EN

Franken...
Deutschland
RE: Zeit von Kanälen aufnehmen
Dein ReshapeArray ist "verkehrt", wie folgendes kleines Bsp zeigt:
   
Gruß, Jens

Wer die erhabene Weisheit der Mathematik tadelt, nährt sich von Verwirrung. (Leonardo da Vinci)

!! BITTE !! stellt mir keine Fragen über PM, dafür ist das Forum da - andere haben vielleicht auch Interesse an der Antwort!

Einführende Links zu LabVIEW, s. GerdWs Signatur.
Alle Beiträge dieses Benutzers finden
Diese Nachricht in einer Antwort zitieren to top
26.07.2013, 16:40 (Dieser Beitrag wurde zuletzt bearbeitet: 26.07.2013 16:41 von Mietzekatze.)
Beitrag #5

Mietzekatze Offline
LVF-Gelegenheitsschreiber
**


Beiträge: 118
Registriert seit: Nov 2011

2014 SP1
2011
DE


Deutschland
RE: Zeit von Kanälen aufnehmen
Wenn man die Eingänge am Reshape Array vertauscht und zusätzlich noch die Einstellung data layout des TMDS Write Feldes auf interleaved stellt fallen die ständigen "gezackten " Werte weg.
Merkwürdig nur warum es hier http://www.ni.com/white-paper/11198/de/#toc5 anders funktionieren sollte.
Füge ich nun wieder eine Uhr ein zum zählen der Zeit im FPGA.vi und erweitere um einen Kanal im Host.vi , kommt ein sehr steig nach unten Fallender Graph für die Zeit heraus? (siehe Anhang)
Warum sinkt hier die Zeit?


Angehängte Datei(en) Thumbnail(s)
   
Alle Beiträge dieses Benutzers finden
Diese Nachricht in einer Antwort zitieren to top
26.07.2013, 17:32
Beitrag #6

jg Offline
CLA & CLED
LVF-Team

Beiträge: 15.864
Registriert seit: Jun 2005

20xx / 8.x
1999
EN

Franken...
Deutschland
RE: Zeit von Kanälen aufnehmen
Du jagst die Zeit durch die Temperatur-Kalibrierung. Hmm Ob das Sinn macht?

Gruß, Jens

Wer die erhabene Weisheit der Mathematik tadelt, nährt sich von Verwirrung. (Leonardo da Vinci)

!! BITTE !! stellt mir keine Fragen über PM, dafür ist das Forum da - andere haben vielleicht auch Interesse an der Antwort!

Einführende Links zu LabVIEW, s. GerdWs Signatur.
Alle Beiträge dieses Benutzers finden
Diese Nachricht in einer Antwort zitieren to top
26.07.2013, 18:41
Beitrag #7

Mietzekatze Offline
LVF-Gelegenheitsschreiber
**


Beiträge: 118
Registriert seit: Nov 2011

2014 SP1
2011
DE


Deutschland
RE: Zeit von Kanälen aufnehmen
Oh stimmt. Habe ich übersehen. Danke.
Also jetzt das Array auftrennen und den ersten und 6. Kanal nicht durch die Kalibrierung schicken. Gibt es dazu eine Funktion die komplementär zu Build Array ist? Oder eine elegantere Lösung um die Zeit einzufügen?
Alle Beiträge dieses Benutzers finden
Diese Nachricht in einer Antwort zitieren to top
26.07.2013, 20:45
Beitrag #8

GerdW Offline
______________
LVF-Team

Beiträge: 17.536
Registriert seit: May 2009

LV2019 (LV2021)
1995
DE_EN

10×××
Deutschland
RE: Zeit von Kanälen aufnehmen
Komplementär zu BuildArray ist IndexArray (oder auch ArraySubset)...

Alle Beiträge dieses Benutzers finden
Diese Nachricht in einer Antwort zitieren to top
30.07.2013, 09:42
Beitrag #9

Mietzekatze Offline
LVF-Gelegenheitsschreiber
**


Beiträge: 118
Registriert seit: Nov 2011

2014 SP1
2011
DE


Deutschland
RE: Zeit von Kanälen aufnehmen
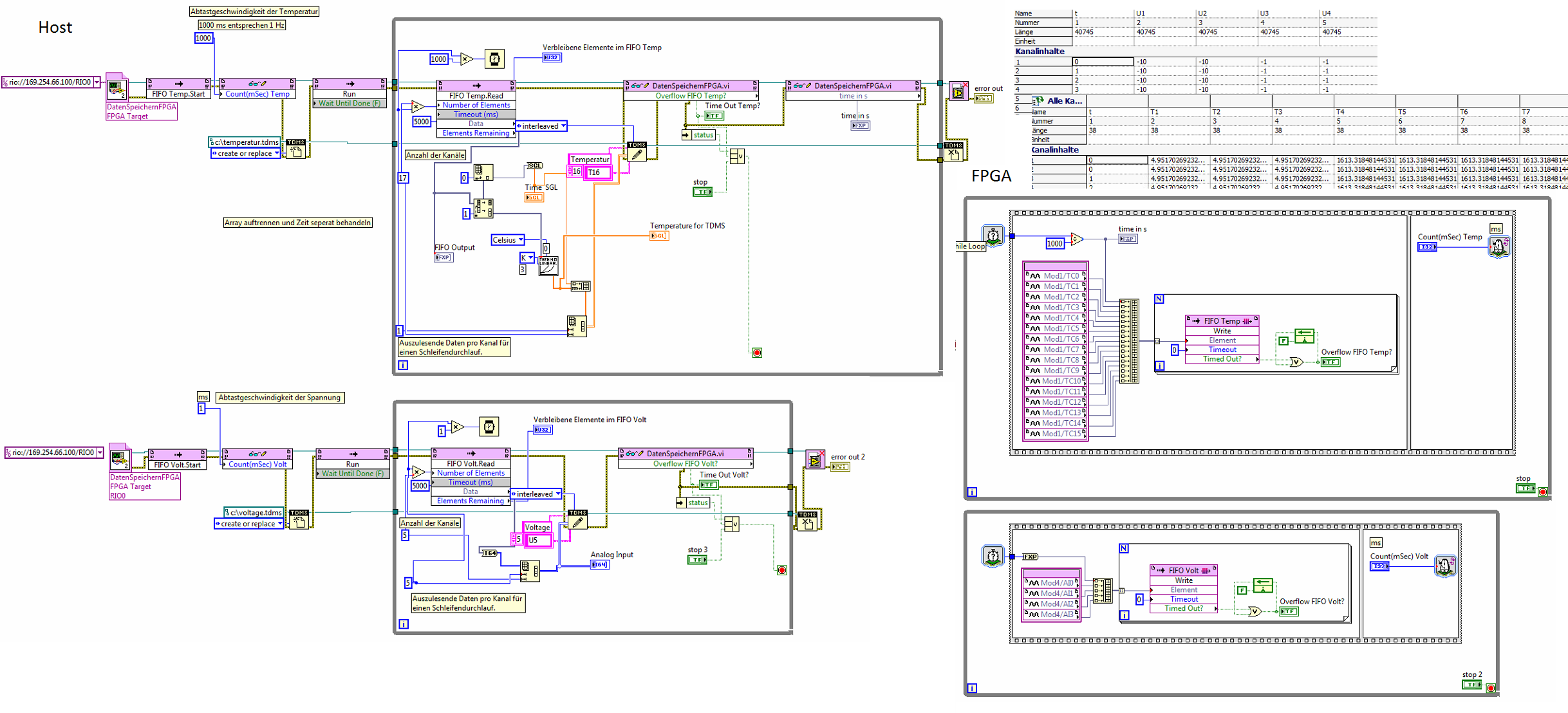
So die Zeitseparierung habe ich über Split1DArray und IndexArray gemacht. Nun habe ich die Spannung wieder hinzu gefügt. Und habe dazu noch ein paar Fragen. Mein Code für FPGA und Host sind im Anhang zu finden.

1. Zur Kontrolle der Daten habe ich im Temperatur(T)-Teil hostseitig einmal "FIFO Output" und "Time SGL". Zusätzlich lasse ich mir die Zeit im FPGA.Vi in "time in s" anzeigen. Dabei erkenne ich Unterschiede zwischen diesen Variabeln.
Das merkwürdige ist, dass die erste Stelle von FIFO Output nur bis 16 zählt und dann auf diesem Wert bleibt, aber der in eine SGL konvertierte Wert "Time SGL" weiterhin hochzählt.

2. Nach Beenden des Programms und Auslesen der TDMS Datei der Temperatur,fällt auf, dass in dem Zeitvektor die ersten beiden Werte Null sind. Leider weis ich nicht warum.

3. Auch die Anzahl verbleibender Elemente in beiden FIFO ist für mich unerklärlich. Diese steigt bei beiden FIFOs an, obwohl bei T und Spannung(S) alle Elemente entnommen werden(S: 17 speichern in 1 s und 17 Elemente nach 1 s entfernen, T: 5 Elemente aller eine ms speichern und 25 Elemente entfernen aller 5 ms).

4. Die Anzeige der Spannungen und der Temperatur hat merkwürdige Werte. Die ersten beiden Spannungskanäle sind mit einem analogen Ausgang verbunden, welcher aber nicht angesteuert wird und die ersten drei Temperaturkanäle an Sensoren in cRIO-Nähe. Die restlichen Eingänge sind unverbunden.

5. Nach jedem schließen des Projektes und erneuten öffnen, soll ich das FPGA.Vi neu kompilieren ( Error -61017). Warum ist das so? Wie kann man das vermeiden Sad

Danke für Eure Hilfe Smile


Angehängte Datei(en) Thumbnail(s)
   
Alle Beiträge dieses Benutzers finden
Diese Nachricht in einer Antwort zitieren to top
30.07.2013, 10:03
Beitrag #10

Mietzekatze Offline
LVF-Gelegenheitsschreiber
**


Beiträge: 118
Registriert seit: Nov 2011

2014 SP1
2011
DE


Deutschland
RE: Zeit von Kanälen aufnehmen
Des Weiteren taucht bei mir im Host bei T die Warnung 61003 auf:

"Warning 61003 occurred at niLvFpga_Run_cRIO-9112.vi
Possible reason(s):
LabVIEW FPGA: The FPGA VI specified by the Invoke Method function with the Run method is already running."

Sad
Alle Beiträge dieses Benutzers finden
Diese Nachricht in einer Antwort zitieren to top
Antwort schreiben 


Möglicherweise verwandte Themen...
Themen Verfasser Antworten Views Letzter Beitrag
  Differentielle Digitalsignale mit Anschlussblock aufnehmen helloitsme 1 6.037 20.12.2019 14:57
Letzter Beitrag: jg

Gehe zu: