INFO: Dieses Forum nutzt Cookies...
Cookies sind für den Betrieb des Forums unverzichtbar. Mit der Nutzung des Forums erklärst Du dich damit einverstanden, dass wir Cookies verwenden.

Es wird in jedem Fall ein Cookie gesetzt um diesen Hinweis nicht mehr zu erhalten. Desweiteren setzen wir Google Adsense und Google Analytics ein.


Antwort schreiben 

mehrdimensionales Array verarbeiten



Wenn dein Problem oder deine Frage geklärt worden ist, markiere den Beitrag als "Lösung",
indem du auf den "Lösung" Button rechts unter dem entsprechenden Beitrag klickst. Vielen Dank!

22.08.2013, 23:08
Beitrag #1

Hasenfuss Offline
LVF-Stammgast
***


Beiträge: 331
Registriert seit: Dec 2012

2012
2012
DE



mehrdimensionales Array verarbeiten
Guten Abend!

Vielen Dank für Eure Beiträge zu meiner Frage, wie ich ein einzelnes Array in seiner Größe begrenzen kann. Dank Euch habe ich neue Möglichkeiten kennengelernt, wie man das machen kann. Die Variante mit der Queue hat mir gefallen, weil ich nicht wusste, dass ich alle in der Queue enthaltenen Elemente als Array auslesen kann. Das mit der Queue hat allerdings den Nachteil, dass ich stets nur 1 Element anfügen kann. Besteht mein "Datenstrom" aus einem Array mit mehreren Elementen, so müsste ich dies z.B. durch eine indizierte for-Schleife auftrennen, um jedes Element einzeln in die Queue zu senden.

Aus den Beiträgen habe ich gelernt, dass man bei großen Arrays auf die Speichereffizenz achten sollte. Dazu kann es vorteilhaft sein, ein Array zu indizieren und auf Build-Funktionen zu verzichten und ReplaceArraySubset-Variante zu nehmen.

Leider reicht meine Erfahrung noch nicht aus, um diese Erkenntnisse bestmöglich zu berücksichtigen, darum möchte ich meinen Ansatz hier vorstellen und ich würde mich über Rückmeldungen freuen, an welchen Stellen noch andere Lösungsmöglichkeiten bestehen.

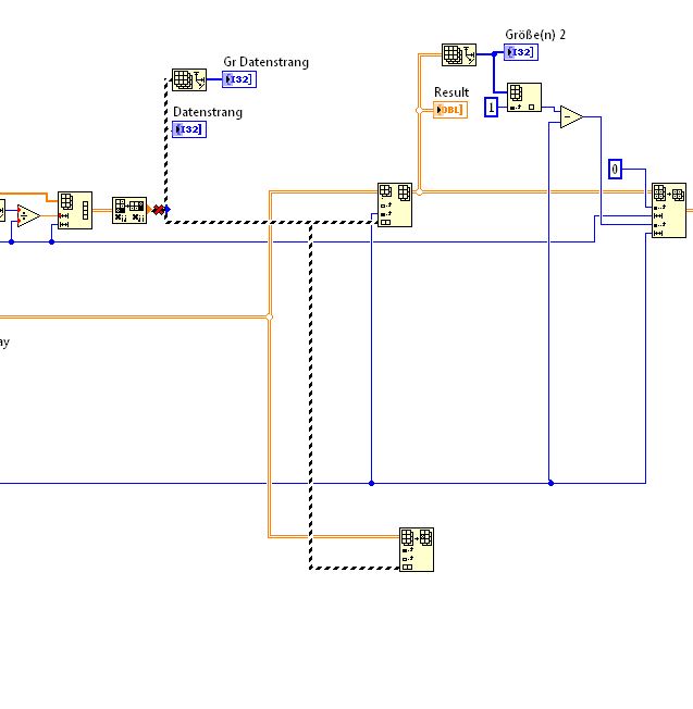
Zunächst erzeuge ich ein Testsignal aus drei Sinus-Kurven mit unterschiedlichen Amplituden und Offsets. Dieses Signal wird in einen 1D-Array-Strang umgewandelt, weil ich in dieser Form später meine Mess-Signale von der Hardware bekomme.

Es wird ein Array initialisiert mit AnzKanäle = 3 und MaxAnzahl=2500.
Der 1D-Array-Strang wird in ein 2D-Array umgewandelt, dass zur Form des initialisierten Arrays passt.

Der umgewandelte Datenstrang wird an das init. Array drangehängt und der vordere Teil entsprechend abgesägt, so dass nur MaxAnzahl Elemente vorhanden sind.

Diese Methode funktioniert, ich bin mir aber nicht sicher, ob diese Form im Sinne der Speicherauslastung optimal ist, da ich durch Dranhängen und Zurechtsägen Build-Funktionen verwende. Natürlich habe ich versucht, mit der Funktion "Teil ersetzen" zu arbeiten und in dem angehängten Bild ist zu sehen, dass diese Funktion nicht funktioniert.

Dann wird auch in Euren Lösungsvorschlängen in dem Thread zu 1D-Arrays die Funktion Array rotieren verwendet. Diese Funktion arbeitet aber mit 1D-Arrays.

Ein anderer Lösungsansatz wäre nun, die 2D-Arrays in einer indizierten Schleife in 1D-Arrays umzuwandeln, um dort mit den 1D-Arrays zu arbeiten. Ist diese Lösung meinem ersten Ansatz vorzuziehen, um der Maßnahme gerecht zu werden, Build-Funktionen zu vermeiden?


Angehängte Datei(en) Thumbnail(s)
       

11.0 .vi  Testprogramm_LV2010.vi (Größe: 13,95 KB / Downloads: 272)
Alle Beiträge dieses Benutzers finden
Diese Nachricht in einer Antwort zitieren to top
Anzeige
Antwort schreiben 


Nachrichten in diesem Thema
mehrdimensionales Array verarbeiten - Hasenfuss - 22.08.2013 23:08

Möglicherweise verwandte Themen...
Themen Verfasser Antworten Views Letzter Beitrag
  CAN Nachrichten in Array verarbeiten und aus Case Struktur weiterverarbeiten Tomate27 4 5.831 17.07.2020 13:30
Letzter Beitrag: Tomate27
  Datenstring von Serieller Verbindung verarbeiten stefan1312 5 4.980 30.09.2019 14:53
Letzter Beitrag: stefan1312
  Ansteigende / Abfallende Flanke trennen und verarbeiten erzengelsamael 4 6.785 22.10.2014 16:12
Letzter Beitrag: erzengelsamael
  Mehrdimensionales Array erzeugen labview2013 5 7.597 14.10.2013 16:03
Letzter Beitrag: jg
  Matrix Zeilenweise verarbeiten Dom0503 8 8.854 15.07.2011 10:07
Letzter Beitrag: Dom0503
  Eventstruktur in SubVi verarbeiten (aus Haupt Vi) qubie 1 4.532 12.06.2011 19:56
Letzter Beitrag: BNT

Gehe zu: