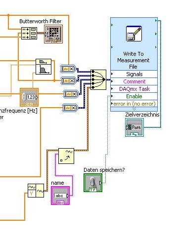
Einzelne Kanäle benennen |
Wenn dein Problem oder deine Frage geklärt worden ist, markiere den Beitrag als "Lösung",
indem du auf den "Lösung" Button rechts unter dem entsprechenden Beitrag klickst. Vielen Dank!
| 30
|
|
|
| Nachrichten in diesem Thema |
|
Einzelne Kanäle benennen - andebe - 18.12.2007, 13:04
Einzelne Kanäle benennen - Lucki - 18.12.2007, 14:06
Einzelne Kanäle benennen - andebe - 18.12.2007 14:22
Einzelne Kanäle benennen - Lucki - 18.12.2007, 14:34
|
| Möglicherweise verwandte Themen... | |||||
| Themen | Verfasser | Antworten | Views | Letzter Beitrag | |
| Arrayelemente automatisch benennen | Titus85 | 2 | 4.236 |
28.09.2020 12:42 Letzter Beitrag: Titus85 |
|
| Case benennen | ininalia | 8 | 10.888 |
06.05.2013 13:51 Letzter Beitrag: ininalia |
|
| Tabs benennen | swatski | 7 | 7.544 |
21.01.2013 09:46 Letzter Beitrag: swatski |
|
| cluster elemente automatisch benennen | fani88 | 7 | 8.945 |
15.01.2013 19:39 Letzter Beitrag: Trinitatis |
|






