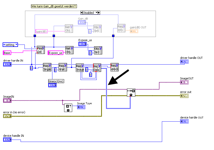
10 gleiche Graubilder aufnehmen und einen Mittelwert bilden |
Wenn dein Problem oder deine Frage geklärt worden ist, markiere den Beitrag als "Lösung",
indem du auf den "Lösung" Button rechts unter dem entsprechenden Beitrag klickst. Vielen Dank!
| 30
|
|
|
| Möglicherweise verwandte Themen... | |||||
| Themen | Verfasser | Antworten | Views | Letzter Beitrag | |
| TIFF Bilderserie aufnehmen | Tho_Sifi | 1 | 5.399 |
23.05.2014 10:35 Letzter Beitrag: b.p |
|
| Bild aufnehmen und nun automatisch als Vorlage | Rudib20 | 3 | 5.983 |
10.10.2011 15:29 Letzter Beitrag: gottfried |
|
| Messungen per USB-Kamera aufnehmen und filmen | ttdadp | 7 | 12.285 |
08.09.2011 07:26 Letzter Beitrag: kaiman |
|
| Video aufnehmen und Speichern als AVI | Praklv | 3 | 8.922 |
29.04.2009 10:49 Letzter Beitrag: ImExPorty |
|
| AVI aufnehmen | Reinhold | 1 | 4.811 |
08.07.2008 09:44 Letzter Beitrag: Abrax |
|
| Video von Kamera aufnehmen | Bob | 2 | 8.253 |
24.07.2007 19:34 Letzter Beitrag: Bob |
|






