INFO: Dieses Forum nutzt Cookies...
Cookies sind für den Betrieb des Forums unverzichtbar. Mit der Nutzung des Forums erklärst Du dich damit einverstanden, dass wir Cookies verwenden.

Es wird in jedem Fall ein Cookie gesetzt um diesen Hinweis nicht mehr zu erhalten. Desweiteren setzen wir Google Adsense und Google Analytics ein.


Antwort schreiben 

Auswahlmenü Ereignisstruktur Benötige Hilfe



Wenn dein Problem oder deine Frage geklärt worden ist, markiere den Beitrag als "Lösung",
indem du auf den "Lösung" Button rechts unter dem entsprechenden Beitrag klickst. Vielen Dank!

12.05.2010, 16:09
Beitrag #3

Moses Offline
LVF-Grünschnabel
*


Beiträge: 49
Registriert seit: Jun 2008

8.6
2009
DE

45624
Deutschland
Auswahlmenü Ereignisstruktur Benötige Hilfe
Hallo GerdW,

erstmals vielen Dank für deine Hilfe. Ich habe deine Tipps umgesetzt und die Signal Verläufe auf Wave geändert.
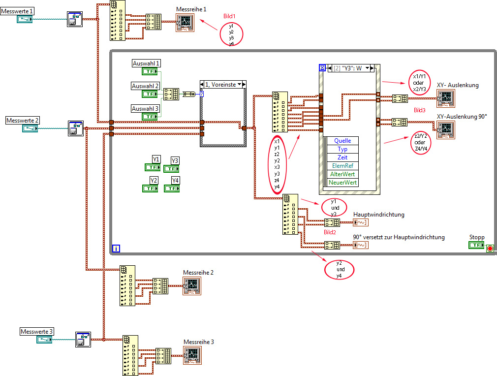
Auswahl Möglichkeiten für X Werte gibt es nicht. Die Signale sind Auslenkungen (Amplituden) in xyz Richtungen aufgenommen im Zeitverlauf. Die X Achse ist die Zeit Achse und alle Auslenkungen werden auf der Y Achse abgebildet. X Auslenkungen nicht mit X Werten für die X Achse verwechseln.

Die Y Auslenkungen habe paare wie y1/x1, y2/z2, y3/x3 und y4/z4. Alle sind Auslenkungen und werde auf der Y Achse abgebildet. Wir betrachten als erstes nur die Auslenkungen in y Richtung (y1, y2, y3, y4). Dann wählen wir eine Messreihe mit Auswahl 1-3. Auswahl wir in zwei paare gesplitet Y1/Y3 und Y2/Y4. Dann werden einzelne Y Signale ausgewählt jeweils von den paaren und werden im Bild drei mit Ihrem zugehörigem x/z werden im Bild 3 wiedergegeben.

Habe das Programm versucht zu ändern ohne erfolg. Beim Start des Programms werden die Messdaten schon vorher weiter gegeben und Graphisch abgebildet wegen der 1. Voreinstellung im Case Struktur. (siehe Bild 4). Das sollte nach einer Auswahl geschehen. Wählt man anschließen ein Auswahl 1-3 Button passiert als erstes nichts, bis später mit Y1-Y4 ein Auswahl getroffen wurde. Sobald aber ein zweiter Y 1-Y4 Botton gedrückt wird startet das Programm mit Case 1.Voreinstellung erneut und nicht mit dem Ausgewähltem Button.

Ist es möglich das Programm so zu gestallten wie oben von 1 bis 4 beschrieben bzw. nach dem Abläufen von Bild 1 bis Bild3 (siehe oben) ?? Oder denke ich zu kompliziert und handele kompliziert aus meiner Ahnunglosigkeit?

Ich komme nicht weiter. Huh

Bild 4
   
Mit LabVIEW 8.6

Sonstige .vi  Kurvenauswahl6_1.vi (Größe: 56,45 KB / Downloads: 316)


Sonstige .vi  TxtFiletoWaveGraph2.vi (Größe: 22,23 KB / Downloads: 330)


LG MW
Alle Beiträge dieses Benutzers finden
Diese Nachricht in einer Antwort zitieren to top
30
Antwort schreiben 


Nachrichten in diesem Thema
Auswahlmenü Ereignisstruktur Benötige Hilfe - Moses - 12.05.2010 16:09

Möglicherweise verwandte Themen...
Themen Verfasser Antworten Views Letzter Beitrag
  Benötige dringend Hilfe ! UJ911 1 4.026 28.10.2020 09:05
Letzter Beitrag: jg
  String-Auswahlmenu mit benannten Befehlen dbuckl 3 4.171 19.09.2013 15:03
Letzter Beitrag: jg
  Das optimale Auswahlmenü wird gesucht anuller 4 6.674 25.06.2012 08:08
Letzter Beitrag: Y-P
  Abfahren einer vorgegebenen Druckrampe - Benötige Hilfe zur Optimierung theflex 4 7.858 20.12.2011 17:55
Letzter Beitrag: theflex
  Serielle Ereignisstruktur-Variablen in Ereignisstruktur übergeben Hummingbird 15 18.728 02.11.2011 16:13
Letzter Beitrag: Hummingbird
  Einlesen von Daten in ein Auswahlmenü c4orbi 3 5.662 14.09.2011 12:22
Letzter Beitrag: Mingo

Gehe zu: