@GerdW: Habe zum erlernen von Labview ein Praktikum an der Hochschule besucht und um nun im Praxissemester wieder in die Materie einzusteigen das "Einführung in Labview"-Buch
dabei, da ich hier aber gleich anfangen sollte Daten auszulesen habe ich das Buch nur so
nebenbei überflogen und mir immer das gesucht was ich gerade gebraucht habe.
Autoindizierung hat leider nicht mal ein kleines Unterkapitel im Buch sondern steht nur am Ende deer For-Schleife dahalb hab ich das wohl übersehen bisher
Aber Danke, jetzt weiß ichs und schreib mir eh alle Tipps nebenbei mit.
Shift-Register stehen da jetzt auch schon drauf
@BsaiboT: Hmm ja ich weiß was du meinst und das habe ich mir auch schon gedacht, doch
mein Betreuer ist momentan nur selten da und hat letztes mal, als er ganz kurz zeit hatte
gemeint ich soll das im normalen excel format machen.
Ich glaube ich frage ihn einfach nochmal und geb ihm deine Begründung

Wäre warscheinlich sinnvoller mit CSV-Dateien
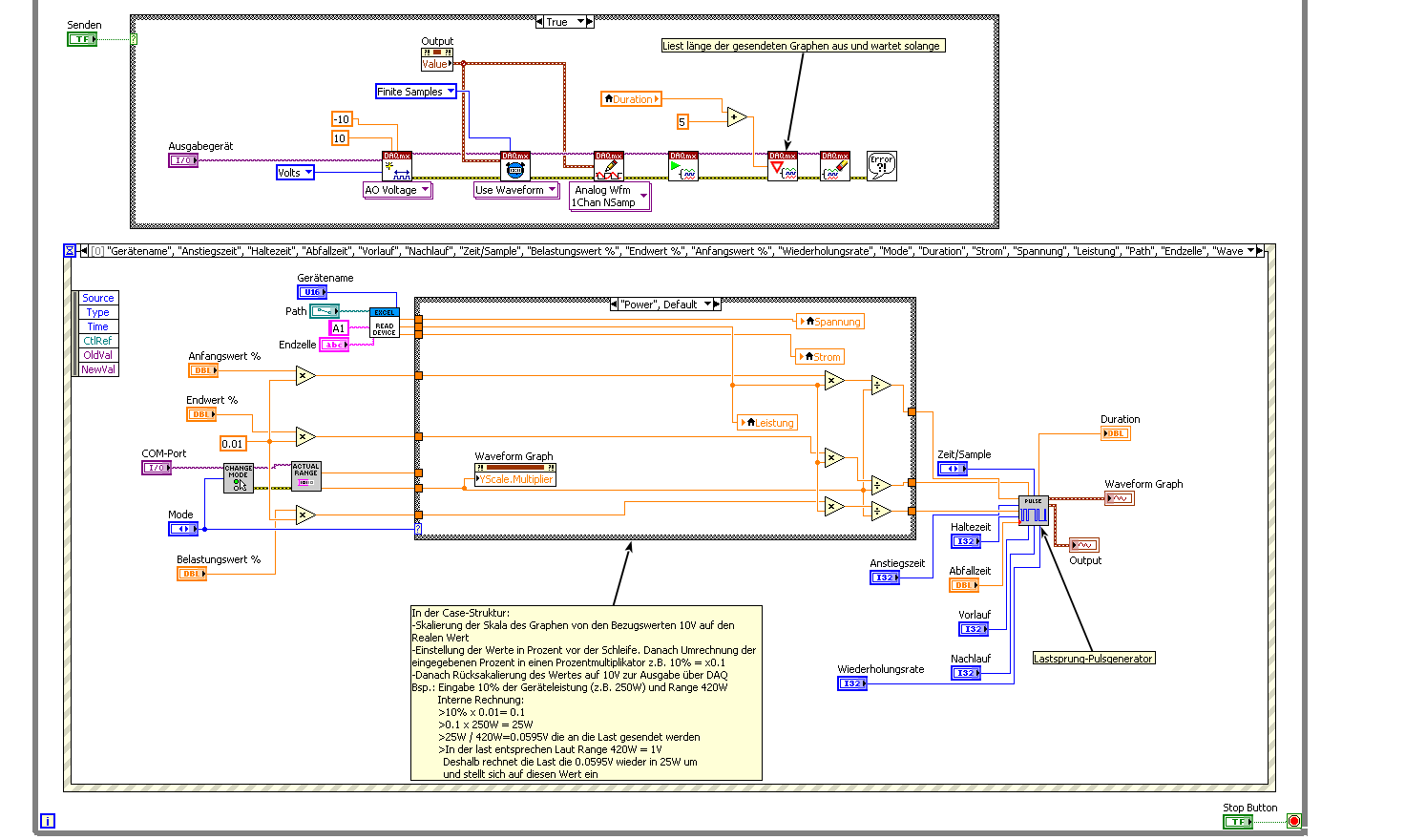
An Alle: Habe noch ein kleines Problem mit meinem ansonsten fertigen VI (siehe Anhang).
Wenn ich das .xlsx aus einem neuen Pfad lese bekomme ich für alle Indikatoren (Strom,Spannung und Leistung) neue Werte auf dem FP, allerdings ändert sich der Gerätename
nicht

.
Darin stehen immernoch die Namen des .xlsx das ich als erstes mit dem VI geöffnet habe und wollen sich scheinbar nciht ändern. Ich denke das in ein Control einfach nichts ausgelesen wird, aber ich kann ja keinen Indikator draus machen, ich brauch die Geräte ja als Auswahl