
Hallo Bob,
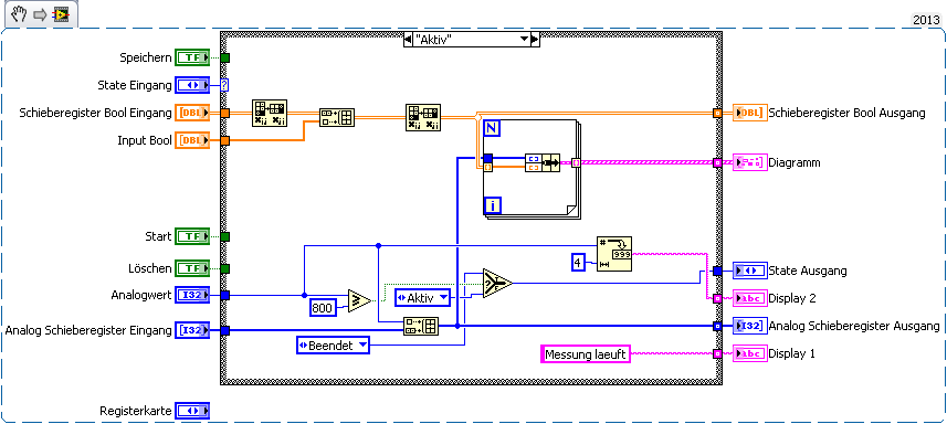
das könnte an diesen grauenvollen RaceConditions liegen:
Warum nicht einfach einen Draht nehmen statt des ganzen lokalen Variablen?
THINK DATAFLOW!
Wenn du eine Spalte an ein 2D-Array anfügen willst, dann geht das so:
Außerden:
- Auch LabVIEW2011 hat eine automatische Aufräumfunktion.
- Du hast mehrere "default if unwired"-Ausgänge. Das könnte gewollt sein, aber auch zu Problemen führen!
- Wenn du wie im Bild gezeigt, die Terminals nicht als Symbol darstellen lässt (ist Einstellung in den LabVIEW-Optionen), dann tust du uns und auf längere Sicht auch dir eine Freude!