INFO: Dieses Forum nutzt Cookies...
Cookies sind für den Betrieb des Forums unverzichtbar. Mit der Nutzung des Forums erklärst Du dich damit einverstanden, dass wir Cookies verwenden.

Es wird in jedem Fall ein Cookie gesetzt um diesen Hinweis nicht mehr zu erhalten. Desweiteren setzen wir Google Adsense und Google Analytics ein.


Antwort schreiben 

Drehmoment-Drehzahlsensor auslesen



Wenn dein Problem oder deine Frage geklärt worden ist, markiere den Beitrag als "Lösung",
indem du auf den "Lösung" Button rechts unter dem entsprechenden Beitrag klickst. Vielen Dank!

03.12.2014, 13:57
Beitrag #11

Stefanie3789 Offline
LVF-Grünschnabel
*


Beiträge: 11
Registriert seit: Nov 2014

2012
2014
EN


Deutschland
RE: Drehmoment-Drehzahlsensor auslesen
Hallo.
Ich habe einen klitzekleinen Fortschritt gemacht. Ich hätte den Channelnamen nicht benennen dürfen.

Nur habe ich noch ein Timingproblem.
Ich möchte gerne eine Anzeige der Drehzahl in 1/s.
Da ich alle 50ms die aktuelle Flankenzahl abfrage, dachte ich, dass ich diesen wert
einfach mal 20 nehme und dann habe ich den Wert für 1s.
Aber so richtig korrekt ist das nicht.
Ich könnte auch jede Sekunde die Schleife neu durchlaufen, allerdings ist der angezeigte Wert dann nur für diese eine Sekunde aktuell, also auch keine Lösung,
da die Anzeige dann sehr träge ist.

Gibt es eine bessere Lösung oder ein Stichwort wonach ich suchen kann?

Steffi


Angehängte Datei(en) Thumbnail(s)
   
Alle Beiträge dieses Benutzers finden
Diese Nachricht in einer Antwort zitieren to top
Anzeige
04.12.2014, 11:48
Beitrag #12

Soean Offline
LVF-Gelegenheitsschreiber
**


Beiträge: 140
Registriert seit: Sep 2010

2012
2009
EN


Deutschland
RE: Drehmoment-Drehzahlsensor auslesen
Hallo Steffi,

wieviel Hz erwartest du denn? Deiner aktuellen Berechnung nach bekommst du eine Flanke pro Umdrehung? Das kommt mir recht wenig vor...

Gruß,

Soean
Alle Beiträge dieses Benutzers finden
Diese Nachricht in einer Antwort zitieren to top
10.12.2014, 15:58 (Dieser Beitrag wurde zuletzt bearbeitet: 10.12.2014 16:06 von Stefanie3789.)
Beitrag #13

Stefanie3789 Offline
LVF-Grünschnabel
*


Beiträge: 11
Registriert seit: Nov 2014

2012
2014
EN


Deutschland
RE: Drehmoment-Drehzahlsensor auslesen
Hallo,
also der Sensor kann 60 Signale pro Umdrehung ausgeben und das tut er auch.
Die zu erwartende Drehzahl ist 1400 1/min

Das heißt, die Frequenz wäre 1400Hz. (Abtastfrequenz müsste dann 2400Hz sein, was ich aber nicht beeinflussen kann

Ich hab nochmal bei anderen ähnlichen Programmen abgeguckt bei denen die Zeit anders mit dem Schieberegister "berechnet" wird. Allerdings passt bei mir diese "globale" Zeit nicht, da steht ein riesiger Wert, weshalb die restliche Berechnung natürlich auch falsch ist.

Steffi


Angehängte Datei(en) Thumbnail(s)
   
Alle Beiträge dieses Benutzers finden
Diese Nachricht in einer Antwort zitieren to top
10.12.2014, 16:26 (Dieser Beitrag wurde zuletzt bearbeitet: 10.12.2014 16:26 von GerdW.)
Beitrag #14

GerdW Offline
______________
LVF-Team

Beiträge: 17.540
Registriert seit: May 2009

LV2019 (LV2021)
1995
DE_EN

10×××
Deutschland
RE: Drehmoment-Drehzahlsensor auslesen
Hallo Stefanie,

Zitat:Abtastfrequenz müsste dann 2400Hz sein
Wie kommst du darauf?


Zitat:Allerdings passt bei mir diese "globale" Zeit nicht, da steht ein riesiger Wert,
In der LabVIEW-Hilfe steht auch, was dieser "riesige Wert" für eine Bedeutung hat…
Außerdem bildest du eine Differenz von zweien dieser Werte - und diese Differenz sollte deutlich geringer sein!

Zitat:weshalb die restliche Berechnung natürlich auch falsch ist
Kannst du diese Aussage mal mit ein paar Werten belegen?

Was ich momentan vermisse, ist die Umrechnung deiner Zeitdifferenz in Sekunden bzw. Minuten, um eine Drehzahlangabe mit der Einheit "1/min" zu erhalten…

Alle Beiträge dieses Benutzers finden
Diese Nachricht in einer Antwort zitieren to top
10.12.2014, 17:01
Beitrag #15

Stefanie3789 Offline
LVF-Grünschnabel
*


Beiträge: 11
Registriert seit: Nov 2014

2012
2014
EN


Deutschland
RE: Drehmoment-Drehzahlsensor auslesen
Hallo.

Die Abtastfrequenz muss doppelt so hoch sein wie die zu messende Frequenz (Nyquist-Frequenz) damit keine Fehler entstehen, hab ich zumindest so in Messtechnik gelernt.
Allerdings muss diese Frequenz ja das NI-Modul einstellen, was ich aber leider nicht beeinflussen kann.

Woher der riesige Wert kommt hab ich auch in der Hilfe gelesen und dass man diese Funktion eigentlich nicht für Vergleiche nehmen sollte. Da es aber andere Beispiele hier mit dieser Funktion gibt wollte ich diese also auch verwenden und zu irgendwas muss sie ja gut sein.

Die Umrechung in 1/min hab ich noch nicht implementiert, da ich erstmal mit 1/s zufrieden wäre.

Der Bezug zur vergangenen Zeit ist mir noch ein Rätsel. Wenn ich das richtig verstehe, misst der Timer(wenn er denn richtig funktioniere) die verstrichene Zeit und ziehe von dieser die Schleifendauer ab. Dann habe ich die Zeit für das Flankendelta, richtig?


Angehängte Datei(en) Thumbnail(s)
   
Alle Beiträge dieses Benutzers finden
Diese Nachricht in einer Antwort zitieren to top
10.12.2014, 17:20 (Dieser Beitrag wurde zuletzt bearbeitet: 10.12.2014 17:21 von GerdW.)
Beitrag #16

GerdW Offline
______________
LVF-Team

Beiträge: 17.540
Registriert seit: May 2009

LV2019 (LV2021)
1995
DE_EN

10×××
Deutschland
RE: Drehmoment-Drehzahlsensor auslesen
Hallo Stefanie,

Zitat:Die Abtastfrequenz muss doppelt so hoch sein wie die zu messende Frequenz (Nyquist-Frequenz) damit keine Fehler entstehen, hab ich zumindest so in Messtechnik gelernt.
Du tastet hier aber nichts ab - du fragst nur regelmäßig einen Zählerstand ab…
Die USB6009 kann mit bis zu 10MHz zählen, steht jedenfalls im Manual.

Zitat:Der Bezug zur vergangenen Zeit ist mir noch ein Rätsel.
Wait und TickCount geben dir einen Zeitzähler in Millisekunden seit Rechnerstart. Steht so in der Hilfe
Wenn man die Differenz zweier solcher Angaben bildet, bekommst man die Zeit in Millisekunden zwischen den beiden Abfragen. Und die wiederum benötigst du, um deine Drehzahl zu berechnen: "n = dPulse/dt".

Alle Beiträge dieses Benutzers finden
Diese Nachricht in einer Antwort zitieren to top
Anzeige
11.12.2014, 09:36 (Dieser Beitrag wurde zuletzt bearbeitet: 11.12.2014 09:49 von Stefanie3789.)
Beitrag #17

Stefanie3789 Offline
LVF-Grünschnabel
*


Beiträge: 11
Registriert seit: Nov 2014

2012
2014
EN


Deutschland
RE: Drehmoment-Drehzahlsensor auslesen
Hallo

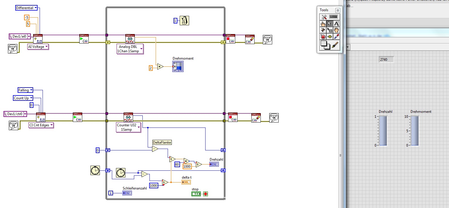
Ich hab jetzt außerhalb und innerhalb der Schleife tick count eingefügt damit ich wenigstens gleiche funktionen benutze. Die Differenz daraus wird durch 1000 geteilt um den Wert in sekunden zu erhalten.

Hab jetzt auch die "Umrechnung" in 1/min drin aber das ergebnis ist immernoch nicht richtig.
Wenn ich eine Schleifendauer angebe, dann ist mein Drehzahlergebnis stark davon abhängig. Das soll es aber nicht.

Ist es eine Lösung die Schleifendauer auf 1ms zu setzen und dann das endergebnis durch 1000 zu teilen?
Ich kann leider nicht richtig nachvollziehen welche Drehzahl ich tatsächlich eingebe um so die richtigkeit des Programms zu überprüfen.

Zum Testen stelle ich die Skalierung der Anzeige auf 0-1 1/min. Das bekommt man ja hin wenn man mit der Hand dreht.
Nun springt mein Anzeigebalken aber und füllt im sekundentakt den ganzen Balken aus und wächst nicht eben nicht kontinuierlich wie man das von so einer Anzeige erwarten würde. Also irgendwas ist da noch im Busch.


Angehängte Datei(en) Thumbnail(s)
       
Alle Beiträge dieses Benutzers finden
Diese Nachricht in einer Antwort zitieren to top
11.12.2014, 09:46 (Dieser Beitrag wurde zuletzt bearbeitet: 11.12.2014 09:48 von GerdW.)
Beitrag #18

GerdW Offline
______________
LVF-Team

Beiträge: 17.540
Registriert seit: May 2009

LV2019 (LV2021)
1995
DE_EN

10×××
Deutschland
RE: Drehmoment-Drehzahlsensor auslesen
Hallo Stefanie,

Zitat:Hab jetzt auch die "Umrechnung" in 1/min drin
Wo?

Zitat:das ergebnis ist immernoch nicht richtig.
Inwiefern?

Zitat:Wenn ich eine Schleifendauer angebe, dann ist mein Drehzahlergebnis stark davon abhängig.
Inwiefern?
Kleinere Wartezeiten bewirken stärkere Schwankungen im Rechenergebnis, größere Zeiten führen zu einer Mittelung. Du darfst dir jetzt aussuchen, was für dich passender ist.

Zitat:Das soll es aber nicht.
Was soll es dann?

Die USB6009 bietet nur begrenzte Optionen - irgendwo muss sich der Preis ja niederschlagen. Also musst du den CTR software-getimed abfragen - und das macht man nun einmal mit einer Wartezeit in der Abfrageschleife!

Und manchmal soll es ja auch hilfreich sein, auf CoercionDots zu achten bzw. diese zu vermeiden. Sowas soll ja auch Auswirkungen auf die Genauigkeit der angezeigten Werte haben… Hmm

Alle Beiträge dieses Benutzers finden
Diese Nachricht in einer Antwort zitieren to top
11.12.2014, 10:07 (Dieser Beitrag wurde zuletzt bearbeitet: 11.12.2014 11:19 von Stefanie3789.)
Beitrag #19

Stefanie3789 Offline
LVF-Grünschnabel
*


Beiträge: 11
Registriert seit: Nov 2014

2012
2014
EN


Deutschland
RE: Drehmoment-Drehzahlsensor auslesen
Zitat: Zitat:Hab jetzt auch die "Umrechnung" in 1/min drin
Wo?
Sorry, hab nicht das richtige Bild angehängt.

Zitat:Das Ergebnis ist immernch nicht richtig.
Weil, wenn ich die Schleifendauer verändere, kommen unterschiedliche Ergebnisse raus:
Bsp a: Schleifendauer 50ms (Ergebnis wird durch 20 geteilt um auf eine sekunde hochzurechnen)
bei einer Skalierung bis 100 1/min bewegt sich der Füllstand innerhalb der Anzeige.

Bsp b: Schleifendauer 500ms (Ergegnis durch 2 teilen)
bei gleicher Skalierung wird die Anzeige regelmäßig kurz komplett gefüllt


Angehängte Datei(en) Thumbnail(s)
   
Alle Beiträge dieses Benutzers finden
Diese Nachricht in einer Antwort zitieren to top
11.12.2014, 12:44 (Dieser Beitrag wurde zuletzt bearbeitet: 11.12.2014 12:58 von GerdW.)
Beitrag #20

GerdW Offline
______________
LVF-Team

Beiträge: 17.540
Registriert seit: May 2009

LV2019 (LV2021)
1995
DE_EN

10×××
Deutschland
RE: Drehmoment-Drehzahlsensor auslesen
Hallo Stefanie,

Zitat:Weil, wenn ich die Schleifendauer verändere, kommen unterschiedliche Ergebnisse raus
Erstelle doch bitte mal ein Diagramm, wo du den CTR-Wert über die Zeit aufträgst (also komplett one irgendwelche Skalierungen).
Einfach eine Schleife, die im 50ms-Takt den CTR-Wert abfragt, und dann bei mittlerem Durchfluß mal 10s lang messen…

Edit: Dieses Beispiel im NI-Forum ist quasi identisch mit deinem Ansatz…

Alle Beiträge dieses Benutzers finden
Diese Nachricht in einer Antwort zitieren to top
Antwort schreiben 


Möglicherweise verwandte Themen...
Themen Verfasser Antworten Views Letzter Beitrag
  Drehmoment Winkel XY-Diagramm und Abtastrate Jonnybo 1 5.689 05.06.2016 20:00
Letzter Beitrag: GerdW
  Entscheidungsproblem: Drücke,Temperaturen,Drehmoment/-zahl messen alex88de 15 13.766 15.05.2015 12:23
Letzter Beitrag: GerdW
  Drehzahl Drehmoment / Digital Analog zeitsynchron Lucky Rude 3 8.502 03.01.2013 11:20
Letzter Beitrag: Selectah83

Gehe zu: