INFO: Dieses Forum nutzt Cookies...
Cookies sind für den Betrieb des Forums unverzichtbar. Mit der Nutzung des Forums erklärst Du dich damit einverstanden, dass wir Cookies verwenden.

Es wird in jedem Fall ein Cookie gesetzt um diesen Hinweis nicht mehr zu erhalten. Desweiteren setzen wir Google Adsense und Google Analytics ein.


Antwort schreiben 

Messwerte in eine Datei lesen



Wenn dein Problem oder deine Frage geklärt worden ist, markiere den Beitrag als "Lösung",
indem du auf den "Lösung" Button rechts unter dem entsprechenden Beitrag klickst. Vielen Dank!

22.11.2010, 09:43
Beitrag #11

tierchen Offline
LVF-Grünschnabel
*


Beiträge: 21
Registriert seit: Nov 2010

8.6
2010
de

56075
Deutschland
Messwerte in eine Datei lesen
Verschicken mit Hilfe von UDP und Meldern klappt einwandfrei. Leider habe ich aber immer noch mein Problem mit
dem Dateischreiben. Optimal wäre ja eine Lösung mit dem ExpressVI, da ich ihm hier sagen kann, dass er auf Wunsch
die Messwerte einen Tag lang in eine Datei schreibt, und nach 24 h wieder eine Neue anlegt. Klappt so leider nicht,
da die Werte als ein String eingelesen werden und nicht als Werte selber, und ich die Schnittstelle ja direkt über Visa
anspreche und nicht über den I/O Assistenten.
Die Variante: ich bau das per Hand bricht weiterhin leider ab. Ohne Dateioptionen läuft es stabil.
Hat irgendeiner eine Idee?
Alle Beiträge dieses Benutzers finden
Diese Nachricht in einer Antwort zitieren to top
Anzeige
22.11.2010, 10:02
Beitrag #12

SeBa Offline
LVF-Guru
*****


Beiträge: 2.025
Registriert seit: Oct 2008

09SP1 & 10 FDS
2008
DE

65xxx
Deutschland
Messwerte in eine Datei lesen
Lad doch mal den aktuellen Stand der Dinge hoch.

Bezüglich der Datenaufzeichnung kann man sich beliebige Algorithmen ausdenken, wann eine neue Datei anzulegen ist.

Hier mal ein LVF-Link für ein Beispiel.
Es wird auf die Dateigröße reagiert, das für Zeitintervalle anzupassen ist aber eigentlich kein Hexenwerk.

Gruß SeBa

Dieser Beitrag soll weder nützlich, informativ noch lesbar sein.

Er erhebt lediglich den Anspruch dort wo er ungenau ist, wenigstens eindeutig ungenau zu sein.
In Fällen größerer Abweichungen ist es immer der Leser, der sich geirrt hat.

Rette einen Baum!
Diesen Beitrag nur ausdrucken, wenn unbedingt nötig!
Alle Beiträge dieses Benutzers finden
Diese Nachricht in einer Antwort zitieren to top
22.11.2010, 10:51
Beitrag #13

tierchen Offline
LVF-Grünschnabel
*


Beiträge: 21
Registriert seit: Nov 2010

8.6
2010
de

56075
Deutschland
Messwerte in eine Datei lesen
Danke für die Antwort,

Zitat:Lad doch mal den aktuellen Stand der Dinge hoch.

Leider gerade ein bisschen schwer... ich seh zu, das ich es so heute abend so abgeändert bekomme, dass ich es hochladen kann.
Prinzipiell ist es das selbe VI wie oben schon gepostet, nur das ich die Datei, wie JensG das vorgeschlagen hatte immer wieder
schließe. Und halt zusätzlich noch ein VI gebaut habe (Produzent/Konsument) was mir mit Hilfe von Meldern den Messwert zusätzlich via
UDP verschickt. Funktioniert ja ohne Datei einwandfrei... nur kaum lass ich die Daten in eine Datei schreiben kommt nach Ablauf einer
gewissen Zeitspanne ein VISA- Timeout (Fehler siehe oben).
Meine Vermutung ist ja, dass je mehr Messwerte in die Datei gelangen, dass System ja auch langsamer wird,
es dann dem Visa irgendwann zu langsam ist und es so zu dem Timeout kommt. Ich kann auch total auf dem Holzweg sein.

Zitat:Bezüglich der Datenaufzeichnung kann man sich beliebige Algorithmen ausdenken, wann eine neue Datei anzulegen ist.

Hier mal ein LVF-Link für ein Beispiel.
Es wird auf die Dateigröße reagiert, das für Zeitintervalle anzupassen ist aber eigentlich kein Hexenwerk.

Danke ... das werde ich sofort ausprobieren.

LG tierchen
Alle Beiträge dieses Benutzers finden
Diese Nachricht in einer Antwort zitieren to top
22.11.2010, 13:38
Beitrag #14

SeBa Offline
LVF-Guru
*****


Beiträge: 2.025
Registriert seit: Oct 2008

09SP1 & 10 FDS
2008
DE

65xxx
Deutschland
Messwerte in eine Datei lesen
Hab mal aus Spass ein ... Ding ... für ne halbe Stunde Daten ausgeben lassen über COM1. Keine Ahnung was für eine Samplerate eingestellt war. Irgendwas um die 60ms. Is auch egal. Das Ding liefert so schnell es eben kann und das VI liest es aus und schreibt es in eine Datei.

Lief bei mir jetzt ohne Probleme. Vielleicht hilft dir das ja irgendwie weiter.Smile

   


Gruß SeBa

Dieser Beitrag soll weder nützlich, informativ noch lesbar sein.

Er erhebt lediglich den Anspruch dort wo er ungenau ist, wenigstens eindeutig ungenau zu sein.
In Fällen größerer Abweichungen ist es immer der Leser, der sich geirrt hat.

Rette einen Baum!
Diesen Beitrag nur ausdrucken, wenn unbedingt nötig!
Alle Beiträge dieses Benutzers finden
Diese Nachricht in einer Antwort zitieren to top
22.11.2010, 15:52 (Dieser Beitrag wurde zuletzt bearbeitet: 22.11.2010 15:59 von tierchen.)
Beitrag #15

tierchen Offline
LVF-Grünschnabel
*


Beiträge: 21
Registriert seit: Nov 2010

8.6
2010
de

56075
Deutschland
Messwerte in eine Datei lesen
YES!!!! Danke schön. Läuft gerade mit bissel Anpassung stabil. Danke *knutsch*
Der Fehler trat auf als ich zuviel anderes gemacht hab. Lass ich das System nu laufen.... störe
es nicht lief es bisher ca 3h fehlerfrei mit deinen Ideen l. Müssen nu die Langzeittests zeigen wie stabil.


LG
Alle Beiträge dieses Benutzers finden
Diese Nachricht in einer Antwort zitieren to top
22.11.2010, 16:18
Beitrag #16

SeBa Offline
LVF-Guru
*****


Beiträge: 2.025
Registriert seit: Oct 2008

09SP1 & 10 FDS
2008
DE

65xxx
Deutschland
Messwerte in eine Datei lesen
Freut michBig Grin

Du darfst gerne hochladen was du jetzt gezaubert hast. Drüberschaun kann ja nicht schaden.


Gruß SeBa

Dieser Beitrag soll weder nützlich, informativ noch lesbar sein.

Er erhebt lediglich den Anspruch dort wo er ungenau ist, wenigstens eindeutig ungenau zu sein.
In Fällen größerer Abweichungen ist es immer der Leser, der sich geirrt hat.

Rette einen Baum!
Diesen Beitrag nur ausdrucken, wenn unbedingt nötig!
Alle Beiträge dieses Benutzers finden
Diese Nachricht in einer Antwort zitieren to top
Anzeige
23.11.2010, 16:57
Beitrag #17

tierchen Offline
LVF-Grünschnabel
*


Beiträge: 21
Registriert seit: Nov 2010

8.6
2010
de

56075
Deutschland
Messwerte in eine Datei lesen
jau... werde ich machen. Wie gesagt, ich muss es leider noch abändern und das kann bissel dauern, da der Rechner gerade im Langzeittestbetrieb ist.
Ich kümmere mich in den nächsten Tagen drum. Vll. hilft es ja jemandem, wobei ich fast schon bezweifel bei meinen Fähigkeiten Smile

LG
Alle Beiträge dieses Benutzers finden
Diese Nachricht in einer Antwort zitieren to top
02.03.2011, 19:35
Beitrag #18

tierchen Offline
LVF-Grünschnabel
*


Beiträge: 21
Registriert seit: Nov 2010

8.6
2010
de

56075
Deutschland
RE: Messwerte in eine Datei lesen
Hallo Leute....

was lange wärt.... ich hatte ja versprochen, dass ich nochmal wenigstens nen Screen poste.
Brauchte halt bissel länger, da ich noch sooo viel anderes in das Gesamtkonzept meiner
Bachelorarbeit bringen musste. Trotzdem wenigstens die leicht für das Forum abgeänderten Screens.

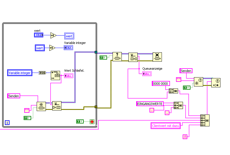
Zur Erklärung: Messwerte zweier identischer Geräte werden via Visa eingelesen und formatiert. Danach wird
der Messwertstring mit einem anderen String ( den ich mit einem UDP Client von einem Server hole) verknüpft. Nachdem
dieser Schritt durchlaufen wurde, wird der nun zusammengestellte String einem Melder übergeben.
Mit dessen Hilfe wird der Wert :

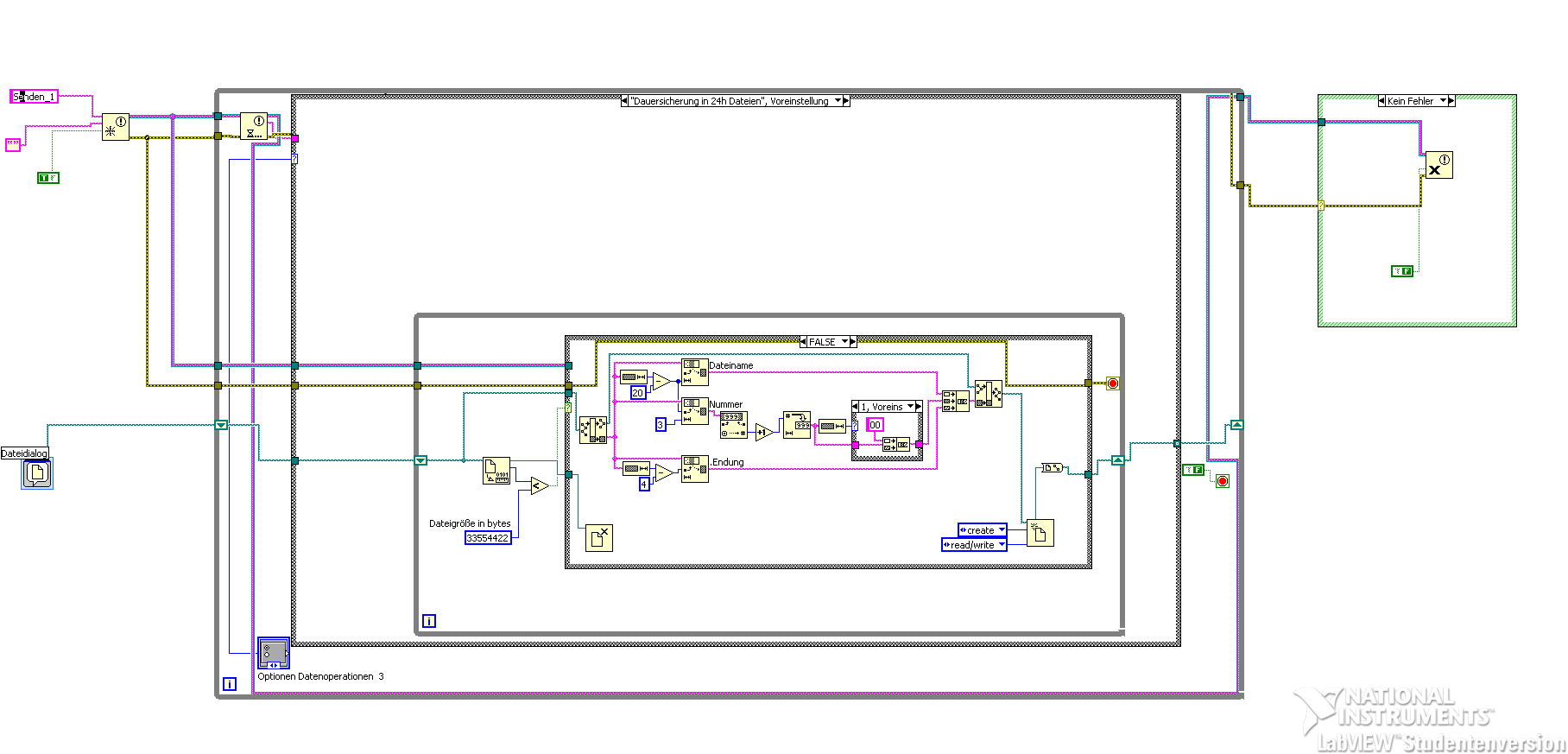
1. falls gewünscht in eine Datei geschrieben die nach ca 1. Tag geschlossen wird (realisiert über die Größe)
2. Gleichzeitig ständig an einen UDP Rechner gesendet.

Bisher läuft alles sehr stabil und ich danke damit ALLEN die mich so tatkräftig hier unterstützt haben.


--
Version hier 8.6

   
   
   
Alle Beiträge dieses Benutzers finden
Diese Nachricht in einer Antwort zitieren to top
02.03.2011, 22:07
Beitrag #19

jg Offline
CLA & CLED
LVF-Team

Beiträge: 15.864
Registriert seit: Jun 2005

20xx / 8.x
1999
EN

Franken...
Deutschland
RE: Messwerte in eine Datei lesen
Interessante While-Schleifen-Konstrukte...

Einmal direkt ein True am Stop angeschlossen, die While-Schleife läuft also nur 1x (das mag bei einem FGV seine Berechtigung haben, aber in deinem Screenshot erkenne ich die nicht).
Und zweimal Whileschleifen mit einem False als Stop-Bedingung, die stoppen also "nie". Hmm

Gruß, Jens

Wer die erhabene Weisheit der Mathematik tadelt, nährt sich von Verwirrung. (Leonardo da Vinci)

!! BITTE !! stellt mir keine Fragen über PM, dafür ist das Forum da - andere haben vielleicht auch Interesse an der Antwort!

Einführende Links zu LabVIEW, s. GerdWs Signatur.
Alle Beiträge dieses Benutzers finden
Diese Nachricht in einer Antwort zitieren to top
02.03.2011, 23:03 (Dieser Beitrag wurde zuletzt bearbeitet: 02.03.2011 23:15 von tierchen.)
Beitrag #20

tierchen Offline
LVF-Grünschnabel
*


Beiträge: 21
Registriert seit: Nov 2010

8.6
2010
de

56075
Deutschland
RE: Messwerte in eine Datei lesen
Hallo Jens
sorry ist ein bissel bloed das ich nicht alles posten kann.
Um die eine Whileschleife (die die an das True angeschlossen ist (Bild 1) läuft außen herum die Messwertschleife verknüpft mit einer Eventstuktur. Also wieder einmal eine Schleife innerhalb der Schleife. Diese sollte eigentlich einen Zähler darstellen der für das Sendeprotokoll gefordert war. Was sicher intelligenter an
der Stelle gewesen wäre, wäre direkt die Zählbedingung der Schleife zu nehmen. Die stellt ja in sich schon einen Zähler dar. Da bin ich heute mit der
Nase drauf gestoßen worden.
*seuftz*
Ich überarbeite das ganze dann wohl besser noch einmal ..... hoffe die Zeit reicht noch Smile.

Wobei die in Datei routine HAT schon einmal gestoppt. Nicht wie er hier dargestellt ist.... halt weil keine Meldung durch kam. Das könnte aber auch ein anderer Effekt gewesen sein.
Danke für alle Kritik.

LG tierchen
Alle Beiträge dieses Benutzers finden
Diese Nachricht in einer Antwort zitieren to top
Antwort schreiben 


Möglicherweise verwandte Themen...
Themen Verfasser Antworten Views Letzter Beitrag
  Datei lesen > anzeigen > verändern > speichern djbugs 5 9.256 26.01.2017 10:18
Letzter Beitrag: GerdW
  Messdaten in eine DFQ-Datei speichern uecontitech 4 16.642 06.05.2015 09:33
Letzter Beitrag: GerdW
  .tdms: mehrere Signale aus einer Datei lesen Kristin_611 4 8.448 03.02.2015 12:09
Letzter Beitrag: Kristin_611
Question NUR Eigenschaften einer TDMS Datei lesen Lucky 1 5.893 24.11.2014 10:12
Letzter Beitrag: macmarvin
  Messwerte in Datei schreiben lola2014 1 6.434 14.11.2014 13:47
Letzter Beitrag: Y-P
  Mehrere Arrays of Strings in eine Excel-Datei speichern derdak 7 12.865 06.03.2014 15:12
Letzter Beitrag: derdak

Gehe zu: