INFO: Dieses Forum nutzt Cookies...
Cookies sind für den Betrieb des Forums unverzichtbar. Mit der Nutzung des Forums erklärst Du dich damit einverstanden, dass wir Cookies verwenden.

Es wird in jedem Fall ein Cookie gesetzt um diesen Hinweis nicht mehr zu erhalten. Desweiteren setzen wir Google Adsense und Google Analytics ein.


Antwort schreiben 

Verständnis Frage Rate



Wenn dein Problem oder deine Frage geklärt worden ist, markiere den Beitrag als "Lösung",
indem du auf den "Lösung" Button rechts unter dem entsprechenden Beitrag klickst. Vielen Dank!

27.02.2015, 21:26 (Dieser Beitrag wurde zuletzt bearbeitet: 27.02.2015 21:29 von GerdW.)
Beitrag #21

GerdW Offline
______________
LVF-Team

Beiträge: 17.534
Registriert seit: May 2009

LV2019 (LV2021)
1995
DE_EN

10×××
Deutschland
RE: Verständnis Frage Rate
Hallo MM,

Zitat:Hier noch mal so wie es halt für einen Kanal richtig läuft
Du musst das, was du für einen Kanal machst (also alles ab GetWaveformComponents) für 3 Kanäle dreifach machen.
Und davor kommt dann das IndexArray, um aus dem Array of Waveforms deine 3 Waveforms zu indizieren…

Zitat:Ich weiß aber auch nicht genau wie man so einen Task dann konfiguriert
Indem man bei den "physical channels" eben nicht nur einen, sondern 3 Kanäle angibt… Wall
Auf den Auswahl-Button des Channel-Controls klicken und dann auf "Suchen…". Dann 3 Kanäle auswählen!

Alle Beiträge dieses Benutzers finden
Diese Nachricht in einer Antwort zitieren to top
Anzeige
27.02.2015, 21:37 (Dieser Beitrag wurde zuletzt bearbeitet: 27.02.2015 21:47 von M4st3r M M.)
Beitrag #22

M4st3r M M Offline
LVF-Grünschnabel
*


Beiträge: 32
Registriert seit: Nov 2014

2014
2014
DE



RE: Verständnis Frage Rate
mHH klappt nicht

ich hab noch mal im Versuch 3 und 4 jeweil probiert aber immer noch vergebens

Allerdings weiß ich jetzt nicht wo das Array indizieren hin muss


Angehängte Datei(en) Thumbnail(s)
   

10.0 .vi  Versuch3.vi (Größe: 48,39 KB / Downloads: 181)

10.0 .vi  Versuch4.vi (Größe: 48,82 KB / Downloads: 209)
Alle Beiträge dieses Benutzers finden
Diese Nachricht in einer Antwort zitieren to top
28.02.2015, 11:37 (Dieser Beitrag wurde zuletzt bearbeitet: 28.02.2015 11:40 von GerdW.)
Beitrag #23

GerdW Offline
______________
LVF-Team

Beiträge: 17.534
Registriert seit: May 2009

LV2019 (LV2021)
1995
DE_EN

10×××
Deutschland
RE: Verständnis Frage Rate
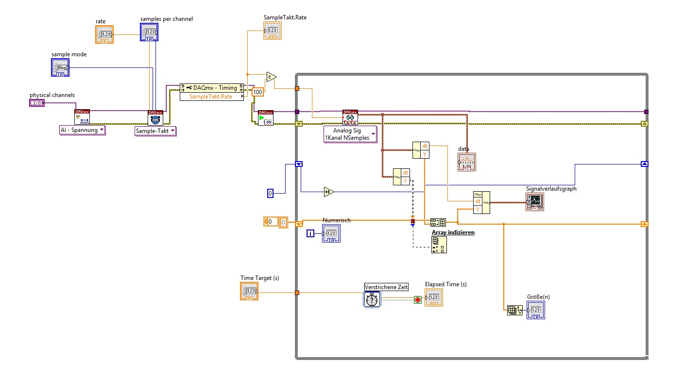
Hallo MM,

im Bild liest du weiterhin nur einen Kanal aus dem DAQmxRead. Wenn du nur einen Kanal hast, kannst du den nicht per IndexArray in mehrere aufspalten!

In Versuch3 liest du ebenfalls nur einen Kanal aus dem DAQmxRead: es ist nicht sinnvoll, diesen einen Kanal in mehrere aufsplitten zu wollen!

In Versuch4 hast du zwar die Signalaufbereitung schon perfektioniert, ABER: du liest weiterhin nur einen einzigen Kanal aus dem DAQmxRead. Wenn du 3 Signalkanäle haben willst, musst du die auch vom DAQmxRead liefern lassen!

Alle Beiträge dieses Benutzers finden
Diese Nachricht in einer Antwort zitieren to top
28.02.2015, 16:06
Beitrag #24

M4st3r M M Offline
LVF-Grünschnabel
*


Beiträge: 32
Registriert seit: Nov 2014

2014
2014
DE



RE: Verständnis Frage Rate
Hallo
Ok wie muss ich denn das Read Kästchen einsetzten das es funktioniert?
Alle Beiträge dieses Benutzers finden
Diese Nachricht in einer Antwort zitieren to top
01.03.2015, 18:30
Beitrag #25

GerdW Offline
______________
LVF-Team

Beiträge: 17.534
Registriert seit: May 2009

LV2019 (LV2021)
1995
DE_EN

10×××
Deutschland
RE: Verständnis Frage Rate
Hallo MM,

du willst doch mehr als nur einen Kanal lesen, also bietet sich statt "1Kanal…" der Modus "NKanäle…" an.
Ich dachte, das hätten wir schon geklärt…

Alle Beiträge dieses Benutzers finden
Diese Nachricht in einer Antwort zitieren to top
04.03.2015, 21:04
Beitrag #26

M4st3r M M Offline
LVF-Grünschnabel
*


Beiträge: 32
Registriert seit: Nov 2014

2014
2014
DE



RE: Verständnis Frage Rate
Hallo
Habe das Kästchen Read jetzt geändert aber nun sind fast alle Verbindungen nicht mehr vom richtigen Typen.
Was soll ich jetzt tun?
Alle Beiträge dieses Benutzers finden
Diese Nachricht in einer Antwort zitieren to top
Anzeige
04.03.2015, 21:15 (Dieser Beitrag wurde zuletzt bearbeitet: 04.03.2015 21:23 von GerdW.)
Beitrag #27

GerdW Offline
______________
LVF-Team

Beiträge: 17.534
Registriert seit: May 2009

LV2019 (LV2021)
1995
DE_EN

10×××
Deutschland
RE: Verständnis Frage Rate
Hallo MM,

und warum ist das so? Überlegen wir mal:
Bisher hast du "1Kanal…" ausgewählt und hast vom DAQmxRead eine (1) Waveform bekommen.
Jetzt hast du "NKanäle…" gewählt und bekommst wieviele Waveforms? Richtig: mehrere (N) Waveforms!
Und wie bekommt man auf einem Draht mehrere Waveforms? Richtig: als Array!
Und was macht man mit einem Array, wenn man die einzelnen Elemente haben will? Richtig: man indiziert die Elemente mittels IndexArray.
   
Und wenn man dann seine einzelnen Waveforms hat, kann man mit ihnen machen, was man schon immer mit ihnen machen wollte…
Ist doch alles nicht so schwer! Wall

Und wenn man sich nicht sicher ist, dann öffnet man die Kontexthilfe, fährt mit der Maus auf die fehlerhafte Verbindung und liest die Fehlermeldung dazu!

Alle Beiträge dieses Benutzers finden
Diese Nachricht in einer Antwort zitieren to top
04.03.2015, 21:19 (Dieser Beitrag wurde zuletzt bearbeitet: 04.03.2015 21:23 von M4st3r M M.)
Beitrag #28

M4st3r M M Offline
LVF-Grünschnabel
*


Beiträge: 32
Registriert seit: Nov 2014

2014
2014
DE



RE: Verständnis Frage Rate
Ja das klingt passend aber ich kann es halt in dem Programm nicht umsetzen
Ich hab jetzt noch einmal das Signal mit trennen versucht auf die Arrays zu setzten klappt aber auch nicht
Alle Beiträge dieses Benutzers finden
Diese Nachricht in einer Antwort zitieren to top
04.03.2015, 21:22
Beitrag #29

GerdW Offline
______________
LVF-Team

Beiträge: 17.534
Registriert seit: May 2009

LV2019 (LV2021)
1995
DE_EN

10×××
Deutschland
RE: Verständnis Frage Rate
Hallo MM,

wieso kannst du in diesem fehlerhaften Draht kein IndexArray einbauen, um ein Array of Waveforms in drei einzelne Waveforms zu zerlegen???

Alle Beiträge dieses Benutzers finden
Diese Nachricht in einer Antwort zitieren to top
04.03.2015, 21:33
Beitrag #30

M4st3r M M Offline
LVF-Grünschnabel
*


Beiträge: 32
Registriert seit: Nov 2014

2014
2014
DE



RE: Verständnis Frage Rate
So jetzt hat es geklappt :-)
Vielen Dank für deine (eure) Hilfe
Alle Beiträge dieses Benutzers finden
Diese Nachricht in einer Antwort zitieren to top
30
Antwort schreiben 


Möglicherweise verwandte Themen...
Themen Verfasser Antworten Views Letzter Beitrag
  DAQ-Assistent - Rate, Sample-ANzahl, etc = Verwirrung zig 17 18.431 08.07.2014 13:14
Letzter Beitrag: zig
  Sample Rate Measurement & Automation Explorer machfax 12 11.381 07.03.2013 12:45
Letzter Beitrag: machfax
  Ändern von Sample/Rate bei cDAQ-9172 Task ugarcia 9 10.309 09.01.2013 21:53
Letzter Beitrag: rasta
  Verständnis-Problem beim DAQmx-Erfassungsmodus Eisbär 4 8.655 24.09.2012 18:13
Letzter Beitrag: Lucki
  synchronisieren von Messdaten unterschiedlicher Quelle und Rate kob 2 5.465 03.08.2012 10:45
Letzter Beitrag: kob
  Erfassung analoger Signale, Synchron, Rate >=100KhZ NILVuser 1 4.549 27.08.2011 00:25
Letzter Beitrag: Mingo

Gehe zu: