INFO: Dieses Forum nutzt Cookies...
Cookies sind für den Betrieb des Forums unverzichtbar. Mit der Nutzung des Forums erklärst Du dich damit einverstanden, dass wir Cookies verwenden.

Es wird in jedem Fall ein Cookie gesetzt um diesen Hinweis nicht mehr zu erhalten. Desweiteren setzen wir Google Adsense und Google Analytics ein.


Antwort schreiben 

Elemente per Mausklick aus Array auswählen



Wenn dein Problem oder deine Frage geklärt worden ist, markiere den Beitrag als "Lösung",
indem du auf den "Lösung" Button rechts unter dem entsprechenden Beitrag klickst. Vielen Dank!

17.07.2014, 11:09
Beitrag #41

Marcy Offline
LVF-Grünschnabel
*


Beiträge: 24
Registriert seit: Apr 2014

2011-SP1
2014
DE


Deutschland
RE: Elemente per Mausklick aus Array auswählen
Danke Gerdes und Jens,
mit eure Hilfe konnte ich weiter kommen. Ich kann ja das angeklickte Element in einem Array anzeigen lasssen. Aber wie kann ich erreichen dass, wenn ich zb. 5 Elemente auswähle dass diese, angezeigt werden. Momentan kann ich nur ein element anklicken und anzeigen. ich will aber max 20 auswählen und anzeigen lassen.
Danke im vorraus
Marcy
Alle Beiträge dieses Benutzers finden
Diese Nachricht in einer Antwort zitieren to top
Anzeige
17.07.2014, 11:41
Beitrag #42

GerdW Offline
______________
LVF-Team

Beiträge: 17.533
Registriert seit: May 2009

LV2019 (LV2021)
1995
DE_EN

10×××
Deutschland
RE: Elemente per Mausklick aus Array auswählen
Hallo Marcy,

schau dir mal die Rechtsklick-Optionen der Listbox an…

Alle Beiträge dieses Benutzers finden
Diese Nachricht in einer Antwort zitieren to top
17.07.2014, 12:00
Beitrag #43

Lucki Offline
Tech.Exp.2.Klasse
LVF-Team

Beiträge: 7.699
Registriert seit: Mar 2006

LV 2016-18 prof.
1995
DE

01108
Deutschland
RE: Elemente per Mausklick aus Array auswählen
Mich wundert, dass in dem ultralangen Thread niemand die (einspaltige) Tabelle als Lösungsmöglichkeit ins Feld führt. Die Tabelle ist im BD identisch mit einem Array (of Strings), aber im FP hat man bei den Elementen unendlich viel mehr Bedienmöglichkeiten. Es ist ein Klacks, dort N Elemente auszuwählen, um sie woanderes weiter zu verwenden. Ich vermute, der Thread wäre nicht mal ein Zehntel so lang, wenn jemand das gleich vorgeschlagen hätte.
Alle Beiträge dieses Benutzers finden
Diese Nachricht in einer Antwort zitieren to top
17.07.2014, 12:06
Beitrag #44

Trinitatis Offline
LVF-Guru
*****


Beiträge: 1.694
Registriert seit: May 2008

7.1 / 8.0 /2014-1, 18
2002
DE

18055
Deutschland
RE: Elemente per Mausklick aus Array auswählen
(17.07.2014 12:00 )Lucki schrieb:  Ich vermute, der Thread wäre nicht mal ein Zehntel so lang, wenn jemand das gleich vorgeschlagen hätte.

...ja, warum hat das eigentlich keiner gemacht, Ludwig ? Big Grin

Aber mal im Ernst: Meist du ein einspaltiges Listenfeld, oder eine Tabelle, die auf eine Spalte getrimmt ist, im BD aber ja immer noch als 2D daherkäme?


Gruß, Marko
Alle Beiträge dieses Benutzers finden
Diese Nachricht in einer Antwort zitieren to top
17.07.2014, 13:04
Beitrag #45

jg Offline
CLA & CLED
LVF-Team

Beiträge: 15.864
Registriert seit: Jun 2005

20xx / 8.x
1999
EN

Franken...
Deutschland
RE: Elemente per Mausklick aus Array auswählen
(17.07.2014 12:00 )Lucki schrieb:  Ich vermute, der Thread wäre nicht mal ein Zehntel so lang, wenn jemand das gleich vorgeschlagen hätte.
Der Thread ist 7 Jahre alt und wurde jetzt zum 3. oder 4. Mal aus der Versenkung hervorgeholt...

Gruß, Jens

Wer die erhabene Weisheit der Mathematik tadelt, nährt sich von Verwirrung. (Leonardo da Vinci)

!! BITTE !! stellt mir keine Fragen über PM, dafür ist das Forum da - andere haben vielleicht auch Interesse an der Antwort!

Einführende Links zu LabVIEW, s. GerdWs Signatur.
Alle Beiträge dieses Benutzers finden
Diese Nachricht in einer Antwort zitieren to top
17.07.2014, 15:03
Beitrag #46

Marcy Offline
LVF-Grünschnabel
*


Beiträge: 24
Registriert seit: Apr 2014

2011-SP1
2014
DE


Deutschland
RE: Elemente per Mausklick aus Array auswählen
(17.07.2014 11:41 )GerdW schrieb:  Hallo Marcy,

schau dir mal die Rechtsklick-Optionen der Listbox an…

Hallo Gerdes,
du meinst sicherlich auf dem FP das Auswahlmodus ja das hab ich schon eingestellt auf "1 oder mehr objekt" irgendwie klappt das nicht. . Guck dir doch mal was ich geschrieben habe
Danke


Angehängte Datei(en) Thumbnail(s)
   
Alle Beiträge dieses Benutzers finden
Diese Nachricht in einer Antwort zitieren to top
Anzeige
17.07.2014, 15:07 (Dieser Beitrag wurde zuletzt bearbeitet: 17.07.2014 15:22 von GerdW.)
Beitrag #47

GerdW Offline
______________
LVF-Team

Beiträge: 17.533
Registriert seit: May 2009

LV2019 (LV2021)
1995
DE_EN

10×××
Deutschland
RE: Elemente per Mausklick aus Array auswählen
Hallo Marcy,

warum betreibst du die Listbox als Indicator, wenn dein User dort etwas auswählen soll? Warum nicht als Control?
Die Listbox liefert dir doch schon direkt die aktivierten Elemente, wozu also diese ganze Mimik mit Mauskoordinaten umrechnen etc.?

Alle Beiträge dieses Benutzers finden
Diese Nachricht in einer Antwort zitieren to top
17.07.2014, 15:17
Beitrag #48

jg Offline
CLA & CLED
LVF-Team

Beiträge: 15.864
Registriert seit: Jun 2005

20xx / 8.x
1999
EN

Franken...
Deutschland
RE: Elemente per Mausklick aus Array auswählen
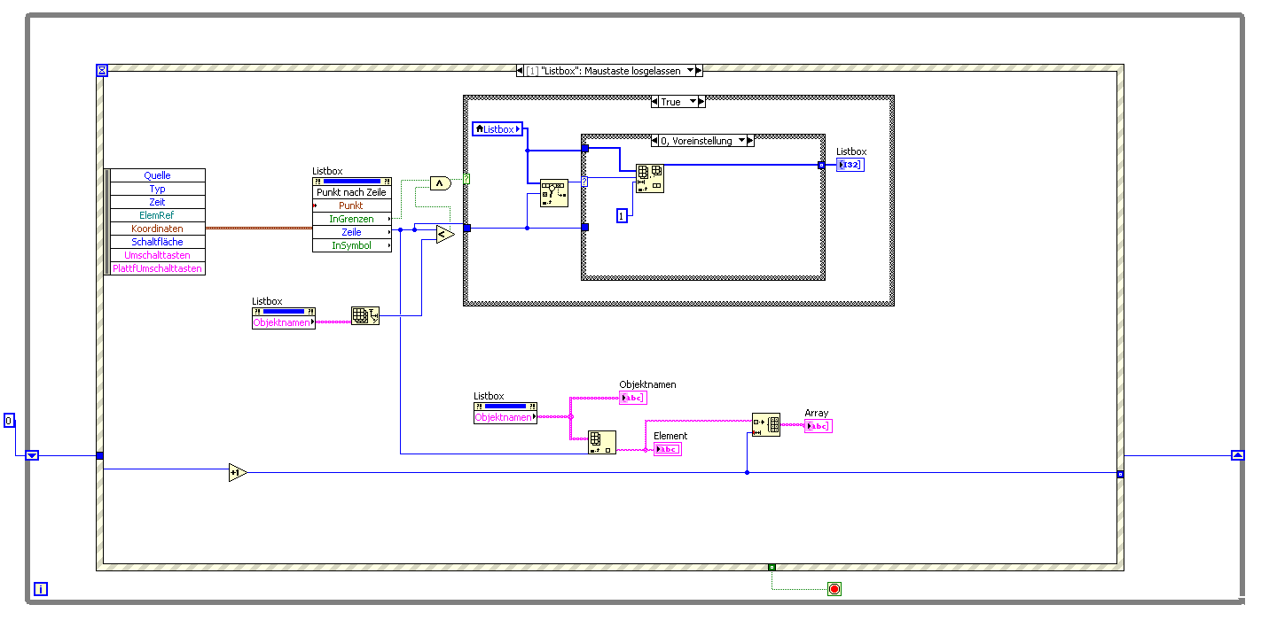
Ich verstehe nicht, wo das Problem liegt. Das Beispiel aus Beitrag #8 macht genau das, was du willst - zumindest so weit du es uns mitgeteilt hast.

Per Mausklick kannst du 0 bis n Zeilen einer Listbox aktivieren oder deaktivieren. Die Zeilen werden mit einem netten Symbol gekennzeichnet und auch noch als gewählt angezeigt. Und nur diese Zeilen werden dann an ein Array weitergegeben.

@Gerd: Die Mimik mit den Mauskoordinaten kommt aus dem Anhang Beitrag#8, und da wird noch parallel ein Symbol in der Listbox-Zeile gesetzt. Deshalb...

Gruß, Jens.

Wer die erhabene Weisheit der Mathematik tadelt, nährt sich von Verwirrung. (Leonardo da Vinci)

!! BITTE !! stellt mir keine Fragen über PM, dafür ist das Forum da - andere haben vielleicht auch Interesse an der Antwort!

Einführende Links zu LabVIEW, s. GerdWs Signatur.
Alle Beiträge dieses Benutzers finden
Diese Nachricht in einer Antwort zitieren to top
17.07.2014, 17:02
Beitrag #49

Lucki Offline
Tech.Exp.2.Klasse
LVF-Team

Beiträge: 7.699
Registriert seit: Mar 2006

LV 2016-18 prof.
1995
DE

01108
Deutschland
RE: Elemente per Mausklick aus Array auswählen
(17.07.2014 12:06 )Trinitatis schrieb:  ... oder eine Tabelle, die auf eine Spalte getrimmt ist, im BD aber ja immer noch als 2D daherkäme?
Ja genau, das meinte ich. Leider habe ich im Moment keine Lust, das Beispiel zu machen, und so dachte ich, ich schnipse nur mal kurz mit dem Finger, und dann macht es jemand anderes. Scheint aber nicht zu funktionieren Big Grin
Alle Beiträge dieses Benutzers finden
Diese Nachricht in einer Antwort zitieren to top
18.07.2014, 10:29
Beitrag #50

Marcy Offline
LVF-Grünschnabel
*


Beiträge: 24
Registriert seit: Apr 2014

2011-SP1
2014
DE


Deutschland
RE: Elemente per Mausklick aus Array auswählen
Hallo Jens,
mein Programm soll dynamisch sein, glaubst du wirklich dass die Initiaalisierung eine gute Idee ist? Da es später noch mehr Einträge hinzugefügt werden.
(15.07.2014 15:39 )jg schrieb:  Hallo Marcy,

wie Gerd empfiehlt, Listbox und alles wird gaaaanz einfach. Dann musst du "nur" das VI aus Beitrag #8 einsetzen.

Für die Initialisierung brauchst du noch Folgendes:


Und dann bist du schon fast fertig.

Gruß, Jens
Alle Beiträge dieses Benutzers finden
Diese Nachricht in einer Antwort zitieren to top
Antwort schreiben 


Möglicherweise verwandte Themen...
Themen Verfasser Antworten Views Letzter Beitrag
  Menüpunkt in Ring Constant auswählen creo_123 3 9.560 24.05.2024 07:05
Letzter Beitrag: creo_123
  Papierfach auswählen über Software Tobi Wan Kenobi 0 3.048 21.11.2018 13:02
Letzter Beitrag: Tobi Wan Kenobi
  Elemente aus 2D-Array nach bestimmten Index (n,m) auslesen und in 2D Array speichern 1990 2 6.670 29.04.2017 21:51
Letzter Beitrag: 1990
  Array 4 Elemente (Float) aufbrechen Tobiii 6 6.840 13.02.2017 09:24
Letzter Beitrag: Tobiii
  Einzelne Elemente aus Array vergleichen DerTueftler 1 4.484 15.12.2016 21:15
Letzter Beitrag: Morpheus
  While Schleife mit Mausklick beenden eincremerle 3 4.862 10.11.2015 07:53
Letzter Beitrag: eincremerle

Gehe zu: