INFO: Dieses Forum nutzt Cookies...
Cookies sind für den Betrieb des Forums unverzichtbar. Mit der Nutzung des Forums erklärst Du dich damit einverstanden, dass wir Cookies verwenden.

Es wird in jedem Fall ein Cookie gesetzt um diesen Hinweis nicht mehr zu erhalten. Desweiteren setzen wir Google Adsense und Google Analytics ein.


Antwort schreiben 

Multilanguage / Ini-Datei auslesen / Sprachauswahl



Wenn dein Problem oder deine Frage geklärt worden ist, markiere den Beitrag als "Lösung",
indem du auf den "Lösung" Button rechts unter dem entsprechenden Beitrag klickst. Vielen Dank!

03.10.2011, 10:36 (Dieser Beitrag wurde zuletzt bearbeitet: 03.10.2011 10:45 von Cillinar.)
Beitrag #51

Cillinar Offline
LVF-Grünschnabel
*


Beiträge: 17
Registriert seit: Aug 2011

2010
2011
EN


Oesterreich
RE: Multilanguage / Ini-Datei auslesen / Sprachauswahl
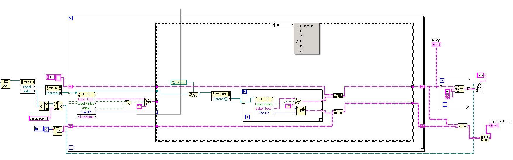
Als blutiger Anfänger habe ich noch einige Schwierigkeiten. Ich habe jetzt das Programm so geändert, dass die Klasse den Case vorgibt, damit ich aus den verschiedenen Controls Werte rauslesen kann, wie z.B. bei einem SystemRing die Strings.

- Ich finde aber über "To more specific class" keine Auswahlmöglichkeit für Ring.

- Bei Boolean find ich keine Option, den Buttontext rauszulesen.

- Ich habe ein paar Clusters auf den Tabs, die aus ein paar Controls bestehen, von denen ich auch gerne die Labels rauslesen würde.

Gibt es eine Möglichkeit diese Werte anzuzeigen?


Beispiel für die Cluster beigefügt. Nur es funktioniert absolut nicht so wie ich es mir vorgestellt hatte. Sad

EDIT:
Also warum das bei Cluster nicht funktioniert ist mir mal klar geworden ^^ Ich muss ja zuerst auf der Registerkarte sein, damit ich auf die Clusters zugreifen kann xD
Habe da jetzt voll nicht aufgepasst!!


Angehängte Datei(en) Thumbnail(s)
   
Alle Beiträge dieses Benutzers finden
Diese Nachricht in einer Antwort zitieren to top
Anzeige
03.10.2011, 11:02
Beitrag #52

Y-P Offline
☻ᴥᴥᴥ☻ᴥᴥᴥ☻
LVF-Team

Beiträge: 12.612
Registriert seit: Feb 2006

Developer Suite Core -> LabVIEW 2015 Prof.
2006
EN

71083
Deutschland
RE: Multilanguage / Ini-Datei auslesen / Sprachauswahl
Lad' mal eine Bsp.-Datei mit Deinen Controls hoch. Ich weiß jetzt nicht genau, was Du meinst (wieso Du boolsche Controls nicht findest,....).

Gruß Markus

--------------------------------------------------------------------------
Bitte stellt mir keine Fragen über PM, dafür ist das Forum da - andere haben vielleicht auch Interesse an der Antwort !!
--------------------------------------------------------------------------
Alle Beiträge dieses Benutzers finden
Diese Nachricht in einer Antwort zitieren to top
03.10.2011, 11:10
Beitrag #53

Cillinar Offline
LVF-Grünschnabel
*


Beiträge: 17
Registriert seit: Aug 2011

2010
2011
EN


Oesterreich
RE: Multilanguage / Ini-Datei auslesen / Sprachauswahl
Also ich hoffe, dass du das damit gemeint hast:


Angehängte Datei(en) Thumbnail(s)
       
Alle Beiträge dieses Benutzers finden
Diese Nachricht in einer Antwort zitieren to top
03.10.2011, 11:17 (Dieser Beitrag wurde zuletzt bearbeitet: 03.10.2011 11:18 von Y-P.)
Beitrag #54

Y-P Offline
☻ᴥᴥᴥ☻ᴥᴥᴥ☻
LVF-Team

Beiträge: 12.612
Registriert seit: Feb 2006

Developer Suite Core -> LabVIEW 2015 Prof.
2006
EN

71083
Deutschland
RE: Multilanguage / Ini-Datei auslesen / Sprachauswahl
Achso, jetzt kapiere ich es. Big Grin Das geht mit der Property "Boolean Text.Text". (Boolean Text -> Text, in Deinem Bsp. die 6. Proberty von unten)

Gruß Markus

--------------------------------------------------------------------------
Bitte stellt mir keine Fragen über PM, dafür ist das Forum da - andere haben vielleicht auch Interesse an der Antwort !!
--------------------------------------------------------------------------
Alle Beiträge dieses Benutzers finden
Diese Nachricht in einer Antwort zitieren to top
03.10.2011, 11:58
Beitrag #55

jg Offline
CLA & CLED
LVF-Team

Beiträge: 15.864
Registriert seit: Jun 2005

20xx / 8.x
1999
EN

Franken...
Deutschland
RE: Multilanguage / Ini-Datei auslesen / Sprachauswahl
Die Klasse Ring findest du unter
Generic->GObject->Control->Numeric->NamedNumeric->Ring

Und falls dein Boolean verschiedene Strings für verschiedene Zustände verwendet, dann musst du die Property Strings[4] verwenden.

Gruß, Jens

Wer die erhabene Weisheit der Mathematik tadelt, nährt sich von Verwirrung. (Leonardo da Vinci)

!! BITTE !! stellt mir keine Fragen über PM, dafür ist das Forum da - andere haben vielleicht auch Interesse an der Antwort!

Einführende Links zu LabVIEW, s. GerdWs Signatur.
Alle Beiträge dieses Benutzers finden
Diese Nachricht in einer Antwort zitieren to top
03.10.2011, 12:23
Beitrag #56

Cillinar Offline
LVF-Grünschnabel
*


Beiträge: 17
Registriert seit: Aug 2011

2010
2011
EN


Oesterreich
RE: Multilanguage / Ini-Datei auslesen / Sprachauswahl
Das Projekt wird wohl abgebrochen. Durch die große Anzahl an Registerkarten und meine schlechten LabVIEW-Kenntnisse würde das viel zu lange dauern. Da übersetze ich das lieber manuell. Ich hoffe, dass dieses Projekt mal von einem LabVIEW-Experten aus der Firma weitergeführt wird!

Vielen lieben Dank nochmal!
Alle Beiträge dieses Benutzers finden
Diese Nachricht in einer Antwort zitieren to top
Anzeige
03.10.2011, 16:15 (Dieser Beitrag wurde zuletzt bearbeitet: 03.10.2011 16:15 von Y-P.)
Beitrag #57

Y-P Offline
☻ᴥᴥᴥ☻ᴥᴥᴥ☻
LVF-Team

Beiträge: 12.612
Registriert seit: Feb 2006

Developer Suite Core -> LabVIEW 2015 Prof.
2006
EN

71083
Deutschland
RE: Multilanguage / Ini-Datei auslesen / Sprachauswahl
Bitteschön. Big Grin
Schade um das schöne Projekt. Blink

Gruß Markus

(03.10.2011 12:23 )Cillinar schrieb:  Vielen lieben Dank nochmal!

--------------------------------------------------------------------------
Bitte stellt mir keine Fragen über PM, dafür ist das Forum da - andere haben vielleicht auch Interesse an der Antwort !!
--------------------------------------------------------------------------
Alle Beiträge dieses Benutzers finden
Diese Nachricht in einer Antwort zitieren to top
04.10.2011, 08:55
Beitrag #58

Cillinar Offline
LVF-Grünschnabel
*


Beiträge: 17
Registriert seit: Aug 2011

2010
2011
EN


Oesterreich
RE: Multilanguage / Ini-Datei auslesen / Sprachauswahl
Ganz aufgegeben ist das Projekt ja nicht, nur etwas komprimiert. Ich muss noch immer einen Weg finden, die Labelnamen aus einer Datei rauszulesen und jedem Control zuzuweisen. Nur um die Labelnamen den Controls zuzuweisen, muss im Endeffekt fast dasselbe machen wie beim Einlesen der Werte.

Auf meiner Hauptregisterkarte habe ich einen Knopf, der die zweite Seite der Registerkarte aufruft. Auf dieser liegt dann eine "Unterregisterkarte" aus 3 Seiten bestehend. Da habe ich mir gedacht, es wäre am einfachsten den selben Code 2 mal zu schreiben, einmal für die Hauptregisterkarte und einmal für die Unterregisterkarte. Und einmal das ganze für den Frontpanel selbst. Es wäre aber schön, wenn es einen einfachen Weg gäbe, den Code nur einmal im Programm zu haben, aber 3 mal aufrufen zu lassen. Mir liegts quasi auf der Zungenspitze, aber es will einfach nicht klick machen ^^

Ein ähnliches Problem habe ich auch mit den Clustern, die z.B. Ringelemente enthalten. Da müsste ich ja fast dasselbe machen wie bei der Registerkarte, um zu schauen welche Controls in dem Cluster vorliegen, um gegebenfalls die Ringwerte zusätzlich zu den Labelnamen rauszulesen.

Ich hoffe, das was ich geschrieben habe ist halbwegs verständlich.. Würde mich auf jeden Fall echt auf eure Hilfe weiterhin freuen!
Alle Beiträge dieses Benutzers finden
Diese Nachricht in einer Antwort zitieren to top
04.10.2011, 09:04
Beitrag #59

jg Offline
CLA & CLED
LVF-Team

Beiträge: 15.864
Registriert seit: Jun 2005

20xx / 8.x
1999
EN

Franken...
Deutschland
RE: Multilanguage / Ini-Datei auslesen / Sprachauswahl
(04.10.2011 08:55 )Cillinar schrieb:  Auf meiner Hauptregisterkarte habe ich einen Knopf, der die zweite Seite der Registerkarte aufruft. Auf dieser liegt dann eine "Unterregisterkarte" aus 3 Seiten bestehend. Da habe ich mir gedacht, es wäre am einfachsten den selben Code 2 mal zu schreiben, einmal für die Hauptregisterkarte und einmal für die Unterregisterkarte. Und einmal das ganze für den Frontpanel selbst. Es wäre aber schön, wenn es einen einfachen Weg gäbe, den Code nur einmal im Programm zu haben, aber 3 mal aufrufen zu lassen. Mir liegts quasi auf der Zungenspitze, aber es will einfach nicht klick machen ^^
Rekursive Programmierung...

Du musst dich halt dynamisch durch alle Ebenen durchhangeln.
Als Bsp, schau dir das VI "Recursive File List.vi" an, auch das hangelt sich durch eine beliebig tiefe Baumstruktur.

Gruß, Jens

Wer die erhabene Weisheit der Mathematik tadelt, nährt sich von Verwirrung. (Leonardo da Vinci)

!! BITTE !! stellt mir keine Fragen über PM, dafür ist das Forum da - andere haben vielleicht auch Interesse an der Antwort!

Einführende Links zu LabVIEW, s. GerdWs Signatur.
Alle Beiträge dieses Benutzers finden
Diese Nachricht in einer Antwort zitieren to top
04.10.2011, 09:17 (Dieser Beitrag wurde zuletzt bearbeitet: 04.10.2011 09:20 von Cillinar.)
Beitrag #60

Cillinar Offline
LVF-Grünschnabel
*


Beiträge: 17
Registriert seit: Aug 2011

2010
2011
EN


Oesterreich
RE: Multilanguage / Ini-Datei auslesen / Sprachauswahl
EDIT - habe zu früh geantwortet. und konnte den beitrag leider nimma löschen Sad

wird wohl platzhalter für die nächste frage
Alle Beiträge dieses Benutzers finden
Diese Nachricht in einer Antwort zitieren to top
Antwort schreiben 


Möglicherweise verwandte Themen...
Themen Verfasser Antworten Views Letzter Beitrag
  Xml Datei auslesen luna 1 3.229 04.06.2021 18:22
Letzter Beitrag: GerdW
  Daten aus txt.Datei auslesen Greensche 4 6.797 06.07.2016 15:44
Letzter Beitrag: Lucki
  Aus *.txt-Datei bei neuen Einträgen diese auslesen Aleph1 5 6.482 24.01.2013 19:06
Letzter Beitrag: GerdW
  Daten von Datei Ein/Auslesen Wendigo 33 24.551 14.01.2013 14:19
Letzter Beitrag: Wendigo
  Bestimmte Werte aus xml-Datei live auslesen robbyh 2 8.400 31.05.2010 12:57
Letzter Beitrag: BsaiboT
  Abspeicherung: y-Werte nach best. x-Wert aus Signalverlaufsgraph auslesen und alle Signale in eine Datei abspeichern (mi hotelbravo82 5 10.118 27.04.2010 19:23
Letzter Beitrag: GerdW

Gehe zu: