INFO: Dieses Forum nutzt Cookies...
Cookies sind für den Betrieb des Forums unverzichtbar. Mit der Nutzung des Forums erklärst Du dich damit einverstanden, dass wir Cookies verwenden.

Es wird in jedem Fall ein Cookie gesetzt um diesen Hinweis nicht mehr zu erhalten. Desweiteren setzen wir Google Adsense und Google Analytics ein.


Antwort schreiben 

Problem mit plötzlich auftauchenden Nullen im Array



Wenn dein Problem oder deine Frage geklärt worden ist, markiere den Beitrag als "Lösung",
indem du auf den "Lösung" Button rechts unter dem entsprechenden Beitrag klickst. Vielen Dank!

21.09.2007, 15:44 (Dieser Beitrag wurde zuletzt bearbeitet: 22.12.2007 18:50 von jg.)
Beitrag #1

sascha.supreme Offline
LVF-Neueinsteiger


Beiträge: 7
Registriert seit: Aug 2007

8.2
2007
kA

47798
Deutschland
Problem mit plötzlich auftauchenden Nullen im Array
hallo

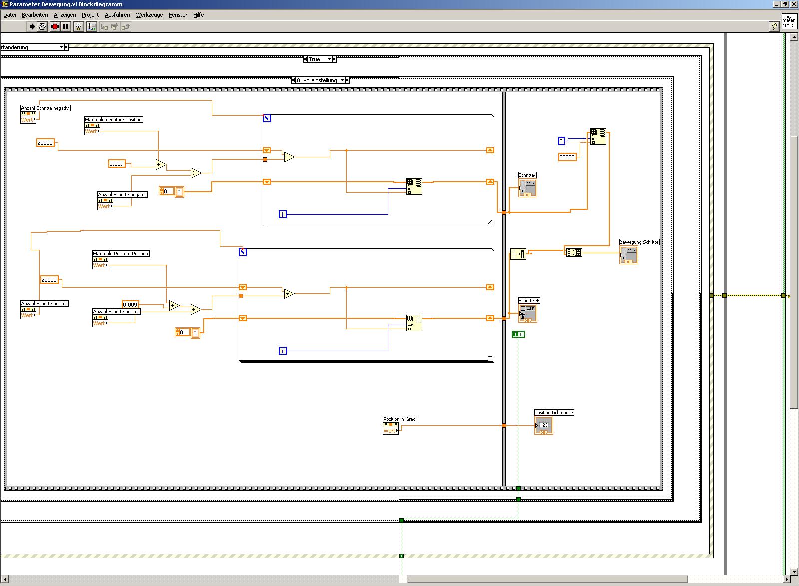
Habe ein Problem mit meinem Vi, es funktioniert einwandfrei bis am Ende die Arrays von den positiven und negativen Schritten oder den Bewegungen, plötzlich eine Null in den 2D Array eingibt obwohl diese in den Array 1D Arrays nicht auftauchen.

(VI LV 8.2)


Angehängte Datei(en)
Sonstige .vi  Parameter_Bewegung.vi (Größe: 87,1 KB / Downloads: 256)
Alle Beiträge dieses Benutzers finden
Diese Nachricht in einer Antwort zitieren to top
Anzeige
21.09.2007, 15:54
Beitrag #2

oenk Offline
LVF-Stammgast
***


Beiträge: 361
Registriert seit: May 2005

>= 7.1
2004
EN

3018
Schweiz
Problem mit plötzlich auftauchenden Nullen im Array
Hallo Sascha.supreme

bring dein Programm erstmal auf eine Fenstergroesse, dann schaut es hier sicher auch jemand an....
oder bring mir ein 21'' TFT vorbei, dann schau ich's mir auch an ;-)

Gruss,
Christian


Angehängte Datei(en) Thumbnail(s)
   

In theory, there is no difference between theory and practice; In practice, there is.

Chuck Reid
Alle Beiträge dieses Benutzers finden
Diese Nachricht in einer Antwort zitieren to top
21.09.2007, 16:13 (Dieser Beitrag wurde zuletzt bearbeitet: 21.09.2007 16:14 von sascha.supreme.)
Beitrag #3

sascha.supreme Offline
LVF-Neueinsteiger


Beiträge: 7
Registriert seit: Aug 2007

8.2
2007
kA

47798
Deutschland
Problem mit plötzlich auftauchenden Nullen im Array
So habmal einen Screenie vom Problem gemacht, wie gesagt wenn ich die beiden arrays zusammenlege habe ich plötzlich eine Null dazwichen.


Angehängte Datei(en) Thumbnail(s)
   
Alle Beiträge dieses Benutzers finden
Diese Nachricht in einer Antwort zitieren to top
21.09.2007, 16:31
Beitrag #4

jg Offline
CLA & CLED
LVF-Team

Beiträge: 15.864
Registriert seit: Jun 2005

20xx / 8.x
1999
EN

Franken...
Deutschland
Problem mit plötzlich auftauchenden Nullen im Array
Ich blick zwar bei deinem Riesen-BD (trotz Screenshot) auch nicht durch, aber vielleicht haben deine beiden 1D-Arrays unterschiedliche Größen? Wenn du dann daraus ein 2D-Array machst, werden die fehlenden Stellen mit Nullen aufgefüllt.

MfG, Jens

Wer die erhabene Weisheit der Mathematik tadelt, nährt sich von Verwirrung. (Leonardo da Vinci)

!! BITTE !! stellt mir keine Fragen über PM, dafür ist das Forum da - andere haben vielleicht auch Interesse an der Antwort!

Einführende Links zu LabVIEW, s. GerdWs Signatur.
Alle Beiträge dieses Benutzers finden
Diese Nachricht in einer Antwort zitieren to top
21.09.2007, 16:33
Beitrag #5

IchSelbst Offline
LVF-Guru
*****


Beiträge: 3.708
Registriert seit: Feb 2005

11, 14, 15, 17, 18
-
DE

97437
Deutschland
Problem mit plötzlich auftauchenden Nullen im Array
' schrieb:Habe ein Problem mit meinem Vi, es funktioniert einwandfrei bis am Ende die Arrays von den positiven und negativen Schritten oder den Bewegungen, plötzlich eine Null in den 2D Array eingibt obwohl diese in den Array 1D Arrays nicht auftauchen.
Die einzelnen Dimensionen eines mehrdimensionalen Arrays sind immer gleich lang.

Wenn du also verschieden lange "Anzahl Schritte" hast, wird das kürzere der beiden beim Zusammenfügen zu einen 2D-Array mit Nullen erweitert. Bei gleichlangen 1D-Array hast du ein Problem mit dem einen "Einfügen" außerhalb der For-Schleife.

Im übrigen solltest du mal deinen Code am Styleguide ausrichten.

Jeder, der zur wahren Erkenntnis hindurchdringen will, muss den Berg Schwierigkeit alleine erklimmen (Helen Keller).
Alle Beiträge dieses Benutzers finden
Diese Nachricht in einer Antwort zitieren to top
21.09.2007, 16:59 (Dieser Beitrag wurde zuletzt bearbeitet: 21.09.2007 17:00 von sascha.supreme.)
Beitrag #6

sascha.supreme Offline
LVF-Neueinsteiger


Beiträge: 7
Registriert seit: Aug 2007

8.2
2007
kA

47798
Deutschland
Problem mit plötzlich auftauchenden Nullen im Array
Wie kann ich das umgehen das der 2D Array mit Nullen aufgefüllt wird?
Möchte die enthaltenen werte des 2D für die Positionierung eines Schrittmotors in einer grossen Schleife auslesen den Punkt anfahren eine Messung durchführen und dann den nächsten Wert auslesen.
Was bedeutet Styleguide?
Alle Beiträge dieses Benutzers finden
Diese Nachricht in einer Antwort zitieren to top
Anzeige
21.09.2007, 17:13
Beitrag #7

IchSelbst Offline
LVF-Guru
*****


Beiträge: 3.708
Registriert seit: Feb 2005

11, 14, 15, 17, 18
-
DE

97437
Deutschland
Problem mit plötzlich auftauchenden Nullen im Array
' schrieb:ie kann ich das umgehen das der 2D Array mit Nullen aufgefüllt wird? Möchte die enthaltenen werte des 2D für die Positionierung eines Schrittmotors in einer grossen Schleife auslesen den Punkt anfahren eine Messung durchführen und dann den nächsten Wert auslesen.
Vor dem Zusammenfügen testen, dass beide 1D-Arrays gleich lang sind. Notfalls eines abschneiden. Was nützt dir eines der beiden länger, wenn ein Punkt herauskommen soll.

Zitat:Was bedeutet Styleguide?
Guckst die z.B. hier. In LV heißt das dann z.B. "Wires geht nicht kreuz und quer" etc.

Jeder, der zur wahren Erkenntnis hindurchdringen will, muss den Berg Schwierigkeit alleine erklimmen (Helen Keller).
Alle Beiträge dieses Benutzers finden
Diese Nachricht in einer Antwort zitieren to top
21.09.2007, 18:19
Beitrag #8

sascha.supreme Offline
LVF-Neueinsteiger


Beiträge: 7
Registriert seit: Aug 2007

8.2
2007
kA

47798
Deutschland
Problem mit plötzlich auftauchenden Nullen im Array
abschneiden würde mir ja nicht helfen dann gehen mir Werte verloren
Alle Beiträge dieses Benutzers finden
Diese Nachricht in einer Antwort zitieren to top
21.09.2007, 18:33
Beitrag #9

IchSelbst Offline
LVF-Guru
*****


Beiträge: 3.708
Registriert seit: Feb 2005

11, 14, 15, 17, 18
-
DE

97437
Deutschland
Problem mit plötzlich auftauchenden Nullen im Array
' schrieb:abschneiden würde mir ja nicht helfen dann gehen mir Werte verloren
Was willst du mit Werten, für die du keine korrespondierende Koordinate hast?

Wenn du das eine Array nicht beschneiden willst, dann erweitere halt das andere.

Jeder, der zur wahren Erkenntnis hindurchdringen will, muss den Berg Schwierigkeit alleine erklimmen (Helen Keller).
Alle Beiträge dieses Benutzers finden
Diese Nachricht in einer Antwort zitieren to top
21.09.2007, 20:14
Beitrag #10

jg Offline
CLA & CLED
LVF-Team

Beiträge: 15.864
Registriert seit: Jun 2005

20xx / 8.x
1999
EN

Franken...
Deutschland
Problem mit plötzlich auftauchenden Nullen im Array
Ich hoffe, das folgende ist dir inzwischen klar geworden:

   

Ein 2D-Array braucht NATÜRLICH in jedem seiner Elemente einen Wert. Sprich, wenn du wie oben gezeigt, ein 2-Elemente langes und ein 3-Elemente langes Array per Build-Array zu einem 2D-Array zusammenschliesst, muss da ein 3x2-Elemente großes Array rauskommen. Da kann dann nicht auf einmal die erste Zeile nur 2-Elemente lang sein. Und das ist jetzt sicher nichts LabVIEW-spezifisches.

MfG, Jens

Wer die erhabene Weisheit der Mathematik tadelt, nährt sich von Verwirrung. (Leonardo da Vinci)

!! BITTE !! stellt mir keine Fragen über PM, dafür ist das Forum da - andere haben vielleicht auch Interesse an der Antwort!

Einführende Links zu LabVIEW, s. GerdWs Signatur.
Alle Beiträge dieses Benutzers finden
Diese Nachricht in einer Antwort zitieren to top
30
Antwort schreiben 


Möglicherweise verwandte Themen...
Themen Verfasser Antworten Views Letzter Beitrag
  Email mit Anhang versenden funktioniert plötzlich nicht mehr jan91 1 3.205 05.03.2025 13:51
Letzter Beitrag: rolfk
  Konstantes Array mit 5000 Nullen behrangc 1 5.818 29.10.2019 01:09
Letzter Beitrag: GerdW
  Faltung mit Filterkernel -> Ränder nicht mit Nullen füllen thz89 2 4.918 06.10.2017 13:09
Letzter Beitrag: thz89
  Array Problem mmk1988 4 5.922 22.09.2017 12:52
Letzter Beitrag: Freddy
  Problem beim Array in Labview zu befüllen a.Jaou 4 6.002 13.09.2017 11:54
Letzter Beitrag: GerdW
  Nullen ergänzen Hasenfuss 8 7.851 10.04.2013 19:15
Letzter Beitrag: GerdW

Gehe zu: