INFO: Dieses Forum nutzt Cookies...
Cookies sind für den Betrieb des Forums unverzichtbar. Mit der Nutzung des Forums erklärst Du dich damit einverstanden, dass wir Cookies verwenden.

Es wird in jedem Fall ein Cookie gesetzt um diesen Hinweis nicht mehr zu erhalten. Desweiteren setzen wir Google Adsense und Google Analytics ein.


Antwort schreiben 

Bilden von Mittelwerten aus Arrays



Wenn dein Problem oder deine Frage geklärt worden ist, markiere den Beitrag als "Lösung",
indem du auf den "Lösung" Button rechts unter dem entsprechenden Beitrag klickst. Vielen Dank!

31.03.2006, 10:57
Beitrag #1

Citlab Offline
LVF-Grünschnabel
*


Beiträge: 34
Registriert seit: Mar 2006

LabView 8.2
2006
de

52066
Deutschland
Bilden von Mittelwerten aus Arrays
Hallo liebe LAB View Community,

vielleicht stell ich mich ja besonders blöd an....aber...
wie schaffe ich es aus einem Array mit 4 Spalten den Mittelwert zu bilden ?

Ich hab also in jeder Spalte 100 Werte und würde gerne aus diesen 4 Spalten ein Arry erzeugen mit einer Spalte die den Mittelwert der 4 Spalten beinhaltet.

Ich hab versucht hinter das Geheimnis von Shift Registern zu kommen.
Klappt aber nicht :-(

Vielleicht könnt ihr mir helfen.

Gruß

Citlab
Alle Beiträge dieses Benutzers finden
Diese Nachricht in einer Antwort zitieren to top
Anzeige
31.03.2006, 11:46
Beitrag #2

marker Offline
LVF-Gelegenheitsschreiber
**


Beiträge: 226
Registriert seit: Feb 2005

8.2.1
2002
kA


Deutschland
Bilden von Mittelwerten aus Arrays
Hallo Citlab,

hier mein Lösungsvorschlag.

Grüße,
Marko


Angehängte Datei(en) Thumbnail(s)
   

Sonstige .vi  Mittelwerte_ML.vi (Größe: 11,04 KB / Downloads: 245)

"Make it simple, make it strong!"
Alle Beiträge dieses Benutzers finden
Diese Nachricht in einer Antwort zitieren to top
31.03.2006, 12:22
Beitrag #3

Citlab Offline
LVF-Grünschnabel
*


Beiträge: 34
Registriert seit: Mar 2006

LabView 8.2
2006
de

52066
Deutschland
Bilden von Mittelwerten aus Arrays
Hallo Marko,

danke für Deinen Lösungsvorschlag...

allerdings hilft mir das nicht.
Da ich Lab View 7 hab konnte ich den Download leider nicht starten.

Ich hab ihn also nachgebaut und erhalte bei 5 Spalten Arrays eine Array mit einer Spalte und 5 Elemeten die allerdings alle Negativ sind und nicht dem Mittelwert entsprechen.

Möglicherweise ein Unterschied aufgrund unterschieldicher LAB View Versionen ?

Das was ich wollte ist....ein 5 Spalten Array zu einem 1 Spalten Array zusammenzufassen in dem genausoviele Elemete vorhaden sind wie in dem Ausgangsarray.....das den Mittelwert der 5 (oder mehr) Spalten beinhaltet.

Gruß

Citlab
Alle Beiträge dieses Benutzers finden
Diese Nachricht in einer Antwort zitieren to top
31.03.2006, 12:27
Beitrag #4

Svenni Offline
LVF-Gelegenheitsschreiber
**


Beiträge: 227
Registriert seit: Mar 2005

7.1, 8.0, 8.2, 8.21, 8.5, 8.6, 2009, 2010, 2011, 2012, 2013, 2014
2000
DE

23843
Deutschland
Bilden von Mittelwerten aus Arrays
Hallo,

die Idee von Marker ist schon recht gut.

Ich habe da noch eine Idee, die vielleicht ein wenig einfacher ist.

Viel Spaß damit!

Gruß
sven


Angehängte Datei(en) Thumbnail(s)
   
Alle Beiträge dieses Benutzers finden
Diese Nachricht in einer Antwort zitieren to top
31.03.2006, 12:42
Beitrag #5

Lucki Offline
Tech.Exp.2.Klasse
LVF-Team

Beiträge: 7.699
Registriert seit: Mar 2006

LV 2016-18 prof.
1995
DE

01108
Deutschland
Bilden von Mittelwerten aus Arrays
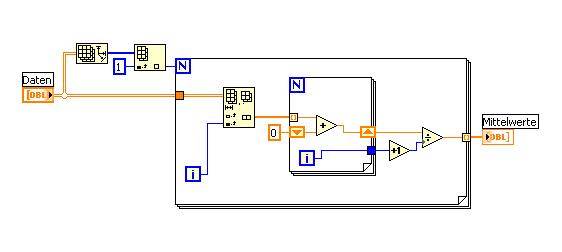
Siehe Programm.
Du siehst drei Programmvorschläge, geordnet von oben nach unten nach zunehmender Umständlichkeit. Der letzte Vorschlag ist mit Shiftregister, so wie Du es machen wolltest.


Angehängte Datei(en) Thumbnail(s)
   
Alle Beiträge dieses Benutzers finden
Diese Nachricht in einer Antwort zitieren to top
31.03.2006, 12:45
Beitrag #6

Citlab Offline
LVF-Grünschnabel
*


Beiträge: 34
Registriert seit: Mar 2006

LabView 8.2
2006
de

52066
Deutschland
Bilden von Mittelwerten aus Arrays
Auch hierfür Danke :-)

Allerdings....liefert mir das auch wieder nur 1ne Zahl....quasi den Mittelwert einer ganzen Spalte.

Vielleicht drück ich mich auch umständlich aus...
ich will nicht eine Spalte addieren und durch die Anzahl der Elemente teilen....sondern ich will mehrere Spalten addieren und durch die Anzahl der Spalten teilen :-)

Ich habe allerdings mittlerweile auch ne Lösung gefunden. Nach den Try and Error Prinzip *g*

Wenn mir jemand erklärt wie ich VIs Poste dann stell ich euch meine Lösung gerne mal hier rein.

Gruß

Citlab
Alle Beiträge dieses Benutzers finden
Diese Nachricht in einer Antwort zitieren to top
Anzeige
31.03.2006, 12:49
Beitrag #7

Svenni Offline
LVF-Gelegenheitsschreiber
**


Beiträge: 227
Registriert seit: Mar 2005

7.1, 8.0, 8.2, 8.21, 8.5, 8.6, 2009, 2010, 2011, 2012, 2013, 2014
2000
DE

23843
Deutschland
Bilden von Mittelwerten aus Arrays
Posten von VI's ist ganz einfach.

Du schreibst deinen Text und dann klickst du bei den Optionen auf "Attachment hinzufügen". Dann auf "Durchsuchen" und suchst dein VI. Dann das ganze "Absende".

Gruß
sven
Alle Beiträge dieses Benutzers finden
Diese Nachricht in einer Antwort zitieren to top
31.03.2006, 13:11
Beitrag #8

Citlab Offline
LVF-Grünschnabel
*


Beiträge: 34
Registriert seit: Mar 2006

LabView 8.2
2006
de

52066
Deutschland
Bilden von Mittelwerten aus Arrays
Was ich bisher nicht gewußt habe ist, daß man die Shift Register erst definieren muß.

Von daher die Spaltenlängen abhängigen Nullen mit denen ich das Shift Register definiere.

Sollte das Jemand einfacher können....

ich bin sehr aufgeschlossen für Anregungen :-)

Gruß

Citlab

PS.: Ich hoffe ich hab das VI richtig aus meinem Programm gerupft und es is soweit lauffähig *g*


Angehängte Datei(en) Thumbnail(s)
   
Alle Beiträge dieses Benutzers finden
Diese Nachricht in einer Antwort zitieren to top
31.03.2006, 13:38
Beitrag #9

cb Offline
LVF-SeniorMod


Beiträge: 1.734
Registriert seit: Feb 2006

2018SP1
2001
EN

40xxx
Deutschland
Bilden von Mittelwerten aus Arrays
also am einfachsten gehts so:


Angehängte Datei(en) Thumbnail(s)
   

https://www.rotabench.com - Prüftechnik für Elektromotoren
Webseite des Benutzers besuchen Alle Beiträge dieses Benutzers finden
Diese Nachricht in einer Antwort zitieren to top
31.03.2006, 13:38
Beitrag #10

Lucki Offline
Tech.Exp.2.Klasse
LVF-Team

Beiträge: 7.699
Registriert seit: Mar 2006

LV 2016-18 prof.
1995
DE

01108
Deutschland
Bilden von Mittelwerten aus Arrays
Zitat:Was ich bisher nicht gewußt habe ist, daß man die Shift Register erst definieren muß.
Du meinst sicher "Initialisieren", und in Deinem Falle muß man das. Nicht zu initialisieren ist aber auch eine wichtige Programmiertechnik. In diesen Fall merkt sich das Shiftregister seinen Wert bis zum erneuten Aufruf des VI Damit aber der Wert beim allerersten Aufruf nicht unbestimmt ist, muß man so ein VI beim allerersten Aufruf in der Regel gesondert behandeln.
Ludwig
Alle Beiträge dieses Benutzers finden
Diese Nachricht in einer Antwort zitieren to top
30
Antwort schreiben 


Möglicherweise verwandte Themen...
Themen Verfasser Antworten Views Letzter Beitrag
  Funktion aus 2 Arrays bilden und ableiten Otee 3 3.802 08.07.2021 09:33
Letzter Beitrag: GerdW
  Werte in Array schreiben- Mittelwert bilden und ausgeben um0k 10 10.823 25.08.2020 14:19
Letzter Beitrag: GerdW
  Messdaten erfassen und daraus Mittelwert bilden ARaj 13 13.171 12.10.2015 13:58
Letzter Beitrag: ARaj
  Mittelwert bilden sashaheisen 13 13.497 17.05.2015 14:15
Letzter Beitrag: sashaheisen
  Auswahl eines Arrays anhand des Wertes eines zweiten Arrays treffen alan 2 5.369 19.02.2015 16:12
Letzter Beitrag: alan
  Werte sammeln und Mittelwert bilden tom102 9 23.322 20.01.2015 17:05
Letzter Beitrag: GerdW

Gehe zu: