INFO: Dieses Forum nutzt Cookies...
Cookies sind für den Betrieb des Forums unverzichtbar. Mit der Nutzung des Forums erklärst Du dich damit einverstanden, dass wir Cookies verwenden.

Es wird in jedem Fall ein Cookie gesetzt um diesen Hinweis nicht mehr zu erhalten. Desweiteren setzen wir Google Adsense und Google Analytics ein.


Antwort schreiben 

Connection to LVRT-Target lost



Wenn dein Problem oder deine Frage geklärt worden ist, markiere den Beitrag als "Lösung",
indem du auf den "Lösung" Button rechts unter dem entsprechenden Beitrag klickst. Vielen Dank!

28.07.2010, 10:28
Beitrag #1

bsun Offline
LVF-Neueinsteiger


Beiträge: 9
Registriert seit: Jul 2010

9.0.1
2010
de_en


Deutschland
Connection to LVRT-Target lost
Hallo liebes LW-Forum,

Vorab-Infos:
Ich mache gerade ein Praktikum in einem Betrieb und arbeite an einer Steuerung eines Roboters mit Labview.
Ich habe einen Sensor am Roboter, der mir aktuelle Daten von Kräften und Momenten liefert.
Diese Daten sollen dann von mir für verschiedene Dinge weiterverarbeitet werden.

Die Sensordaten werden an einen Echtzeitrechner geschickt und dieser ist mit einem Windowsrechner verbunden.

Ich habe nun folgendes Problem:
Immer wenn ich den Realtime Target laufen lasse(um anscheinend die Sensordaten in Echtzeit zu bekommen) und dann mein Vi laufen lasse, kommt nach einigen Sekunden folgende Meldung:

   

Die Daten, die ich meine, sind im Array RT_Sensor_Array_net zu sehen.
Sie vaariieren und bleiben dann nach einpaar Sekunden stehen, danach kommt diese Meldung.

Mein Praktikumsbetreuer, der mich dazu anregen will, Probleme selbst zu lösen(Foren/Internet/Manuals), da ich später im Berufsleben auch niemanden haben werde, der direkt hilft, hat angedeutet, dass das eventuell mit einer zu großen Datenmenge zu tun hätte und mit lokalen Variablen(Echtzeitprogrammierung) vielleicht lösbar wäre.


Also wäre schon froh, wenn mir jemand sagt, ich was ich mich einlesen muß, damit ich ein bisschen besser auskenne in der Thematik.
Natürlich wäre ich über eine direkte Lösung meines Problems sehr efreut.


Fall meine Erklärungen nicht genau genug sind, dann möchte ich dies entschuldigen.
Es ist nicht einfach, etwas zu erklären, was man nicht genau versteht.
Vielleicht wirds ja klarer, wenn sich das hier vertieft.


Und falls der Thread im falschen Bereich eröffnet wurde, bitte ich die Admins diesen zu verschieben.
Alle Beiträge dieses Benutzers finden
Diese Nachricht in einer Antwort zitieren to top
Anzeige
28.07.2010, 13:40
Beitrag #2

dlambert Offline
LVF-Gelegenheitsschreiber
**


Beiträge: 89
Registriert seit: May 2009

2010
2007
en

12359
Deutschland
Connection to LVRT-Target lost
Vermutlich läuft Dein RT Target mit 100% CPU Last. Dann reisst ziemlich bald die Kommunikation ab. Falls Du untimed Loops (while) im Programm hast, setze einen Looptimer ein um die Last zu senken.
Die CPU Last des RT Targets kannst Du mit dem DistributedSystemManager oder beim DesktopRT auch direkt am VGA Screen monitoren.

Hope it helps
Christian
Alle Beiträge dieses Benutzers finden
Diese Nachricht in einer Antwort zitieren to top
29.07.2010, 14:02
Beitrag #3

bsun Offline
LVF-Neueinsteiger


Beiträge: 9
Registriert seit: Jul 2010

9.0.1
2010
de_en


Deutschland
Connection to LVRT-Target lost
' schrieb:Vermutlich läuft Dein RT Target mit 100% CPU Last. Dann reisst ziemlich bald die Kommunikation ab. Falls Du untimed Loops (while) im Programm hast, setze einen Looptimer ein um die Last zu senken.
Erstmal danke für die Antwort.
Ich habe keine untimed Loops in meinem VI.Nur ForLoops.
Ich hänge mal meine Programme an und erkläre sie mal etwas genauer:

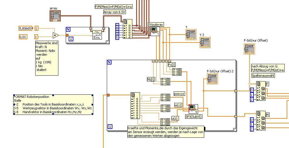
Grundsätzlich möchte ich nämlich den Richtungsvektor zum Schwerpunkt eines Führungsgriffs eines Roboters bestimmen.
Dazu brauche ich RoboterPositionswerte(pos,w(werkzeugvektor,u(Handvektor)) und
die Sensorwerte der Kräfte und Momente die auf den Griff wirken.
siehe 1. Bild.
   
Diese Werte werden, wie man sieht in mein VI(Messwert_OffsetF+M.vi) gespeist.

Die Idee war nämlich folgende:
Ich variiere die Position des Roboterarms, bis ich anhand der Sensorwerte(siehe RT_Sensor_Array_net im meinem 1.Post) die maximalen Kräfte und Momente erkenne.
Den wenn der Schwerpunktsvektor direkt nach unten zeigt, sind die Kräfte maximal, da neben dem Offset auf die Gewichtskraft auf den Sensor wirkt.

Habe ich diese Postion gefunden kommt folgendes Programm im Messwert_OffsetF+M.vi:
   

Ich benutze hier die Rob.Postionswerte an dieser bestimmten Position um den Schwerpunktvektor zu berechnen.
wie man sieht ohne Loops.


Klar ist das nicht die Ganze VI(Messwert_OffsetF+M.vi).
Die SensorWerte, die ich darein schicke verwende ich auch für andere Probleme:
   

Aber das hat nicht direkt mit meinem Problem zu tun oder?
weil auch hier sind keine Whileschleifen.

Wie gesagt, brauche ich EchtzeitSensorwerte, um das Maximum zu erkennen->Robpositionswerte->SP-Bestimmung.
Nur stoppt das Ganze immer nach einpaar Sekunden.

danke und grüsse
Alle Beiträge dieses Benutzers finden
Diese Nachricht in einer Antwort zitieren to top
29.07.2010, 14:36
Beitrag #4

dlambert Offline
LVF-Gelegenheitsschreiber
**


Beiträge: 89
Registriert seit: May 2009

2010
2007
en

12359
Deutschland
Connection to LVRT-Target lost
Sei doch so gut und schau die paar Sekunden bis zum Kommunikationsabbruch auf die CPU Last. Das sollte Gewissheit über die Art des Fehlers geben.
Alle Beiträge dieses Benutzers finden
Diese Nachricht in einer Antwort zitieren to top
29.07.2010, 14:48 (Dieser Beitrag wurde zuletzt bearbeitet: 29.07.2010 15:05 von bsun.)
Beitrag #5

bsun Offline
LVF-Neueinsteiger


Beiträge: 9
Registriert seit: Jul 2010

9.0.1
2010
de_en


Deutschland
Connection to LVRT-Target lost
' schrieb:Die CPU Last des RT Targets kannst Du mit dem DistributedSystemManager oder beim DesktopRT auch direkt am VGA Screen monitoren.

wenn du mir sagst, wie das genau geht, gerne.


Edit:
hab den DSM gefunden:
   

Clift ist mein Host-Rechner.
Und nun?
Alle Beiträge dieses Benutzers finden
Diese Nachricht in einer Antwort zitieren to top
29.07.2010, 16:37
Beitrag #6

dlambert Offline
LVF-Gelegenheitsschreiber
**


Beiträge: 89
Registriert seit: May 2009

2010
2007
en

12359
Deutschland
Connection to LVRT-Target lost
Nun siehst Du dass sowohl auf dem Target als auch auf dem Host eine Shared Variable Engine läuft und beide auch noch die gleichen Prozesse halten. Entscheide Dich für eine von beiden. Ich würde sagen der Host ist performanter. Das machst Du indem Du nur ein *.lvlib File in deinem Projekt hälst und zusätzlich die SVE per Softwaresetup aus deinem RT Target löschst.

Um die CPU Daten im DSM zu sehen, muss ( glaube ich ) auf dem Target der SystemStatePublisher installiert sein. Also den ggfls nachinstallieren. Dann kannst Du den System Prozess öffnen und die CPU monitoren.

Bis morgen dann !
Gruß
Christian
Alle Beiträge dieses Benutzers finden
Diese Nachricht in einer Antwort zitieren to top
Anzeige
30.07.2010, 10:03
Beitrag #7

bsun Offline
LVF-Neueinsteiger


Beiträge: 9
Registriert seit: Jul 2010

9.0.1
2010
de_en


Deutschland
Connection to LVRT-Target lost
' schrieb:Nun siehst Du dass sowohl auf dem Target als auch auf dem Host eine Shared Variable Engine läuft und beide auch noch die gleichen Prozesse halten.
Also der localhost ist wohl mein Target.

' schrieb:Entscheide Dich für eine von beiden. Ich würde sagen der Host ist performanter. Das machst Du indem Du nur ein *.lvlib File in deinem Projekt hälst und zusätzlich die SVE per Softwaresetup aus deinem RT Target löschst.
1.meints du mit .lvlib File diese 6 unbenannten Bibliotheks-Prozesse ? Und ich soll 5 löschen und nur einen behalten?
2.ich soll alle Prozesse im localhost(RT Target) löschen?
per Softwaresetup?wie das?

du siehst,ich kenn mich mit solchen Geschichten überhaupt nicht aus.


' schrieb:Um die CPU Daten im DSM zu sehen, muss ( glaube ich ) auf dem Target der SystemStatePublisher installiert sein. Also den ggfls nachinstallieren. Dann kannst Du den System Prozess öffnen und die CPU monitoren.
ich darf nichts neues installieren.
Alle Beiträge dieses Benutzers finden
Diese Nachricht in einer Antwort zitieren to top
30.07.2010, 13:43
Beitrag #8

dlambert Offline
LVF-Gelegenheitsschreiber
**


Beiträge: 89
Registriert seit: May 2009

2010
2007
en

12359
Deutschland
Connection to LVRT-Target lost
Wenn Du den DSM auf Deinem Rechner startest ist localhost Dein Rechner. Clift befindet sich im Netzwerk und sollte Dein RT Target sein.

Clift ist in der Lage Variablen zu hosten und hat demzufolge eine aktive Shared Variable Engine installiert. Die würde ich nicht nutzen. Daher meine Empfehlung lösche alle Prozesse ( System ist default) über den DSM und entferne die *.lvlib Files welche unter dem RT Target stehen aus Deinem LV Projekt ( sonst werden die beim Neustart der RT VI's wieder deployed ). Du kannst Die Files auch einfach per Drag und Drop auf den Hostbereich des Projektes ziehen, eben nur weg vom RT.
Nachdem Du die Prozesse der RT SVE entfernt hast, wirst Du sehen ob Dein Projekt diverse Fehler anzeigt, weil u.U Deine VI's mal die Prozesse auf der einen und mal auf der anderen SVE ansprechen ( nur eine Vermutung ).
Wenn dann sicher gestellt ist, dass Host und Target über die gleichen Variablen kommunizieren bist Du ein gutes Stück weiter.


Wenn Du unter System keine weitere Anzeige hast fehlt Dir wahrscheinlich der SystemState Publisher. Softwarekomponenten kannst Du per MAX auf dem Target nach- oder neuinstallieren. Auf Deinem PC ändert sich dabei garnichts. Also nix Verbot !

Schönes WE
Christian
Alle Beiträge dieses Benutzers finden
Diese Nachricht in einer Antwort zitieren to top
05.08.2010, 09:26 (Dieser Beitrag wurde zuletzt bearbeitet: 05.08.2010 09:40 von bsun.)
Beitrag #9

bsun Offline
LVF-Neueinsteiger


Beiträge: 9
Registriert seit: Jul 2010

9.0.1
2010
de_en


Deutschland
Connection to LVRT-Target lost
hier bin ich wieder.

' schrieb:Nachdem Du die Prozesse der RT SVE entfernt hast, wirst Du sehen ob Dein Projekt diverse Fehler anzeigt, weil u.U Deine VI's mal die Prozesse auf der einen und mal auf der anderen SVE ansprechen ( nur eine Vermutung ).
Wenn dann sicher gestellt ist, dass Host und Target über die gleichen Variablen kommunizieren bist Du ein gutes Stück weiter.


A)Ich werde mal die 6 unbenannten Bibliotheks-Prozesse im Clift anhalten(das verstehe ich nämlich unter "die Prozesse der RT SVE entfernen"):
   

Kann man das rückgängig machen, falls es falsch war diese zu stoppen?


B)noch was:
' schrieb:Dein Projekt diverse Fehler anzeigt, weil u.U Deine VI's mal die Prozesse auf der einen und mal auf der anderen SVE ansprechen ( nur eine Vermutung ).
sprichst du hier die Front Panel Communication an, wo LW und RTEngine aufs gleiche VI zugreifen?


C)
Ich habe im Labview Realtime Manual von NI folgendes gefunden, was im einigermaßen(fett markiert) meinem Problem ähnelt. könnte das was damit zu tun haben?:

Running a VI at Time-Critical Priority in the RT Development System

If you run a time-critical priority VI that does not wait, it monopolizes the
processor on the target platform. Running VIs that do not wait can prevent
you from interacting with the VI front panel and prevent you fromstopping
the VI using the Abort button. Although not a problem with the VI or
LabVIEW RT, this expected behavior means that the target platform is too
busy to communicate with the RT Development System while the
time-critical VI is running. Because the time-critical loop has the highest
priority and does not wait, the user interface thread that updates front panel
objects cannot use any processor time. As a result, the front panel of the VI
appears locked even though the VI is still running. The RT Development
System displays a dialog box that informs you communication between the
RT Development System and the RT Engine has been lost. Click Abort to
close the RT Development System. You must reset the RT Engine before
communication can be re-established.
To avoid this behavior during
development and testing of your VI, set the VI to normal priority. After you
complete development, you can set the priority to the appropriate level.
Alle Beiträge dieses Benutzers finden
Diese Nachricht in einer Antwort zitieren to top
05.08.2010, 12:10 (Dieser Beitrag wurde zuletzt bearbeitet: 05.08.2010 12:10 von bsun.)
Beitrag #10

bsun Offline
LVF-Neueinsteiger


Beiträge: 9
Registriert seit: Jul 2010

9.0.1
2010
de_en


Deutschland
Connection to LVRT-Target lost
kann mir einer wenigstens einpaar links(bitte deutsch) zu dem Thema geben oder mir verraten in welcher Richtung ich mich einlesen muss?
Ich habe nur einpaar manuals gelesen und nur dieses Forum als Hilfe.

danke
Alle Beiträge dieses Benutzers finden
Diese Nachricht in einer Antwort zitieren to top
30
Antwort schreiben 


Möglicherweise verwandte Themen...
Themen Verfasser Antworten Views Letzter Beitrag
  Custom Error Codes auf RT Target kwakz 0 10.021 23.04.2019 14:51
Letzter Beitrag: kwakz
Exclamation Kommunikation System und RT Target, Netzwerkvariablen, RT Target, Build Spezifikation m1chele 1 8.314 18.09.2012 17:52
Letzter Beitrag: m1chele
  States RT target übergeben Vrijdag 7 9.879 12.04.2012 11:45
Letzter Beitrag: Vrijdag
  Kommunikation zwischen RT-Target und Host-PC Cillinar 0 8.324 10.11.2011 10:29
Letzter Beitrag: Cillinar
  RT Target Simulation olum 2 8.046 26.09.2011 08:40
Letzter Beitrag: olum
  LV Versionen von Host und Target Q3ST 1 5.721 19.06.2008 15:36
Letzter Beitrag: thomas.sandrisser

Gehe zu: