INFO: Dieses Forum nutzt Cookies...
Cookies sind für den Betrieb des Forums unverzichtbar. Mit der Nutzung des Forums erklärst Du dich damit einverstanden, dass wir Cookies verwenden.

Es wird in jedem Fall ein Cookie gesetzt um diesen Hinweis nicht mehr zu erhalten. Desweiteren setzen wir Google Adsense und Google Analytics ein.


Antwort schreiben 

Dieses Thema hat akzeptierte Lösungen:

Prüfen ob am Com-Port was eingestellt wurde



Wenn dein Problem oder deine Frage geklärt worden ist, markiere den Beitrag als "Lösung",
indem du auf den "Lösung" Button rechts unter dem entsprechenden Beitrag klickst. Vielen Dank!

25.01.2013, 08:34
Beitrag #1

arphex Offline
Lab_Net
**


Beiträge: 52
Registriert seit: Jun 2011

NI Dev Suite /LV Prof. 2013 /TS2013_6.1 /Vision 2013
2011
DE

8****
Deutschland
Prüfen ob am Com-Port was eingestellt wurde
Hallo zusammmen,

ich würde gerne prüfen ob der Benutzer einen Com-Port am Frontpanel ausgewählt hat
und gegebenenfalls ein Fenster (Dialogfeld mit schaltfläche) öffnen.
   
Ich habe es mit Serial-Instr --> Bytes at Port (Property Node) probiert, kam aber zu keinem Ergebnis.

hat jemand nen Tipp?

Gruß
Alle Beiträge dieses Benutzers finden
Diese Nachricht in einer Antwort zitieren to top
Anzeige
25.01.2013, 09:07
Beitrag #2

arphex Offline
Lab_Net
**


Beiträge: 52
Registriert seit: Jun 2011

NI Dev Suite /LV Prof. 2013 /TS2013_6.1 /Vision 2013
2011
DE

8****
Deutschland
RE: Prüfen ob am Com-Port was eingestellt wurde
bitte in die passende kategorie verschieben - leider zu spät gesehen.
Alle Beiträge dieses Benutzers finden
Diese Nachricht in einer Antwort zitieren to top
25.01.2013, 09:08
Beitrag #3

GerdW Offline
______________
LVF-Team

Beiträge: 17.540
Registriert seit: May 2009

LV2019 (LV2021)
1995
DE_EN

10×××
Deutschland
RE: Prüfen ob am Com-Port was eingestellt wurde
Hallo arphex,

was spricht gegen den Einsatz einer Event-Struktur?
   
Mit der Funktion "VISA: Resourcen suchen" kannst du eine Liste der vorhandenen seriellen Ports abfragen und prüfen, ob der User einen dieser Ports gewählt hat...

Alle Beiträge dieses Benutzers finden
Diese Nachricht in einer Antwort zitieren to top
25.01.2013, 10:14 (Dieser Beitrag wurde zuletzt bearbeitet: 25.01.2013 10:21 von arphex.)
Beitrag #4

arphex Offline
Lab_Net
**


Beiträge: 52
Registriert seit: Jun 2011

NI Dev Suite /LV Prof. 2013 /TS2013_6.1 /Vision 2013
2011
DE

8****
Deutschland
RE: Prüfen ob am Com-Port was eingestellt wurde
Hi Gerd, Danke erstmal.
Ich verstehe leider nicht, wie ich die Funktion "VISA: Resourcen suchen" korrekt einsetze.

Zur Verfügung steht mir, von der Auswahl Ressourcenname eine Referenz. Und die genannte Funtion erwartet ganz andere Eingaben....

edit:

ASRL[0-9]*::?*INSTR ist also für für den Eingabe-Ausdruck "?" zu verstehen... jedoch wie bringe ich das irgendwie in eine fachliche / technische Logik?
Alle Beiträge dieses Benutzers finden
Diese Nachricht in einer Antwort zitieren to top
25.01.2013, 10:27
Beitrag #5

GerdW Offline
______________
LVF-Team

Beiträge: 17.540
Registriert seit: May 2009

LV2019 (LV2021)
1995
DE_EN

10×××
Deutschland
RE: Prüfen ob am Com-Port was eingestellt wurde
Hallo arphex,

so nutze ich sie:
   
Du bekommst eine Liste von vorhandenen COM-Ports geliefert und kannst damit abgleichen, was der User ausgewählt hat...

Allerdings würde ich dem User nie eine VISA-Resource zur Auswahl geben, sondern ihn immer aus den vorhandenen COM-Ports (s.o.) per Ring oder Listbox wählen lassen...

Alle Beiträge dieses Benutzers finden
Diese Nachricht in einer Antwort zitieren to top
25.01.2013, 11:17
Beitrag #6

arphex Offline
Lab_Net
**


Beiträge: 52
Registriert seit: Jun 2011

NI Dev Suite /LV Prof. 2013 /TS2013_6.1 /Vision 2013
2011
DE

8****
Deutschland
RE: Prüfen ob am Com-Port was eingestellt wurde
schaut vielversprechend aus, wärst du bereit mir diesen Abschnitt als Sub-VI als Attachement hier im Thread anzuhängen`?
Könnte mir vorstellen das auch andere davon profitieren könnten.

Vielen Dank
Alle Beiträge dieses Benutzers finden
Diese Nachricht in einer Antwort zitieren to top
Anzeige
25.01.2013, 11:20
Beitrag #7

GerdW Offline
______________
LVF-Team

Beiträge: 17.540
Registriert seit: May 2009

LV2019 (LV2021)
1995
DE_EN

10×××
Deutschland
RE: Prüfen ob am Com-Port was eingestellt wurde
Hallo arphex,

bitte.


Angehängte Datei(en)
9.0 .vi  Scan COM Ports.vi (Größe: 28,4 KB / Downloads: 419)

Alle Beiträge dieses Benutzers finden
Diese Nachricht in einer Antwort zitieren to top
25.01.2013, 12:09
Beitrag #8

arphex Offline
Lab_Net
**


Beiträge: 52
Registriert seit: Jun 2011

NI Dev Suite /LV Prof. 2013 /TS2013_6.1 /Vision 2013
2011
DE

8****
Deutschland
RE: Prüfen ob am Com-Port was eingestellt wurde
Hi gerd,

Wow, danke dir! :-)
wenn ich das als SubVI nutzen möchte, wie bringe ich denn einen Anschluss an das HauptVI?

Korrigiere mich bitte, eine Auswahl in meiner GUI, welcher COM-Port benutzt werden soll habe ich ich durch das COM ports - Array nun nicht mehr?
Alle Beiträge dieses Benutzers finden
Diese Nachricht in einer Antwort zitieren to top
25.01.2013, 12:26
Beitrag #9

GerdW Offline
______________
LVF-Team

Beiträge: 17.540
Registriert seit: May 2009

LV2019 (LV2021)
1995
DE_EN

10×××
Deutschland
RE: Prüfen ob am Com-Port was eingestellt wurde
Hallo arphex,

dieses VI liefert dir eine Liste der verfügbaren COM-Ports, nicht mehr und nicht weniger.

- Mit dieser Liste (Array) könntest du z.B. einen Ring (oder eine Listbox) befüllen, mit dem der User dann einen Port auswählt.
- Oder es ist nur ein Port vorhanden, dann braucht der User nichts auswählen...
- Oder es ist kein Port vorhanden, dann kannst du gleich eine Fehlermeldung ausgeben...

Die Präsentation auf dem UI ist deine Aufgabe!

Alle Beiträge dieses Benutzers finden
Diese Nachricht in einer Antwort zitieren to top
25.01.2013, 12:56 (Dieser Beitrag wurde zuletzt bearbeitet: 25.01.2013 12:57 von arphex.)
Beitrag #10

arphex Offline
Lab_Net
**


Beiträge: 52
Registriert seit: Jun 2011

NI Dev Suite /LV Prof. 2013 /TS2013_6.1 /Vision 2013
2011
DE

8****
Deutschland
RE: Prüfen ob am Com-Port was eingestellt wurde
Hi Gerd,
danke dir schaut bis jetzt gut aus.

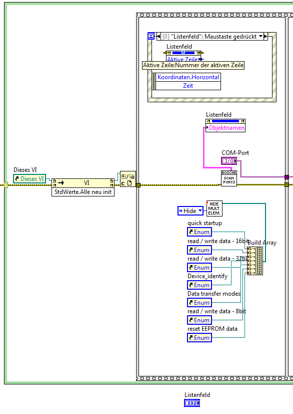
Ich habe einen Eigenschaftsknoten auf das Listenfeld erstellt und Objektnamen werden von deinem Array eingetragen
Nun würde ich gerne noch die markierte Zeile auswählen und als VISA-Referenz übergeben....
Gehört also noch zu dem Thread-Titel.Wink

aber wie bekomme ich jetzt statt der COM-Port auswahl Aus dem Listenfeld den Eintrag auf die Referenz Linie.

Habe dazu diesen Thread: http://www.labviewforum.de/Thread-In-Lis...-markieren
durchgeschaut, einerseits zu kompliziert da mehrspaltig und andererseits bekomm ich da nicht den Inhalt - in meinem Fall referenz.

Ich denke jetzt wirds langsam ein ganz schöner Challenge Smile

   
Alle Beiträge dieses Benutzers finden
Diese Nachricht in einer Antwort zitieren to top
Antwort schreiben 


Möglicherweise verwandte Themen...
Themen Verfasser Antworten Views Letzter Beitrag
  Prüfen ob Excel Zelle durchgestrichen ist Abrow 2 3.158 21.07.2025 11:35
Letzter Beitrag: Abrow
  LabVIEW NXG wird eingestellt... jg 9 21.538 05.03.2023 15:02
Letzter Beitrag: cb
  Array auf Doppelwerte prüfen und bestimmte dabei ignorieren sara2211 4 6.661 14.01.2017 13:13
Letzter Beitrag: sara2211
  Tool - LVLIB private/public automatisch prüfen achim @ FZK 1 4.584 08.07.2014 11:44
Letzter Beitrag: macmarvin
  Abfrage der Inkrement/Dekrementbuttons eines Zahlenfeldes, ob Wert geändert wurde? Alpenpower 1 4.186 31.03.2014 15:01
Letzter Beitrag: GerdW
  Prüfen ob Fenster/VI in Windows aktiv ist ipasuser 3 6.624 28.02.2012 09:33
Letzter Beitrag: ipasuser

Gehe zu: