INFO: Dieses Forum nutzt Cookies...
Cookies sind für den Betrieb des Forums unverzichtbar. Mit der Nutzung des Forums erklärst Du dich damit einverstanden, dass wir Cookies verwenden.

Es wird in jedem Fall ein Cookie gesetzt um diesen Hinweis nicht mehr zu erhalten. Desweiteren setzen wir Google Adsense und Google Analytics ein.


Antwort schreiben 

Größer, Kleiner UND Gleich



Wenn dein Problem oder deine Frage geklärt worden ist, markiere den Beitrag als "Lösung",
indem du auf den "Lösung" Button rechts unter dem entsprechenden Beitrag klickst. Vielen Dank!

06.07.2015, 10:05 (Dieser Beitrag wurde zuletzt bearbeitet: 06.07.2015 10:08 von jan_1.)
Beitrag #1

jan_1 Offline
LVF-Grünschnabel
*


Beiträge: 46
Registriert seit: Jul 2015

2016
2014
DE


Deutschland
Größer, Kleiner UND Gleich
Hallo zusammen,

ich beschäftige mich seit gestern mit LabView und hangel mich da an ein paar Übungsaufgaben entlang, die leider ohne Lösungen sind Sad

Ich gebe immer 2 Zufallszahlen aus, vergleiche sie und wenn die erste Zahl größer ist bekommt Nr. 1 einen Punkt und wenn die zweite größer ist bekommen Nr. 2 einen Punkt. Das funktioniert auch soweit. Jezt möchte ich aber noch für den Fall, dass beide gleich sind einen Punkt oder eine aufleuchtende Lampe bei unentschieden geben. Jetzt stellt sich mir die Frage, wie ich beim Vergleichen, wo ja nur false oder true rauskommen kann, einen dritten Fall eintreten lassen kann...

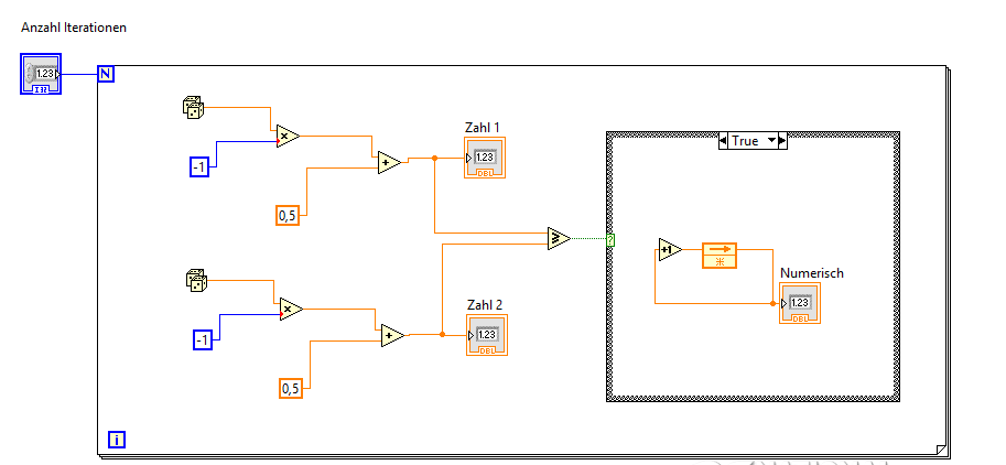
Zum Verständnis der Berechnung: Es sollen Zahlen zwischen -0,5 und +0,5 generiert und dann verglichen werden.

Das hier habe ich soweit:


Angehängte Datei(en) Thumbnail(s)
   
Alle Beiträge dieses Benutzers finden
Diese Nachricht in einer Antwort zitieren to top
Anzeige
06.07.2015, 10:14 (Dieser Beitrag wurde zuletzt bearbeitet: 06.07.2015 10:20 von jg.)
Beitrag #2

jg Offline
CLA & CLED
LVF-Team

Beiträge: 15.864
Registriert seit: Jun 2005

20xx / 8.x
1999
EN

Franken...
Deutschland
RE: Größer, Kleiner UND Gleich

Akzeptierte Lösung

Pseudo-Code
Code:
IF a > b THEN
   INCREASE groesser
ELSE
   IF a < b
      INCREASE kleiner
   ELSE
      INCREASE gleich
Gruß, Jens

EDIT: Der Fall "=" wird aber, solange du nicht rundest, (so gut wie) nie auftreten.

Wer die erhabene Weisheit der Mathematik tadelt, nährt sich von Verwirrung. (Leonardo da Vinci)

!! BITTE !! stellt mir keine Fragen über PM, dafür ist das Forum da - andere haben vielleicht auch Interesse an der Antwort!

Einführende Links zu LabVIEW, s. GerdWs Signatur.
Alle Beiträge dieses Benutzers finden
Diese Nachricht in einer Antwort zitieren to top
06.07.2015, 10:22
Beitrag #3

jan_1 Offline
LVF-Grünschnabel
*


Beiträge: 46
Registriert seit: Jul 2015

2016
2014
DE


Deutschland
RE: Größer, Kleiner UND Gleich
also den Code kann ich nachvollziehen, aber wo kann ich den denn einfügen? Bzw. wie kann ich allgemein LabView mit Code füttern? Ich benutze bisher nur die Symbole
Alle Beiträge dieses Benutzers finden
Diese Nachricht in einer Antwort zitieren to top
06.07.2015, 10:32
Beitrag #4

jg Offline
CLA & CLED
LVF-Team

Beiträge: 15.864
Registriert seit: Jun 2005

20xx / 8.x
1999
EN

Franken...
Deutschland
RE: Größer, Kleiner UND Gleich

Akzeptierte Lösung

IF - THEN - ELSE in LabVIEW ist eine CASE-Struktur.
Wie du sieht, habe ich im ELSE-Fall der ersten CASE-Struktur eine zweite IF-THEN-ELSE platziert.
So, jetzt nachprogrammieren!

Gruß, Jens

Wer die erhabene Weisheit der Mathematik tadelt, nährt sich von Verwirrung. (Leonardo da Vinci)

!! BITTE !! stellt mir keine Fragen über PM, dafür ist das Forum da - andere haben vielleicht auch Interesse an der Antwort!

Einführende Links zu LabVIEW, s. GerdWs Signatur.
Alle Beiträge dieses Benutzers finden
Diese Nachricht in einer Antwort zitieren to top
06.07.2015, 10:56 (Dieser Beitrag wurde zuletzt bearbeitet: 06.07.2015 10:57 von jan_1.)
Beitrag #5

jan_1 Offline
LVF-Grünschnabel
*


Beiträge: 46
Registriert seit: Jul 2015

2016
2014
DE


Deutschland
RE: Größer, Kleiner UND Gleich
ah ok, ein case im case also Smile

habe das jetzt so gelöst:


und ich habe mal auf ganze Zahlen gerundet, damit Unentschieden auch mal eintrifft Smile


Angehängte Datei(en) Thumbnail(s)
   
Alle Beiträge dieses Benutzers finden
Diese Nachricht in einer Antwort zitieren to top
06.07.2015, 11:38
Beitrag #6

GerdW Offline
______________
LVF-Team

Beiträge: 17.529
Registriert seit: May 2009

LV2019 (LV2021)
1995
DE_EN

10×××
Deutschland
RE: Größer, Kleiner UND Gleich
Hallo jan,

wenn du auf ">=" und "<=" prüfst, dann sieht das irgendwie nicht korrekt aus…

Alle Beiträge dieses Benutzers finden
Diese Nachricht in einer Antwort zitieren to top
Anzeige
06.07.2015, 11:48
Beitrag #7

jan_1 Offline
LVF-Grünschnabel
*


Beiträge: 46
Registriert seit: Jul 2015

2016
2014
DE


Deutschland
RE: Größer, Kleiner UND Gleich
ich glaube auch, dass es eleganter und einfacher geht, aber ich habe ein paar Testdurchläufe gemacht und es funktioniert. Aber die Hauptsache ist, dass ich es kapiere und einen ordentlichen Einstieg in den Umgang mit LabView finde Smile
Alle Beiträge dieses Benutzers finden
Diese Nachricht in einer Antwort zitieren to top
06.07.2015, 11:51
Beitrag #8

Kiesch Offline
LVF-Stammgast
***


Beiträge: 427
Registriert seit: Mar 2009

2019, 2018, 2016
2009
DE

04519
Deutschland
RE: Größer, Kleiner UND Gleich
(06.07.2015 11:38 )GerdW schrieb:  Hallo jan,

wenn du auf ">=" und "<=" prüfst, dann sieht das irgendwie nicht korrekt aus…

Doch. Zumindest soweit dargestellt. Der gezeigte Fall TRUE TRUE tritt ja nur auf, wenn die Zahlen gleich sind und dann wird "gleich" erhöht. Im FALSE (innen) sollte entsprechend "größer" erhöht werden, im FALSE (aussen) "kleiner" (und nen FALSE FALSE gibts ja nicht ^^). Leider sieht man nur die anderen beiden cases nicht.

Was allerdings eventuell noch Fehlt ist eine Initialisierung des Rückkopplungsknotens auf 0 (bei Programstart; es sei denn es soll wirklich von "irgendwas" weitergezählt werden) sowie eine Änderung des Datentyps auf nen Integer (I32 oder so), da das sauberer aussieht (die Werte von "gleich" "größer" und "kleiner" können ja nur integers sein).

Gruß Kiesch

Zitat:Märchen und Geschichten werden erzählt am Lagerfeuer, technischen Fakten werden mitgeteilt (oder so). (Genauso wie Software nicht auf einem Server "herumliegt", die ist dort installiert.)
*Zitat: IchSelbst*
Alle Beiträge dieses Benutzers finden
Diese Nachricht in einer Antwort zitieren to top
06.07.2015, 11:57
Beitrag #9

GerdW Offline
______________
LVF-Team

Beiträge: 17.529
Registriert seit: May 2009

LV2019 (LV2021)
1995
DE_EN

10×××
Deutschland
RE: Größer, Kleiner UND Gleich
Hallo Kiesch,

soweit korrekt.

Wenn man aber schon bei solch simplen Vergleichen nicht auf Eineindeutigkeit achtet, wird man sich später wohl über Probleme in der Programmlogik wundern! Und das Gegenteil von "<=" ist nunmal ">"…

Alle Beiträge dieses Benutzers finden
Diese Nachricht in einer Antwort zitieren to top
07.07.2015, 10:36
Beitrag #10

THL Offline
LVF-Gelegenheitsschreiber
**


Beiträge: 111
Registriert seit: May 2011

2012
2009
EN


Deutschland
RE: Größer, Kleiner UND Gleich
Alternativer Vorschlag (wenn man kein Case im Case mag):

   
Alle Beiträge dieses Benutzers finden
Diese Nachricht in einer Antwort zitieren to top
30
Antwort schreiben 


Möglicherweise verwandte Themen...
Themen Verfasser Antworten Views Letzter Beitrag
  Mittelwert wenn Werte in erster Spalte gleich marc_ampa 6 6.116 21.03.2022 08:38
Letzter Beitrag: marc_ampa
  Audio-Wiedergabe mit kleiner-gleich verknüpfen ocean 1 3.812 07.04.2016 16:03
Letzter Beitrag: GerdW
  Handhabung großer Datenstreams Kiesch 4 6.181 09.06.2015 12:46
Letzter Beitrag: Kiesch
  Dateiinhalt suchen und anzeigen wenn ein bestimmter Wert gleich ist uecontitech 7 7.378 24.03.2015 10:06
Letzter Beitrag: GerdW
  Arbeitsspeicher bei Übergabe großer Cluster ib 2 4.463 07.01.2014 13:47
Letzter Beitrag: ib
  nur einen Wert der größer=0 ist darstellen sonst Fehler ausgeben [Newbie] aas430 4 5.982 10.10.2012 09:00
Letzter Beitrag: jg

Gehe zu: